1#A区_叠合板计算书.docx

上传人:p** 文档编号:1044966 上传时间:2024-06-18 格式:DOCX 页数:8 大小:45.02KB
下载 相关 举报
1#A区_叠合板计算书.docx_第1页
第1页 / 共8页
1#A区_叠合板计算书.docx_第2页
第2页 / 共8页
1#A区_叠合板计算书.docx_第3页
第3页 / 共8页
1#A区_叠合板计算书.docx_第4页
第4页 / 共8页
1#A区_叠合板计算书.docx_第5页
第5页 / 共8页
1#A区_叠合板计算书.docx_第6页
第6页 / 共8页
1#A区_叠合板计算书.docx_第7页
第7页 / 共8页
1#A区_叠合板计算书.docx_第8页
第8页 / 共8页
亲,该文档总共8页,全部预览完了,如果喜欢就下载吧!
资源描述

《1#A区_叠合板计算书.docx》由会员分享,可在线阅读,更多相关《1#A区_叠合板计算书.docx(8页珍藏版)》请在第壹文秘上搜索。

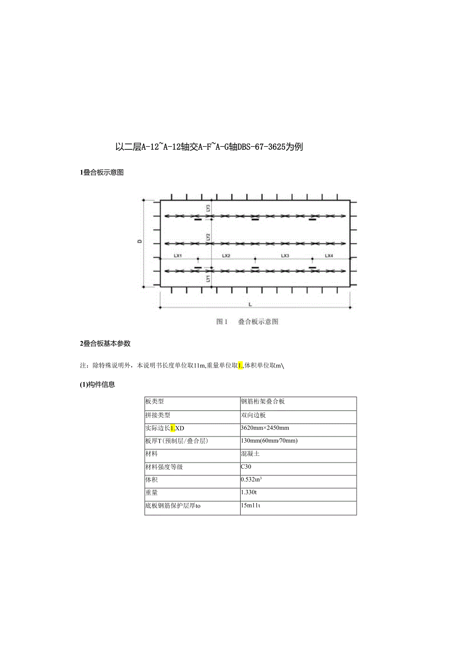
1、(2)钢筋参数钢筋类型直径钢筋等级钢筋排布间距沿板宽度方向8HRB400200沿板长度方向8HRB400200钢筋相对位置沿跨长方向钢筋在上(3)钢筋桁架参数桁架规格B80排列参数225,400,600X2,400,225桁架焊接点跨距(Ps)200mm桁架截面高(三)80mm桁架跨宽(Bt)80mm上弦钢筋直径(dl)IOmm上弦钢筋等级HRB400下弦钢筋直径(d3)8mm下弦钢筋等级HRB400腹杆钢筋直径(d2)6腹杆钢筋等级HPB300(4)板吊件参数吊件种类桁架加强筋钢筋等级HRB400吊件长度280mm钢筋直径8mm(5)计算参数混凝土强度等级C30混凝土容重25.0kNm3吊装

2、动力系数1.5以二层A-12A-12轴交A-FA-G轴DBS-67-3625为例1叠合板示意图2叠合板基本参数注:除特殊说明外,本说明书长度单位取11m,重量单位取1.,体积单位取m(1)构件信息板类型钢筋桁架叠合板拼接类型双向边板实际边长1.XD3620mm2450mm板厚T(预制层/叠合层)130mm(60mm70mm)材料混凝土材料强度等级C30体积0.532n3重量1.330t底板钢筋保护层厚to15m11国R超合厢:气,度示意图组合梁的(当a0l时,ba=0.5a-0.3al公式3-2当aRO时,ba=0.2l0Y相邻桁架下弦筋形心间距ao=600-80+8=528mmVlll=36

3、20mm;:.b=(0.5-0.3X528/3620)X528=240.896mm:即B=240.8962+72=553.793mma=600ran,则B=553.793mm:板宽范围B内与桁架筋平行的板内分布钢筋配筋面积:A1=3JI820.25=150.811m钢筋与预制板混凝土的弹性模量之比:af=EsE,=200000/30000=6.71.中性轴(含桁驴筋合但乎可)Bt(h+(,h1+Ah)(ar-1)2IlssEy=h公式3-3Bt+(1+)(ar-1)+Xar1sEcE根据公式3-3,代入相关值求得y。=30.9mm2.惯性矩(含桁架筋合成截面)292In=Aa(h-yn)+y-

4、(h-h)A+y-(h-h)A(a-1)VVC*UVJ1.USSCt913+(y0工)XBXt下XBXt公式3-4根据公式3-3及公式3-4,代入相关值得I=1237430Omn3.被面抵抗矩(含桁架筋合成截面)1)混凝土截面上边缘:Wc=I(t-y0)=425098mm,2)混凝土截面下边缘:W,=Iayo=400583mm脱模动力系数1.2脱模吸附力1.5kN/m吊索与竖直方向的夹角B0.0预埋吊件安全系数。4.0脱模时混凝上强度百分比75.0%3截面分析(1)平行桁架方向板截面分析上弦筋截面面积At=111020.25=78.5mm-下弦筋截面面积K=11:FX0.252=100.5mm

5、2腹杆筋右亓而积A.=610.25=28.3mm2由2底到上弦筋形心的距离h、与桎合筋平行的板内分布钢筋形心到上主和上弦筋的形心距离瓦:=h-t-d-公式37d+dCShs=H-计算h、Mh、的值分别为:h三,5+8+80-102=98mmhl=98-15-8-8/2=7Immh=80-(10+8)/2=7Imms脱模时按构件混凝土强度达到标准值的75.0%,经验算Odl75.0%ftk=1.51N11n,满足要求I(2)垂直桁架方向脱模及吊装工况验算吊点第1列第2列跨长1.l(mm)625625跨长1.2(mm)12001200跨长1.3(mm)625625支座弯矩最大值Mmm=-O.36k

6、Nm跨中弯矩最大值此CO.00kNm桎合板弹性抵抗矩:W=332276mms混凝土拉应力:Otk=MMW=-1.07Nmn脱模时按构件混凝上强度达到标准值的75.0%,经验算o107)2S其中:。为上弦钢筋强度标徙值;n为上弦钢筋长细比影响系数,取值为2.1286;人为上弦钢筋自由段长细比,=li=80.0其中,1为上弦钢筋焊接节点间距,此值为20Omm3)组合截面上边缘(上弦筋位置):W1=Io/(h-yo)=18439O11ml(2)垂直桁架方向板截面分析计算垂直.桁架方向,取任意板带混凝土底板的截面梁进行计算。为与平行桁架方向结果方便对比分析,板带宽度值取的有效宽度B值。截面抵抗矩:W=

7、Bt76=332276mm,4荷载计算根据装配式混凝土结构技术规程JGJ-2014第6.2.2条、6.2.3条:板自重标准值G=VX=0.5321X25.0=13.30kN脱模荷载1Qll=G1.2+1.5VH=13.301.2+1.5X0.53/0.06=29.27kN脱模荷载2%=GX1.5=13.301.5=19.96kN吊装荷载限=GX1.5=13.30X1.5=19.96kN荷载标准值Q=maxQ,QQJ=29.27kN5预制板脱模吊装容许应力验算根据混凝土结构工程施工规范6850666-2011第9.2.3条(1)平行桁架方向脱模及吊装工况裂缝验第吊点跨长1.l(mm)跨长1.2(

8、mm)跨长1.3(mm)第1行8102000810第2行8102000810计算线荷载q=QtXBZ(1.XD)XlOOO=1.828kNm平行桁架方向跨中弯矩最大做M产0.31kN-m平行桁架方向支座弯矩最大值Mwm1.-0.60kNm跨中时,截面抵抗矩:W=Wo=4OO583mtn3跨中时,混凝土拉应力:。&=MizW=0.78Nmm2支座时,截面抵抗矩:W=W2=425098mm3支座时,混凝土拉应力:=N1.,W2=-1.41N11un2(4)桁架筋验算结果验算内容验算容许值内力结果上弦筋屈服弯矩M,=7.38kNmMea*=-0.60kNm满足上弦筋失稳弯矩M,.=1.28kNnMK

9、中=0.31kNm满足下弦筋屈服弯矩M1=4.76kNmMf,.(.=0.31kNm满足腹杆钢筋失程剪力V=5.69kNV=1.83kN满足7吊件拉力验算吊装及脱模埋件选用吊桁架桁架腹杆直径6mm腹杆材质HPB300吊点数量4个单个吊件脱模吊装荷载计算:z=lcos=1.000Fd=GXzn=3.33kN桁架吊点许用承载力标准值腹杆钢筋类别承载力标准值(kN)HRB400、HRB500、CRB550或CRB600H20HPB300CPB55015预埋吊件安全系数=4.0桁架吊点许用承载力设计值:R0=R丫尸3.75kNFdV&,桁架吊点满足要求。为上弦筋截面回转半径,此值为2.5mm经计算,M

10、,c=Ae。,rh=1.28kNin(2)叠合板下弦筋及板内分布筋屈服弯矩Mcy=T(.Xf1.Xh1+XflXh)公式6-21.51ly1sSyks代入相关值求得Ml,=4.76kNm(3)腹杆钢筋失稳剪力Nsinsin公式6-3其中:=arctan(Hbk)=0.674741n=arctan(2Hb)=1.10715注:bn为下弦筋外包距离,此时值为80m11bh为桁架焊接点跨度,此时值为200三;N=OXASr式也f1-n(99)yk2=11Sr-Ec(99)s其中:为腹杆钢筋强度标准值:n腹杆钢筋长细比影响系数,取值0.9476:=0.7lrir=31.7;Ir计部公式如下:Ir=/+(b02)2+(1/2)2%/sin/sin=67.94mm求得腹杆钢筋失稳应力。“=269.95Nmm则N=11A17632.77N因此:V=21.5Nsinsin=5.69kN

展开阅读全文
相关资源
猜你喜欢
相关搜索

当前位置:首页 > 建筑/环境 > 设计及方案

copyright@ 2008-2023 1wenmi网站版权所有

经营许可证编号:宁ICP备2022001189号-1

本站为文档C2C交易模式,即用户上传的文档直接被用户下载,本站只是中间服务平台,本站所有文档下载所得的收益归上传人(含作者)所有。第壹文秘仅提供信息存储空间,仅对用户上传内容的表现方式做保护处理,对上载内容本身不做任何修改或编辑。若文档所含内容侵犯了您的版权或隐私,请立即通知第壹文秘网,我们立即给予删除!