安全生产费使用计划表.docx

上传人:p** 文档编号:1046337 上传时间:2024-06-18 格式:DOCX 页数:2 大小:10.09KB
下载 相关 举报
安全生产费使用计划表.docx_第1页
第1页 / 共2页
安全生产费使用计划表.docx_第2页
第2页 / 共2页
亲,该文档总共2页,全部预览完了,如果喜欢就下载吧!
资源描述

《安全生产费使用计划表.docx》由会员分享,可在线阅读,更多相关《安全生产费使用计划表.docx(2页珍藏版)》请在第壹文秘上搜索。

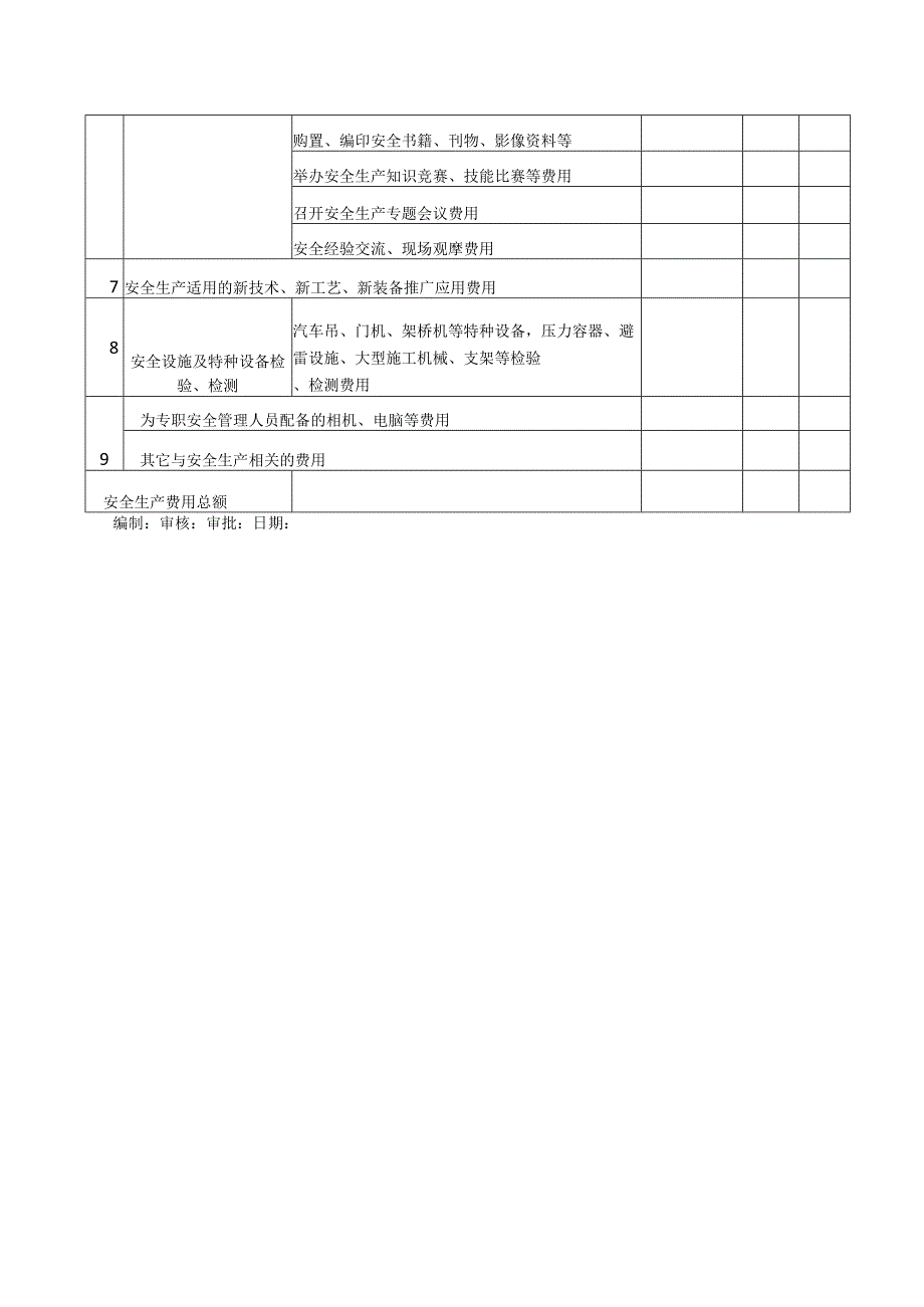
1、安全生产费使用计划表项目名称:序号费用大类费用细目计划措施费(万元)使用时间备注1完善、改造和维护安全防护设施费用“四口”、“五临边”等防护、防滑设施高处作业防护、交叉作业防护、防止人员坠落的防护网等安全警示、警告标识、标牌等设施的购置、安装及维护施工用电安全措施防火、防爆、防尘、防毒、防地质灾害、地下工程有害气体监测、通风、临时安全防护2应急救援演练费用各种应急救援设备、器材组织实施应急救援演练费用3重要危险源、事故隐患及安全专项施工方案进行评估、监控、论证及咨询的费用对重要危险源、重大事故隐患进行评估、监控和监管的费用安全专项施工方案进行论证、咨询的费用4安全标准化工地建设及平安工地建设费

2、用安全标准化工地建设费用平安工地建设费用5配备、更新现场作业人员安全防护用品费用安全帽、保险带、手套、雨鞋、口罩、安全网等6安全生产宣传、教育、培训费用“三类人员”和特种作业人员的安全教育培训、取证及复训等费用内外部组织的安全技术、知识教育培训购置、编印安全书籍、刊物、影像资料等举办安全生产知识竞赛、技能比赛等费用召开安全生产专题会议费用安全经验交流、现场观摩费用7安全生产适用的新技术、新工艺、新装备推广应用费用8安全设施及特种设备检验、检测汽车吊、门机、架桥机等特种设备,压力容器、避雷设施、大型施工机械、支架等检验、检测费用9为专职安全管理人员配备的相机、电脑等费用其它与安全生产相关的费用安全生产费用总额编制:审核:审批:日期:

展开阅读全文
相关资源
猜你喜欢
相关搜索

当前位置:首页 > 建筑/环境 > 安全文明施工

copyright@ 2008-2023 1wenmi网站版权所有

经营许可证编号:宁ICP备2022001189号-1

本站为文档C2C交易模式,即用户上传的文档直接被用户下载,本站只是中间服务平台,本站所有文档下载所得的收益归上传人(含作者)所有。第壹文秘仅提供信息存储空间,仅对用户上传内容的表现方式做保护处理,对上载内容本身不做任何修改或编辑。若文档所含内容侵犯了您的版权或隐私,请立即通知第壹文秘网,我们立即给予删除!