钢结构现场拼装方案.docx

上传人:p** 文档编号:1048286 上传时间:2024-06-18 格式:DOCX 页数:8 大小:228.09KB
下载 相关 举报
钢结构现场拼装方案.docx_第1页
第1页 / 共8页
钢结构现场拼装方案.docx_第2页
第2页 / 共8页
钢结构现场拼装方案.docx_第3页
第3页 / 共8页
钢结构现场拼装方案.docx_第4页
第4页 / 共8页
钢结构现场拼装方案.docx_第5页
第5页 / 共8页
钢结构现场拼装方案.docx_第6页
第6页 / 共8页
钢结构现场拼装方案.docx_第7页
第7页 / 共8页
钢结构现场拼装方案.docx_第8页
第8页 / 共8页
亲,该文档总共8页,全部预览完了,如果喜欢就下载吧!
资源描述

《钢结构现场拼装方案.docx》由会员分享,可在线阅读,更多相关《钢结构现场拼装方案.docx(8页珍藏版)》请在第壹文秘上搜索。

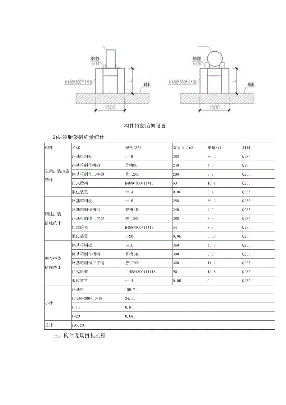
1、钢结构现场拼装方案一、现场拼装场地处理钢结构现场拼装场地的选择应遵从以下原则:方便构件的取料,避免构件大范围搬运周转,应设置在堆场旁;拼装后的构件应在履带吊吊装能力和吊装范围内,避免大型机械大距离运输。拼装场地地基处理:1)采用压路机或者大型机械对土面进行压实,必要时对土面进行换土回填压实。土面压实后,在操作平台铺设范围内浇筑20Onlm后素混凝土层,作为操作平台垫层。在素混凝土垫层上铺设面积为3mX6m的路基箱作为操作平台,每个路基箱之间焊接牢固,连成整体。混凝土垫层外圈,设置排水沟,及时排请积水。200DmI路基箱20Omm厚C25素混凝土垫层素土夯实钢结构拼装平台处理方式二、现场拼装胎架

2、设置D拼装胎架方式设计拼装胎架支撑主要采用截面为H488*300*ll*18的H型钢,支撑胎架设计为门字式,下部与钢操作平台焊接固定,高度根据构件的组装需要采用不同的高度,高度约l112m之间。主梁及钢柱拼装平台(路基箱)宽度为3m,长度为50m,共需32个;网架拼装平台面积需360肝,共需路基箱20个。构件拼装胎架设置2)拼装胎架措施量统计构件名称规格型号数量(mm2)重量(t)材料主梁拼装措施统计路基箱钢板t=1628836.2Q235路基箱制作槽钢普槽Mb2404.0Q235路基箱制作工字钢普工20b2888.9Q235门式胎架H488*300*ll*186310.4Q235限位装置t=

3、140.060.4Q235钢柱拼装措施统计路基箱钢板t=1628836.2Q235路基箱制作槽钢普槽14b2404.0Q235路基箱制作工字钢普工20b2888.9Q235门式胎架H488*300*ll*18548.9Q235限位装置t=200.060.68Q235网架拼装措施统计路基箱钢板t=1636045.3Q235路基箱制作槽钢普槽14b3005.0Q235路基箱制作工字钢普工20b36011.2Q235门式胎架11488*300*11*189014.8Q235限位装置t=140.060.4Q235小计路基箱159.7t11488*300*11*1834.Itt=140.8tt=200.

4、68t总计195.281三、构件现场拼装流程足球场主梁及钢柱现场拼装工艺较为成熟,现以网架弯扭构件现场拼装为例作工艺流程介绍,采用累积连续预拼装法对弯扭构件进行预拼,按照现场吊装次序对桁架进行单元划分,加工厂内对划分好的弯扭构件单元进行卧式实体预拼装。流程:先将拼装场地整平、硬化。根据分片网格的平面投账,放样各网格杆件边线位置。根据平面投影设立胎架模板,拼装措施立柱上牛腿上水平度应严格控制。流程二:拼装片单元两侧主杆件,用马板与措施进行临时固定。流程三:拼装片单元横向主杆件,用马板与措施进行临时固定。流程四:主杆件定位后,进行中间次杆定位战补,网格分块拼装完成,进行整体焊接C流程五:按照先主梁

5、后次梁的顺序进行吊装单元拼装。四、构件现场拼装施工方法地面拼装坐标一般采用局部坐标体系进行放测,每个拼装构件均设置相对应的坐标体系,根据拼装杆件形式,合理选取坐标原点0,再由杆件拼装方向确定X轴、Y轴。局部坐标系以向上为Z轴正向。相对坐标值可以从X-STEEl及CAD软件中得出,在拼装平台上放线,确定实际杆件的拼装方向和支架布置位置。根据实体模型数据,在操作平台上画出构件的投影线,运用汽车吊把构件上胎,以构件在平台上的投影线初步定出构件的位置。平台上通过放样确定出主要参照点,并通过重锤线对准。构件初步定位后,运用全站仪进行精确定位,定位过程中施工千斤顶或倒链进行微调到位,当构件精确定位后通过点

6、焊把构件固定在胎架支撑上,进行下一步的拼接。构件精确定位调整方法实例如下:五、现场拼装各工序交底D拼装措施安装交底拼装场地尽量选在平整路面上,铺设拼装平台时,平台板面要平整;单元杆件所在支撑顶标高必须用水准仪严格控制,支撑措施顶部标高见附件拼装措施详图(误差W1.OnInl);使用全站仪测放各控制点,测放完毕后作好闭合复测工作;各块拼装平台间必须用槽钢相连,保证拼装过程中,各控制点相对位置不变;在平台板上放拼装措施及构件对接企口线投影坐标,并控制各控制点误差W1.5m11i;2)构件吊装、焊接交底构件拼装前,先验收出厂构件是否合格,对偏差严重的构件进行处理后方可吊装;验收完毕后,在构件上做相应

7、控制点,如支撑措施支撑点处位置线、构件就位中心点;吊装时先在地面对弦杆进行组装,然后吊到措施上,为保证吊装方便,先拼装吊装下部腹板后拼装上部腹杆;构件上措施时,要对好构件上和路基板上的点位,尤其是分段处企口线,通过挂线锤检测投影点与路基板上点位的重合情况,误差应控制在1.5mm范围内;调校到位的构件,应采用1020X100X150的限位板将其卡死,避免因碰撞等发生移位;将各端口点位坐标控制好后,做好焊接前准备工作;然后进行定位焊,焊工应持相应资质证件且在有效期内;定位焊若出现裂纹、气孔、夹渣等缺陷后,应清除后重新进行定位焊;正式式焊接前,应进行焊前验收,应符合以下要求:水平度偏差W2mm;中心

8、垂直度偏差W2mm;对口错边小于t10,且不大于2.5mm;网架分块单元拼装完成后,进行整体焊接,焊接采用C02气体保护焊,采用双数焊工从中间向两端对称退步焊接,焊接时先焊铸钢节点与弦杆连接节点,后焊弦杆水平杆,最后焊接斜向腹杆,焊后进行检测并进行测量验收,超差必须进行调整;3)焊接完毕工序将所有限位板等临时连接板切除,并将这些马脚打磨修补好;对所有焊缝外观进行自检,不断修补、打磨,直至满足建筑钢结构焊接技术规程和钢结构工程施工质量验收规范(GB50205-2001)为止;焊后24小时,对焊缝进行100席超声波探伤,所有杆件对接焊缝均按一级全熔透要求。若探伤不合格,应采用碳刨清除缺陷,再重新进行焊接、探伤,至合格为止,若两次仍不合格,应由焊接工艺员专门编写返修方案,由项目总工审批后进行返修;焊后检查各尺寸偏差,应符合下列要求:水平度误差W2mm;各相应截面处中心线误差Wlnln1;对口错边W2mm;两端四周各8个点与地上投影点误差W2mm(也可用全站仪用转换后的坐标复查);缝合格经监理同意后,补涂焊缝处油漆,涂层及漆膜干厚度应达到设计要求。

展开阅读全文
相关资源
猜你喜欢
相关搜索

当前位置:首页 > 办公文档 > 解决方案

copyright@ 2008-2023 1wenmi网站版权所有

经营许可证编号:宁ICP备2022001189号-1

本站为文档C2C交易模式,即用户上传的文档直接被用户下载,本站只是中间服务平台,本站所有文档下载所得的收益归上传人(含作者)所有。第壹文秘仅提供信息存储空间,仅对用户上传内容的表现方式做保护处理,对上载内容本身不做任何修改或编辑。若文档所含内容侵犯了您的版权或隐私,请立即通知第壹文秘网,我们立即给予删除!