施工现场安全生产检查表.doc

上传人:p** 文档编号:1051189 上传时间:2024-06-26 格式:DOC 页数:3 大小:31.50KB
下载 相关 举报
施工现场安全生产检查表.doc_第1页
第1页 / 共3页
施工现场安全生产检查表.doc_第2页
第2页 / 共3页
施工现场安全生产检查表.doc_第3页
第3页 / 共3页
亲,该文档总共3页,全部预览完了,如果喜欢就下载吧!
资源描述

《施工现场安全生产检查表.doc》由会员分享,可在线阅读,更多相关《施工现场安全生产检查表.doc(3页珍藏版)》请在第壹文秘上搜索。

1、建筑工程分公司施工现场安全生产检查表检查时间: 年 月 日 项目负责人确认签名:序号检查项目检查内容检查结果及存在问题1现场管理查合同、安全协议、开工报告、施工组织设计。2施工人员查进入现场的施工人员,穿戴是否符合安规要求,并随身佩戴施工作业证、作业指导书、检查表、出勤表。3安全措施查安全措施方案、安全标识、隔离装置、警示牌等是否齐全完备,符合施工现场的实际需要。4工器具查施工工器具、检测记录是否正确,规范使用,定置放置。所用工器具是否定期校验并合格。5施工用电查施工用电是否执行三级配电二级保护;电箱是否每日检查;施工用电(开关箱)是否做到“四个一”;施工电源线、接地线是否按规范设置。6高空作

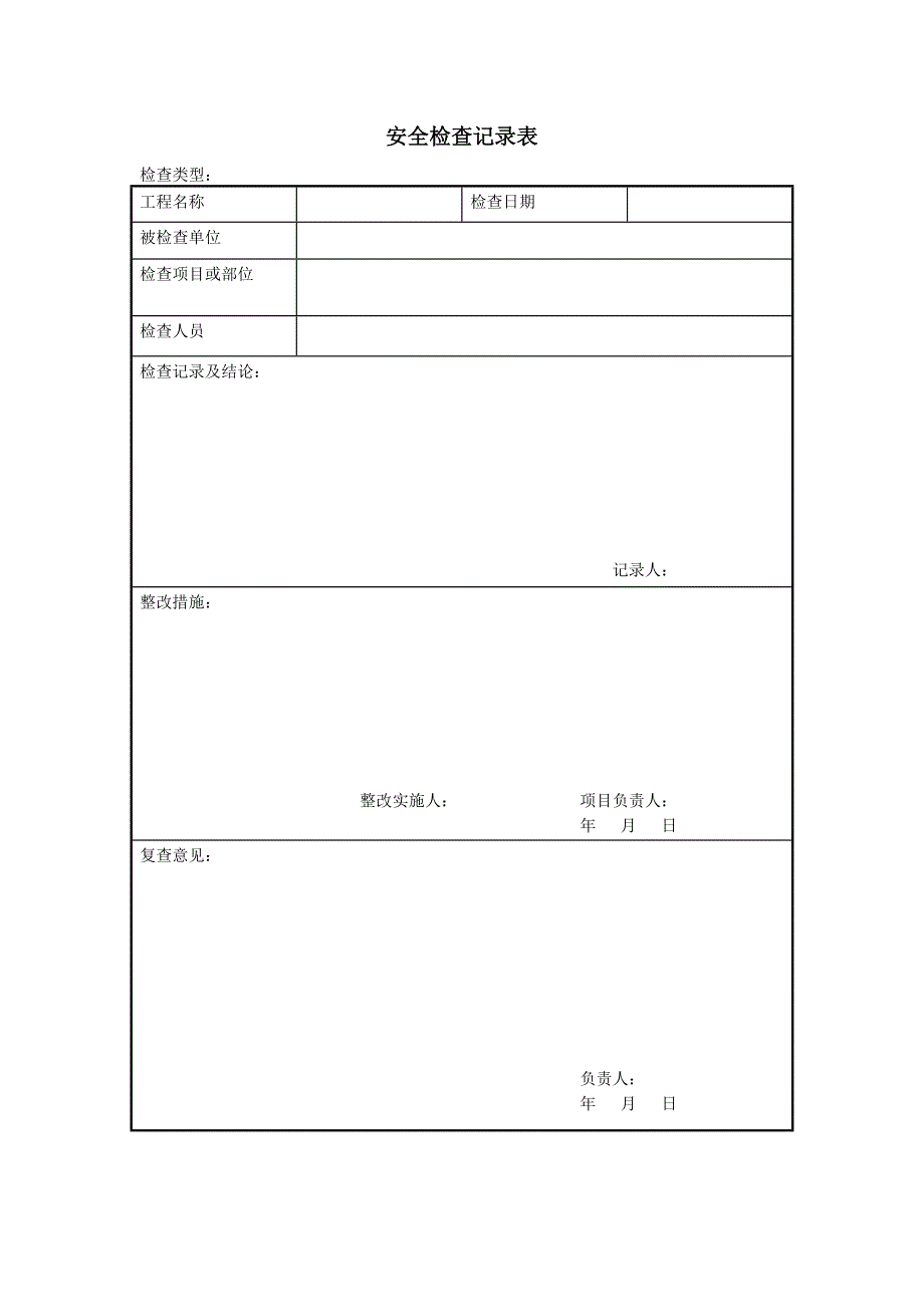
2、业查检查高空作业的安全措施是否落实;登高作业是否正确使用安全带(双保险安全钩)。7四口临边查井、坑、孔、洞及临边是否做好防护安全措施。护栏是否符合要求,立杆间距2米一档,高度不得低于1.2米。8脚手架搭设查脚手架的搭设是否符合规范;剪刀撑、扫地杆、脚手板是否铺满、铺稳;脚手架接地是否牢固可靠。9现场动火查现场动火是否按规定办理三级动火票施工作业时应有监护人和防火措施,特种作业人员要持有效特种操作证,氧气与乙炔放置距离是否满足规定。10消防设施现场消防设施合理布置、检查记录是否正确。11危险品查现场氧气、乙炔、油漆以及易燃物品要符合危险品保管规范要求。12监护人查施工环境复杂,有触电或发生事故可能的,是否已经设专职监护人进行监护。13机械设备查机械设备是否完好,操作周边是否做好防护措施,指挥、机械设备是否符合规范要求。14文明施工查现场环境卫生、材料堆放、办公室整洁等是否符合要求。15临时设施查符合标准,布置合理,施工区和生活区域划分明确并有明显的分割标识牌。安全检查记录表检查类型:工程名称检查日期被检查单位检查项目或部位检查人员检查记录及结论:记录人:整改措施:整改实施人: 项目负责人:年 月 日复查意见:负责人:年 月 日

展开阅读全文
相关资源
猜你喜欢
相关搜索

当前位置:首页 > 建筑/环境 > 安全文明施工

copyright@ 2008-2023 1wenmi网站版权所有

经营许可证编号:宁ICP备2022001189号-1

本站为文档C2C交易模式,即用户上传的文档直接被用户下载,本站只是中间服务平台,本站所有文档下载所得的收益归上传人(含作者)所有。第壹文秘仅提供信息存储空间,仅对用户上传内容的表现方式做保护处理,对上载内容本身不做任何修改或编辑。若文档所含内容侵犯了您的版权或隐私,请立即通知第壹文秘网,我们立即给予删除!