施工项目创建安全文明工地的标准.doc

上传人:p** 文档编号:1051640 上传时间:2024-06-26 格式:DOC 页数:4 大小:114KB
下载 相关 举报
施工项目创建安全文明工地的标准.doc_第1页
第1页 / 共4页
施工项目创建安全文明工地的标准.doc_第2页
第2页 / 共4页
施工项目创建安全文明工地的标准.doc_第3页
第3页 / 共4页
施工项目创建安全文明工地的标准.doc_第4页
第4页 / 共4页
亲,该文档总共4页,全部预览完了,如果喜欢就下载吧!
资源描述

《施工项目创建安全文明工地的标准.doc》由会员分享,可在线阅读,更多相关《施工项目创建安全文明工地的标准.doc(4页珍藏版)》请在第壹文秘上搜索。

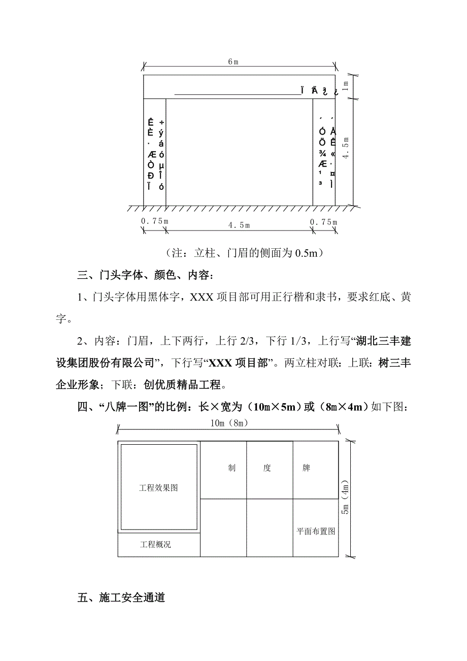
1、施工项目创建安全文明工地的标准根据公司的发展需要,积极推进安全生产标准化、规范化,将“六化”工作落到实处,加强工程项目施工现场的管理,经公司研究决定:一、施工现场的围墙搭设1、工程造价在500万元以上,门前应有正式的围栏、侧面和背面应有安全防护墙,确保施工现场及材料的安全。2、工程造价在2000万元以上的应用砖墙砌筑,正面墙壁上要展示公司的企业文化。3、工程造价在5000万元以上的,门面的围墙应注意精装结构,并展示公司的企业文化。二、门头的制作及安装工程在500万元以上的,必须安装规范的门头。门柱之间的净宽为4.5m、两立柱的本身高度为4.5m、宽度为0.75m、侧面为0.5m;门眉:长6m高

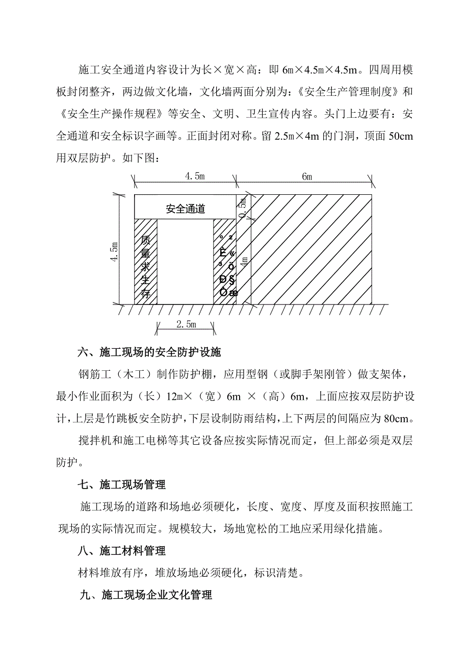
2、1m侧面0.5m。如下图:(注:立柱、门眉的侧面为0.5m)三、门头字体、颜色、内容:1、门头字体用黑体字,XXX项目部可用正行楷和隶书,要求红底、黄字。2、内容:门眉,上下两行,上行2/3,下行1/3,上行写“湖北三丰建设集团股份有限公司”,下行写“XXX项目部”。两立柱对联:上联:树三丰企业形象;下联:创优质精品工程。四、“八牌一图”的比例:长宽为(10m5m)或(8m4m)如下图: 五、施工安全通道施工安全通道内容设计为长宽高:即6m4.5m4.5m。四周用模板封闭整齐,两边做文化墙,文化墙两面分别为:安全生产管理制度和安全生产操作规程等安全、文明、卫生宣传内容。头门上边要有:安全通道和

3、安全标识字画等。正面封闭对称。留2.5m4m的门洞,顶面50cm用双层防护。如下图:六、施工现场的安全防护设施钢筋工(木工)制作防护棚,应用型钢(或脚手架刚管)做支架体,最小作业面积为(长)12m(宽)6m (高)6m,上面应按双层防护设计,上层是竹跳板安全防护,下层设制防雨结构,上下两层的间隔应为80cm。搅拌机和施工电梯等其它设备应按实际情况而定,但上部必须是双层防护。七、施工现场管理施工现场的道路和场地必须硬化,长度、宽度、厚度及面积按照施工现场的实际情况而定。规模较大,场地宽松的工地应采用绿化措施。八、施工材料管理材料堆放有序,堆放场地必须硬化,标识清楚。九、施工现场企业文化管理施工现场要有文化墙、内容为安全生产管理制度、岗位责任制度、安全生产操作规程及与安全、消防相关的生活、卫生常识,同时还可以凸显企业的业绩。十、施工人员管理进工地的施工人员、管理人员必须佩有“ ”标志的安全帽,穿有“ ”标志字样的工作服。对现场危险性较大的或容易发生安全事故的部位应有标语、标识或警示牌提示人们注意安全。以上标准,请各项目部认真学习、落实执行。

展开阅读全文
相关资源
猜你喜欢
相关搜索

当前位置:首页 > 建筑/环境 > 安全文明施工

copyright@ 2008-2023 1wenmi网站版权所有

经营许可证编号:宁ICP备2022001189号-1

本站为文档C2C交易模式,即用户上传的文档直接被用户下载,本站只是中间服务平台,本站所有文档下载所得的收益归上传人(含作者)所有。第壹文秘仅提供信息存储空间,仅对用户上传内容的表现方式做保护处理,对上载内容本身不做任何修改或编辑。若文档所含内容侵犯了您的版权或隐私,请立即通知第壹文秘网,我们立即给予删除!