BOOST电路的设计与仿真.docx

上传人:p** 文档编号:1080757 上传时间:2024-06-29 格式:DOCX 页数:8 大小:183.46KB
下载 相关 举报
BOOST电路的设计与仿真.docx_第1页
第1页 / 共8页
BOOST电路的设计与仿真.docx_第2页
第2页 / 共8页
BOOST电路的设计与仿真.docx_第3页
第3页 / 共8页
BOOST电路的设计与仿真.docx_第4页
第4页 / 共8页
BOOST电路的设计与仿真.docx_第5页
第5页 / 共8页
BOOST电路的设计与仿真.docx_第6页
第6页 / 共8页
BOOST电路的设计与仿真.docx_第7页
第7页 / 共8页
BOOST电路的设计与仿真.docx_第8页
第8页 / 共8页
亲,该文档总共8页,全部预览完了,如果喜欢就下载吧!
资源描述

《BOOST电路的设计与仿真.docx》由会员分享,可在线阅读,更多相关《BOOST电路的设计与仿真.docx(8页珍藏版)》请在第壹文秘上搜索。

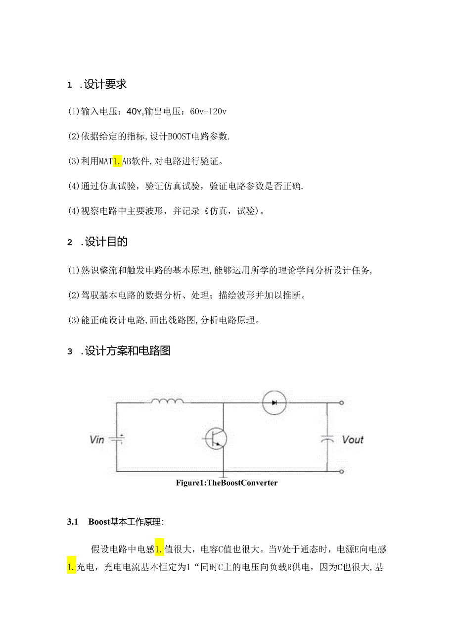
1、BOOST电路的设计与仿真摘要BoOST电路又称为升压斩波电路,它在各类电力电子电路中的应用特别广泛,它将低压直潦电变为高压直流电,为负载供应了稔定的直流电压。升压斩波电路的Pl和PH)调整器的性能时输出的电压影响很大由于这种斩波电路工作于开关模式卜.,是一个强非线形系统。采纳matlab仇其分析方法,可直观、具体的描述BOOST电路由启动到达稳态的工作过程,并对其中各种现象进行细致深化的分析,便于我们!正驾驭BOOST电路的工作特性。【关键诃】:B。St电路直流电压matIab仿真1 .设计要求(1)输入电压:40y,输出电压:60v-120v(2)依据给定的指标,设计BOOST电路参数.(

2、3)利用MAT1.AB软件,对电路进行验证。(4)通过仿真试验,验证仿真试验,验证电路参数是否正确.(4)视察电路中主要波形,并记录仿真,试验)。2 .设计目的(1)熟识整流和触发电路的基本原理,能够运用所学的理论学问分析设计任务,(2)驾驭基本电路的数据分析、处理;描绘波形并加以推断。(3)能正确设计电路,画出线路图,分析电路原理。3 .设计方案和电路图Figure1:TheBoostConverter3.1 Boost基本工作原理:假设电路中电感1.值很大,电容C值也很大。当V处于通态时,电源E向电感1.充电,充电电流基本恒定为1“同时C上的电压向负载R供电,因为C也很大,基本保持输出电压

3、为恒值U0.设V通态时间为I此阶段1.积蓄能量为EI1I.,当Y处于断态时E和1.共同向C充电,并向负载R供应能量。设V处于断态时间为总“则这期间电感1.释放能星为(UE)1.tw周期T中,电感1.积蓄的能量和释放的能量相等,即EI,tn=(U-E)I,tall(3-1)化简得:U=Ttw1,输出电压高于电源电压,故称改电路为升压斩波电路。有的文献中干脆采纳其英文名称,称之为BOoST变换微。上式(3-2)中17J表示升压比,调整其大小,即可变更输出电压U(I大小,调整的方法与变更导通比。的方法类似。符升压比倒数记作6,即B=T/,则B与导通占空比有如下关系a+6=1(3-3)因此,式(3-2

4、)中表示为U=lE=ll-aE(3-4)假如忽视电路中的损耗,则由电源供应的能星仅由负载R消耗,即EI1=U1.(3-5)该式表明,升压斩波电路也可看成是直流变质罂。依据电路结构并结合式(3-4)得出电流的平均值Ifl为1.=U.R=1EPR(3-6)由式(3-5)即可得出电源电流1.为I1=UI0E=ER2(3-7)3.2 计算过程20%1.=(UdD)(I)=32mHC=(IOD)/(Uf)=0.4uF4 .MAT1.AB的模型图及其MAT1.AB示波器的波形4.1Matlab的模型图如下,4.2采样波形如图所示:(D电感的电流采样波形:(2)二极管电流采样波形:(3)输出电压波形:(4)

5、 PWl波形:(5)通过开关的采样电流波形:背PPP冷适晅9A0.2Q150.10050.20.100.140200.30.20.1Oni1.Jll:.:.-Iln1.r11m000010.0020.003OOM0.0050.0050.0070.0080.009001Tmeoffset04.3采样细微环节波形如图所示:(1)电感的电流采样细微环节波形:(2)二极管电流采样细微环节波形:(3)输出电压细微环节波形:(4)PWM细微环节波形:(5)通过开关的采样电流细微环节波形:5.波形和参数试验5.1试睑结果波形如下图所示,5.2试睑弁数如下:E=40V,D=20%.1.=0.4Uf,C=32m

6、ll,周期T=2e-6,停Ih时间t=0.Ols.6 .小结周的电力电子实训结束了,通过这次实训真学到不少东西,不仅理论基础更加扎实了,对MAllAB软件的应用也更加熟识。升压斩波电路在开关电源领域内占有特别重要的地位,长期以来广泛的应用于各种电源设法的设计中。对它工作过程的理解驾驭关系到对整个开关电源领域各种电路工作过程的理解。MatIab在电力电子方面的仿其应用时,可以将电力电子电路输出效果图形化,形象直观,可以帮助我们对电路的理解。7 .参考文献I黄俊,王兆安.电力电子变流技术(第3版.北京:机械工业出版社2黄俊,王兆安.电力电子技术(第4版).北京:机械工业出版社3陆治国.电源的计算机仿真技术.北京:北京科学出版社

展开阅读全文
相关资源
猜你喜欢
相关搜索

当前位置:首页 > 高等教育 > 工学

copyright@ 2008-2023 1wenmi网站版权所有

经营许可证编号:宁ICP备2022001189号-1

本站为文档C2C交易模式,即用户上传的文档直接被用户下载,本站只是中间服务平台,本站所有文档下载所得的收益归上传人(含作者)所有。第壹文秘仅提供信息存储空间,仅对用户上传内容的表现方式做保护处理,对上载内容本身不做任何修改或编辑。若文档所含内容侵犯了您的版权或隐私,请立即通知第壹文秘网,我们立即给予删除!