消防控制室管理制度及处置程序汇编.docx

上传人:p** 文档编号:1087706 上传时间:2024-07-04 格式:DOCX 页数:4 大小:96KB
下载 相关 举报
消防控制室管理制度及处置程序汇编.docx_第1页
第1页 / 共4页
消防控制室管理制度及处置程序汇编.docx_第2页
第2页 / 共4页
消防控制室管理制度及处置程序汇编.docx_第3页
第3页 / 共4页
消防控制室管理制度及处置程序汇编.docx_第4页
第4页 / 共4页
亲,该文档总共4页,全部预览完了,如果喜欢就下载吧!
资源描述

《消防控制室管理制度及处置程序汇编.docx》由会员分享,可在线阅读,更多相关《消防控制室管理制度及处置程序汇编.docx(4页珍藏版)》请在第壹文秘上搜索。

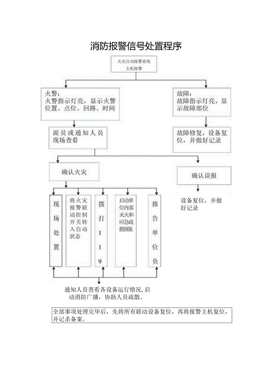
1、消防控制室管理制度及处置程序汇编一、消防控制室管理及应急程序二、消防报警信号处置程序三、消防控制室值班制度四、火灾自动报警系统逻辑关系消防控制室管理及应急程序(一)消防控制室必须实行每日24小时专人值班制度,每班不应少于2人。(二)消防控制室的日常管理应符合建筑消防设施的维护管理(GA587)的有关要求。(三)消防控制室应确保火灾自动报警系统和灭火系统处于正常工作状态。(四)消防控制室应确保高位消防水箱、消防水池、气压水罐等消防储水设施水量充足;确保消防泵出水管阀门、自动喷水灭火系统管道上的阀门常开;确保消防水泵、防排烟风机、防火卷帘等消防用电设备的配电柜开关处于自动(接通)位置。(五)接到火

2、灾警报后,消防控制室必须立即以最快方式确认。(六)火灾确认后,消防控制室必须立即将火灾报警联动控制开关转入自动状态(处于自动状态的除外),同时拨打“119”火警电话报警。(七)消防控制室必须立即启动单位内部灭火和应急疏散预案,并应同时报告单位负责人。消防报警信号处置程序设备复位,并做好记录通知人员查看各设备运行情况,启动消防广播,协助人员疏散。全部事项处理完毕后,先将所有联动设备复位,再将报警主机复位,并记杀备案。消防控制室值班制度一、消防控制室必须实行每日24小时专人值班,每班不应少于2人,分工明确;二、值班人员应当持证上岗,掌握系统的工作原理和操作规程,熟悉设备按键的功能,能熟练操作系统,

3、熟悉火灾自动报警系统编码表所对应的具体位置;三、值班人员应当保证在岗在位,掌握消防控制室管理及应急程序,实时监控火灾报警及故障情况,处置报警信号,填写消防控制室值班记录;四、严格实施交接班,交班时应通报消防设施运行情况,检查火灾报警控制器的自检、消音、复位功能及主备电源切换,记录故障及报警处置等交接情况;五、及时报告设备故障情况,协助做好设备的维修保养和故障期间的消防安全工作;六、保持消防控制室正常工作秩序,严禁无关人员进入和操作消防设施,主动配合有关部门做好消防设施检查工作;七、认真做好消防控制室日常管理档案的收集整理工作,确保档案资料真实完整。火灾自动报警系统逻辑关系消防控制中心接收并显示反馈信号注:1、火灾确认系指:探测区域内任一手动火灾报警按钮动作,或火灾探测器报警后经人工确认,或同一报警区域两个不同编码的火灾探测器均动作。2、消防控制室应能直接启动下列消防设施:(1)消火栓泵,喷淋泵;(2)送风口、送风机,排烟阀(口)及排烟风机;(3)防火卷帘;(4)消防应急广播(瞥报装置);5)其他设施。3、自动喷水灭火系统:报警阀压力开关动作直接连锁自动启动喷淋泵或消防控制室,水泵房直接启动唉淋泵,消防控制中心显示压力开关水流指示器及喷淋泵动作信号。

展开阅读全文
相关资源
猜你喜欢
相关搜索

当前位置:首页 > 办公文档 > 规章制度

copyright@ 2008-2023 1wenmi网站版权所有

经营许可证编号:宁ICP备2022001189号-1

本站为文档C2C交易模式,即用户上传的文档直接被用户下载,本站只是中间服务平台,本站所有文档下载所得的收益归上传人(含作者)所有。第壹文秘仅提供信息存储空间,仅对用户上传内容的表现方式做保护处理,对上载内容本身不做任何修改或编辑。若文档所含内容侵犯了您的版权或隐私,请立即通知第壹文秘网,我们立即给予删除!