2020年华南师范大学《数字图像处理》期末试卷.docx

上传人:p** 文档编号:1187578 上传时间:2024-11-24 格式:DOCX 页数:4 大小:26.48KB
下载 相关 举报
2020年华南师范大学《数字图像处理》期末试卷.docx_第1页
第1页 / 共4页
2020年华南师范大学《数字图像处理》期末试卷.docx_第2页
第2页 / 共4页
2020年华南师范大学《数字图像处理》期末试卷.docx_第3页
第3页 / 共4页
2020年华南师范大学《数字图像处理》期末试卷.docx_第4页
第4页 / 共4页
亲,该文档总共4页,全部预览完了,如果喜欢就下载吧!
资源描述

《2020年华南师范大学《数字图像处理》期末试卷.docx》由会员分享,可在线阅读,更多相关《2020年华南师范大学《数字图像处理》期末试卷.docx(4页珍藏版)》请在第壹文秘上搜索。

1、即号一二三四五六七八九十十总分一三四五得分名姓一、填空题(每题1分,共20分)1.列举数字图像处理的三个应用领域:医学、交通、军事.2、图像处理算法主要在空间域和频率域两种不同的表示域进行处理.3、对于彩色图像,通常用以区分颜色的三个特性分别是色调、饱和度、亮度.4、存储一幅大小为1024x1024,灰度级为256的图像,需要8M上漪.号5、直方图修正法包括直方图均衡化和直方图规定化两种方法.班6、在频域上,图像平滑通常是低通滤波,主要让包顷信号J麻J通过而阻截高频信号。7、图像处理中常用的两种邻域是4邻域和8邻域.8、图像数字化过程包括采样、量化和扫描三个步骤。9、在二值图像的形态学滤波中,

2、将物体与所接触的所有背景点合并,使边界向夕陪P扩张的过程叫做膨胀,消除边界点,使边界向内部收缩的过程叫做腐蚀.10、在数字图像分析中,通常用于直线检测的技术叫做将夫变化.号学第一页二名词解释(每题2分,共10分)工灰度直方图;直方图是灰度级的函数,它表示图像中具体每种灰度级的像素个数,反映图像中每种i灰度出现的瞬,II12.图像增强对图像的某些特征,如边缘、轮腻对比度等进行强调或尖锐化,以便观察或进一分析处理.I*,中值滤波I对于一个滑动窗口内NxM个像素按灰度级排序,用处于中间位置的像素的灰度级来代!替窗口中心像素原来的灰度级.图像边缘池缘是指图像中灰度发生急剧变化的区域。3、阈值同值是在分

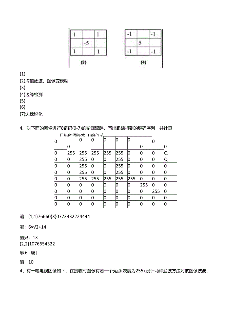
3、割时作为区分物体和背景像素的门限,大于或等于阈值的像素属于物体,;而其他属于背景。!二简答题(共70分)工请简述两种常见的图像平滑左圾购点.(Ic)的值滤波:对于一个滑动窗口内NXM个像素按灰度级求平均值,用处于中间位置的像!素的灰度级来代替窗口中心像素原来的灰度级.储点:系数之和为1,系数都是正数,容易造成图像模湖。对于一个滑动窗口内NxM个像素按灰度级序,用处于中间位置的像素的灰度级来代:替窗口中心像素原来的灰度级.特点:计算复杂度高,滤波前后图像亮度发生改变,不容易产生模树,具有良好的抗。r*,1.zx:若使用下列模板分别对一幅灰度图像进行卷积,会达到什么样的效果?(10)(1)(2)均

4、值滤波,图像变模糊(3)(4)边缘检测(5)(6)(7)边缘锐化4、对下面的图像进行8链码(0-7)的轮廓跟踪,写出跟踪得到的腱码序列,并计算目标的周长木瞬I(15)00000000000255255255255255000Q0025500255000Q00255002550000002550025500000025525525525525500000000002550000000000255000000000000000000000蹦:(1,1)76660(X)0773332224444郦:62+14丽只:13(2,2)1076654322麻:6+破酶:104、有一幅电视图像如下,在接收时图

5、像有若干个亮点(灰度为255),设计两种渔波方法对该图像波波,写出派波后的图像。(10)11187422S52552552553334433332552552556334558均值遭波1118742588788603387143171115333160886063316088628234678中值滤波11187423474333255255633345563346782346785、假定你有两张相隔八个月拍摄的一病人的胸部X光片.两张胶片都显示有一小痛,该也许是良性的,也许是恶性的.,Jx三的大小和密度在八个月期间都发生了变化,但仅凭视觉检查,放射学家不能肯定小痛是变得更坏或更好了,下面是每幅

6、图象的包含有小瘤的一块区域的直方图。在胶片上,低灰度级代表黑色.问小瘤是变大还是变小?密度是变得更高还是更低?假设灰度值越小越是肿瘤,灰度值越小密飒、(10)一月】0500800051123002001.000000A月05008000500100001.20032001000000假设另一病人的相应直方图如下:四月)0550005002001001.20032001.00000十二月】。005525050020010010015020015050000由题意得,直方图左边波峰的为肿瘤,右边的波峰为背景:(1)第一个病人的直方图显示,两直方图左边的波峰大小没变,所以!中瘤面积不变;右边背景灰度值变大,相对于背景,田陷肿瘤的灰度值变小,所以月懈密度变小.(2)第二个病人的直方图显示,十二月的比四月的左边波峰变大,所以肿瘤面积变大;十二的直方图相对四月的灰度整体平移,灰度不变,所以月幡密度不变。6、列举一项现实领域中的应用,并简述具体的几项数字图像处理技术可能在其中的应用(15)

展开阅读全文
相关资源
猜你喜欢
相关搜索

当前位置:首页 > 高等教育 > 习题/试题

copyright@ 2008-2023 1wenmi网站版权所有

经营许可证编号:宁ICP备2022001189号-1

本站为文档C2C交易模式,即用户上传的文档直接被用户下载,本站只是中间服务平台,本站所有文档下载所得的收益归上传人(含作者)所有。第壹文秘仅提供信息存储空间,仅对用户上传内容的表现方式做保护处理,对上载内容本身不做任何修改或编辑。若文档所含内容侵犯了您的版权或隐私,请立即通知第壹文秘网,我们立即给予删除!