2024市职工职业技能大赛焊工赛项技术文件-模块C图纸.docx

上传人:p** 文档编号:1188763 上传时间:2024-11-24 格式:DOCX 页数:5 大小:213.09KB
下载 相关 举报
2024市职工职业技能大赛焊工赛项技术文件-模块C图纸.docx_第1页
第1页 / 共5页
2024市职工职业技能大赛焊工赛项技术文件-模块C图纸.docx_第2页
第2页 / 共5页
2024市职工职业技能大赛焊工赛项技术文件-模块C图纸.docx_第3页
第3页 / 共5页
2024市职工职业技能大赛焊工赛项技术文件-模块C图纸.docx_第4页
第4页 / 共5页
2024市职工职业技能大赛焊工赛项技术文件-模块C图纸.docx_第5页
第5页 / 共5页
亲,该文档总共5页,全部预览完了,如果喜欢就下载吧!
资源描述

《2024市职工职业技能大赛焊工赛项技术文件-模块C图纸.docx》由会员分享,可在线阅读,更多相关《2024市职工职业技能大赛焊工赛项技术文件-模块C图纸.docx(5页珍藏版)》请在第壹文秘上搜索。

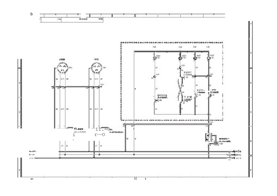
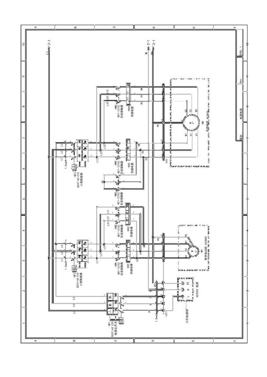
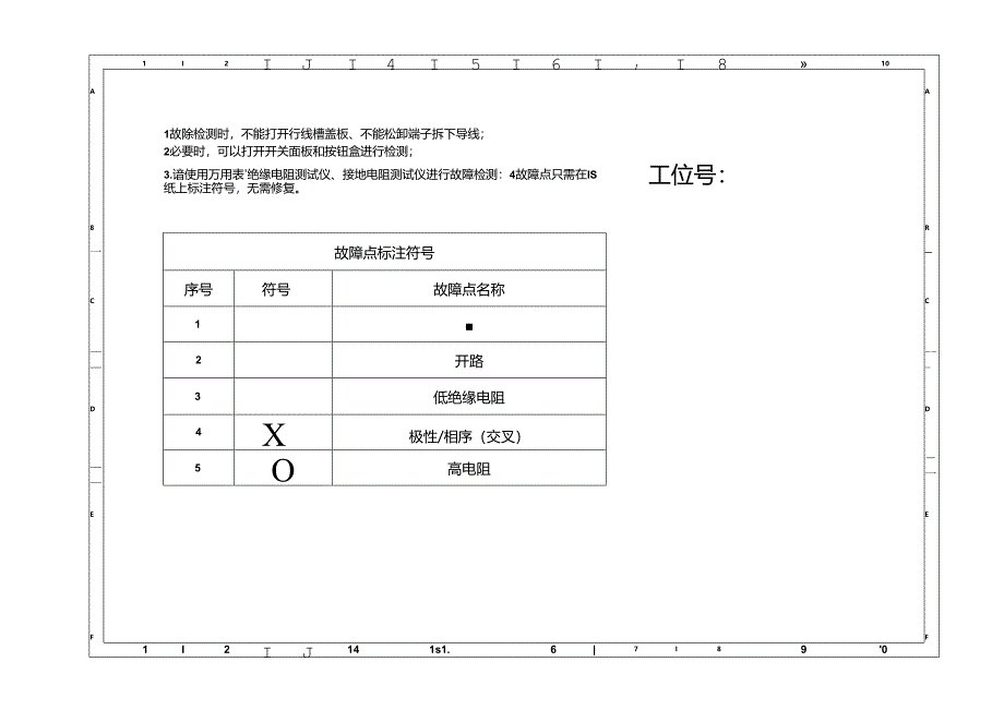
1I2IJI4I5I6I1I810AA81故除检测时,不能打开行线槽盖板、不能松卸端子拆下导线;2必要时,可以打开开关面板和按钮盒进行检测;3.谙使用万用表绝缘电阻测试仪、接地电阻测试仪进行故障检测:4故障点只需在IS纸上标注符号,无需修复。工位号:R一故障点标注符号C序号符号故障点名称C12开路-D3低绝缘电阻D4X极性/相序(交叉)5O高电阻一EEFF1I2IJ141s1.6|7I890bci=Ws0MTMrMS-O1.H$Ecmw*D-cwtf5V?WW1.XW-匕CCO;If1.aw8)1.t-3U920i1.=r,OH!MS*.ci。-zpM力外S40-

展开阅读全文
相关资源
猜你喜欢
相关搜索

当前位置:首页 > 中学教育 > 职业教育

copyright@ 2008-2023 1wenmi网站版权所有

经营许可证编号:宁ICP备2022001189号-1

本站为文档C2C交易模式,即用户上传的文档直接被用户下载,本站只是中间服务平台,本站所有文档下载所得的收益归上传人(含作者)所有。第壹文秘仅提供信息存储空间,仅对用户上传内容的表现方式做保护处理,对上载内容本身不做任何修改或编辑。若文档所含内容侵犯了您的版权或隐私,请立即通知第壹文秘网,我们立即给予删除!