调速器安装及调试单元工程质量评定表.docx

上传人:p** 文档编号:1291223 上传时间:2025-01-16 格式:DOCX 页数:3 大小:16.55KB
下载 相关 举报
调速器安装及调试单元工程质量评定表.docx_第1页
第1页 / 共3页
调速器安装及调试单元工程质量评定表.docx_第2页
第2页 / 共3页
调速器安装及调试单元工程质量评定表.docx_第3页
第3页 / 共3页
亲,该文档总共3页,全部预览完了,如果喜欢就下载吧!
资源描述

《调速器安装及调试单元工程质量评定表.docx》由会员分享,可在线阅读,更多相关《调速器安装及调试单元工程质量评定表.docx(3页珍藏版)》请在第壹文秘上搜索。

1、调速器安装及调试单元工程质量评定表(例表)单位工程名称发电厂房工程单元工程量1.2t分部工程名称1#水轮发电机组安装施工单位XXX水电安装公司单元工程名称、部位调速器柜安装及调试检验日期义年义月日项次检查项目允许偏差(mm)实测值(mm)结论合格优良1调速器柜中心5.03.0距X基准:3735+3.0距y基准:4126+2.7优良2调速器柜高程(设计21.92m)+5.0+4.021.916m优良3调速器柜水平度每米不超过0.15每米不超过0.10横向:0.12mm/m纵向:0.IOmm/m合格4回复机构支座水平度每米不超过1.00.09mm/m优良5离心飞摆摆度不大于0.040.03mm优良

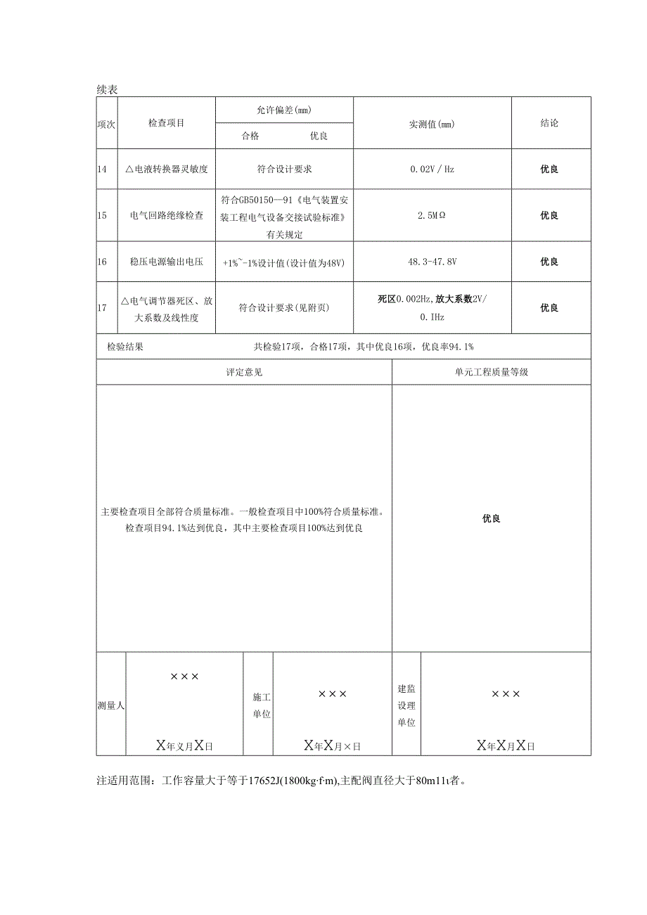
2、6缓冲器活塞回复位置+0.02-0.01优良7缓冲时间上下两回复时间之差不大于整定值的10%(整定值为IS)两回复时间之差为0.08s优良8缓冲特性曲线符合设计要求(见附页)符合要求(详见附页)优良9各指示器及杠杆位置1.0均小于0.9优良10永态转差系数符合规范第6.2.2条的要求当永态转差系数指示为零时,回复机构动作全行程,转差机构的行程约0.03mm优良11导叶及轮叶在中间位置时回复机构水平度每米不超过1.00.09mm/m优良12电液转换器差动活塞位置不大于0.02距中间位置-0.01优良13油压变化时电液转换器差动活塞位置不大于0.05小于0.04优良续表项次检查项目允许偏差(mm)

3、实测值(mm)结论合格优良14电液转换器灵敏度符合设计要求0.02VHz优良15电气回路绝缘检查符合GB5015091电气装置安装工程电气设备交接试验标准有关规定2.5M优良16稳压电源输出电压+1%-1%设计值(设计值为48V)48.3-47.8V优良17电气调节器死区、放大系数及线性度符合设计要求(见附页)死区0.002Hz,放大系数2V/0.IHz优良检验结果共检验17项,合格17项,其中优良16项,优良率94.1%评定意见单元工程质量等级主要检查项目全部符合质量标准。一般检查项目中100%符合质量标准。检查项目94.1%达到优良,其中主要检查项目100%达到优良优良测量人X年义月X日施

4、工单位X年X月日建监设理单位X年X月X日注适用范围:工作容量大于等于17652J(1800kgfm),主配阀直径大于80m11者。填表说明填表时必须遵守“填表基本规定”,并符合本部分说明及以下要求。1 .单元工程划分:以一台机组的调速器柜安装调试为一个单元工程。本单元是主要单元工程。2 .单元工程量:填写本单元工程调速器安装量(t)。3 .各项目的检验方法如下。项次检查项目检验方法说明1调速器柜中心用钢卷尺检查测量设备上标记与机组“y基准线距离2调速器柜高程用水准仪钢板尺检查3调速器柜水平度用方型水平仪检查“机调”测飞摆电动机底座(上搁板),“电调”测电液转换器底座(上搁板)4回复机构支座水平

5、度用方型水平仪检查5离心飞摆摆度用百分表检查6缓冲器活塞回复位置用百分表检查7缓冲时间测量回复中间位置最后Imm的时间8缓冲特性曲线录制缓冲特性曲线检查9各指示器及杠杆位置用游标卡尺检查按图纸尺寸进行调整10永态转差系统用百分表检查11导叶及轮叶在中间位置时回复机构水平度用方型水平仪检查12电液转换器差动活塞位置用百分表检查13油压变化时电液转换器差动活塞位置用百分表检查14电液转换器灵敏度录制特性曲线检查15电气回路绝缘检查用兆欧表检查16稳压电源输出电压用电压表检查17电气调节器死区、放大系数及线性度录制关系曲线检查4.GB856488水轮发电才几组安装技术规范。第6.2.2条:d.当永态转差系数(残留不均衡度)指示为零时,回复机构动作全行程,转差机构的行程应为零,其最大偏差不应大于O.05mm。校核该行程应与指示器的指示值一致。5 .设计值按设计图填写,并将设计值用“(”标明。实测值填写实际测量值。6 .合格项目数,指达到合格及以上质量标准的项目个数。7 .单元工程质量标准。合格:主要检查项目全部符合要求,一般检查项目实测点有90%及其以上符合要求,其余虽有微小出入,但不影响使用。优良:检查项目全部符合合格标准,并有50%及其以上检查项目达到优良标准(其中主要检查项目必须达到优良标准)。

展开阅读全文
相关资源
猜你喜欢
相关搜索

当前位置:首页 > 汽车/机械/制造 > 电气技术

copyright@ 2008-2023 1wenmi网站版权所有

经营许可证编号:宁ICP备2022001189号-1

本站为文档C2C交易模式,即用户上传的文档直接被用户下载,本站只是中间服务平台,本站所有文档下载所得的收益归上传人(含作者)所有。第壹文秘仅提供信息存储空间,仅对用户上传内容的表现方式做保护处理,对上载内容本身不做任何修改或编辑。若文档所含内容侵犯了您的版权或隐私,请立即通知第壹文秘网,我们立即给予删除!