风机基础开挖(深基坑)专项技术施工方案.docx

上传人:p** 文档编号:1291848 上传时间:2025-01-16 格式:DOCX 页数:10 大小:112.52KB
下载 相关 举报
风机基础开挖(深基坑)专项技术施工方案.docx_第1页
第1页 / 共10页
风机基础开挖(深基坑)专项技术施工方案.docx_第2页
第2页 / 共10页
风机基础开挖(深基坑)专项技术施工方案.docx_第3页
第3页 / 共10页
风机基础开挖(深基坑)专项技术施工方案.docx_第4页
第4页 / 共10页
风机基础开挖(深基坑)专项技术施工方案.docx_第5页
第5页 / 共10页
风机基础开挖(深基坑)专项技术施工方案.docx_第6页
第6页 / 共10页
风机基础开挖(深基坑)专项技术施工方案.docx_第7页
第7页 / 共10页
风机基础开挖(深基坑)专项技术施工方案.docx_第8页
第8页 / 共10页
风机基础开挖(深基坑)专项技术施工方案.docx_第9页
第9页 / 共10页
风机基础开挖(深基坑)专项技术施工方案.docx_第10页
第10页 / 共10页
亲,该文档总共10页,全部预览完了,如果喜欢就下载吧!
资源描述

《风机基础开挖(深基坑)专项技术施工方案.docx》由会员分享,可在线阅读,更多相关《风机基础开挖(深基坑)专项技术施工方案.docx(10页珍藏版)》请在第壹文秘上搜索。

1、风机基础开挖(深基坑)专项技术施工方案1工程概况工程概况及特点风电场总装机容量为50MH;拟设计安装25台单机容量200OkW的风力发电机组。风电机组多沿山顶、山脊布置,分布高程在165m-326m之间。场区地貌形态属于丘陵地貌区,山体连续,道路沿线多为山坡、山脊,地形坡度般为15-30,局部35。风机机位山顶植被茂密,生长杂草、杂树、灌木。风机的进场道路部分为省道S210,部分村村通县道、乡道,交通条件较好。根据勘测单位报告,风机位地表为第四系残坡积含碎石粘性土、粉质黏土,部分风机位地表可见基岩裸露,下伏古元古扬子期晚期辉绿岩。勘测深度范围内未见地下水,风机位区域存在基岩裂隙水,但埋深较深,

2、对工程建设影响较小,可不考虑地下水对风机影响。2染制依据1危险性较大的分部分项工程安全管理办法建破201837号文件2)中南电力设计院有限公司岩土工程勘测报告3)中南电力设计院有限公司提供的本工程设计图纸等;4) 6建筑基坑支护技术规程3(JGJ120-2012):5) 建筑基坑工程技术规程(YB9258-97);6) 6建筑地基基础设计规范(GBJ50007-2011);7) 建筑地基基础工程施工历量验收规范B(GB50202-2009);8) 建筑基坑监测技术规范(GB50497-2009):9) 6现场施工临时用电安全技术规范(JCJ16-2005)10)建筑地基处理技术规程(JGJ79

3、-2012)11)建筑深基坑工程施工安全技术规范(JGJ3112013)12)4建筑边坡工程技术规范(GB50330-2013)13)其他有关设计计算的规范及规程根据中南电力设计院NA03581S-T0201风机塔筒基础结构图,本工程25台风机基础开挖深度(3.25a)均超过3a但未超过5满足危险性较大的分部分项工程范围中基坑工程中的描述(开挖深度超过3m(含3m)的基坑(槽)的土方开挖、支护、降水工程)。故本方案为风机基础开挖(深基坑)专项方案.3能工部署3.1施工准备在开工前,项目部做好以下总体部署:(1)以项目经理为主,建立深基坑施工管理流程。(2)严格落实设计交底和图纸会审工作,施工前

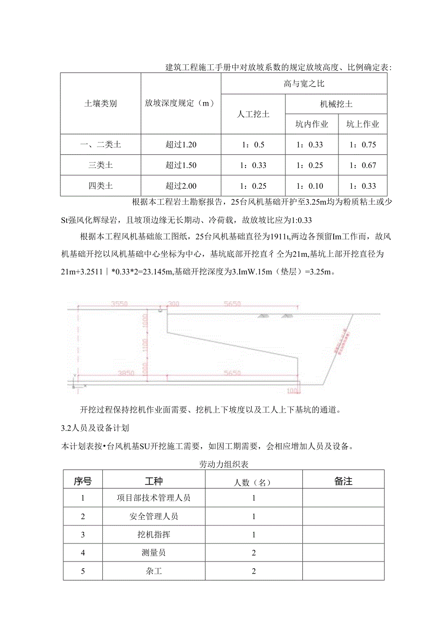
4、应对施工人员进行安全技术交底.(3) 认真分析施工进度计划,准备合理的施工机械与人员。(4)开挖方案的拟定由公路桥涵灌工技术规范4.1.2中表4.1.2表明挖地基不支护加固的坑壁的坡度为:坑壁土类坡蹊无荷载坡顶有静荷我坡顶有动荷我砂类土1:11:1.251:1.5卵石、砾类土1:0.751:11:1.25检质土、粘质土1:0.331:0.51:0.75极软岩1:0.251:0.331:0.67软质岩1:01:0.I1:0.25硬质岩1:01:01:0适用于基坑深度5米以内,坑壁土类按现行G公路土工试验规程3(JTJ051)划分.建筑工程施工手册中对放坡系数的规定放坡高度、比例确定表:土壤类别放

5、坡深度规定(m)高与宽之比人工挖土机械挖土坑内作业坑上作业一、二类土超过1.201:0.51:0.331:0.75三类土超过1.501:0.331:0.251:0.67四类土超过2.001:0.251:0.101:0.33根据本工程岩土勘察报告,25台风机基础开护至3.25m均为粉质粘土或少St强风化辉绿岩,且坡顶边缘无长期动、冷荷载,故放坡比应为1:0.33根据本工程风机基础旅工图纸,25台风机基础直径为1911,两边各预留Im工作而,故风机基础开挖以风机基础中心坐标为中心,基坑底部开挖直彳仝为21m,基坑上部开挖直径为21m+3.2511*0.33*2=23.145m,基础开挖深度为3.I

6、mW.15m(垫层)=3.25m。开挖过程保持挖机作业面需要、挖机上下坡度以及工人上下基坑的通道。3.2人员及设备计划本计划表按台风机基SU开挖施工需要,如因工期需要,会相应增加人员及设备。劳动力组织表序号工种人数(名)备注1项目部技术管理人员12安全管理人员13挖机指挥14测量员25杂工2机械投入表序号名称型号ft*1挖掘机HD820R1台2GPS中海达1台3水准仪1台4it工方法及要点4.1 技术准备施工前组织有关人/熟悉施工图纸及场地的地下土质,做到心中有数。根据基础平面图及基坑开挖方案,定出基坑开挖线,测定高程水准点。对作业人员进行逐级技术交底“4.2 基坑放样由测量人员用全站仪精确测

7、量基槽平面位置,根据桥台底面尺寸及埋置深度、地质水文条件等确定基坑开挖的尺寸.由测量人员定出开挖边桩,连接边桩即为基坑开挖边线。在放样过程中适当加大基坑开口尺寸,以保证在基坑开挖过程中遇到不稳定U时,能够适当加大不稳定土丛的坡率.4.3 基坑开挖1)基坑深度开挖采取不分层挖法,直接装汽车运走或推土机推运。由两台掘挖机配合作业,一台挖掘机将士挖抱至上边挖掘机工作面内,再由上以挖机挖至基坑以外。装汽车运走或推土机运送。2)挖土过程中测量:工程师配合测定标高,当挖土快接近槽底时,用水准仪在槽底作出标记,并撤上白灰线,以示标记。3)开挖时机械挖土、人修坡,开挖过程中,随时用标杆检查边坡坡度是否正确无误

8、。4)挖至距承台底距设计标r约20Cm厚的最后一层上时,采用人工挖除修整,以免超挖后导致土结构受到破坏。另外,要求开挖土方随时运走,不得堆放在基坑附近.4.4 基坑排水如果基坑开挖完毕后仍有少应的地下水涵入。选择在基坑内设置汇水井排水,在基坑现浇基础范圉外的低处挖汇水井,使其低于基坑底面3040cm,并在周围挖边沟,以使整个基坑内的水都流向汇水井。汇水井井壁要采取措施加以保护,避免抽水时汇水井面积的不断扩大,造成汇水井周围的土U塌陷.抽水时需有专人负责汇水井的看护和清理工作。4.5 基坑开挖弃土处理由r基坑面积大且深,,基坑开挖十方不能堆积在基坑周边,因为一是增加基坑壁的压力,二是影响基坑四周

9、的排水,两者都会引起基坑的坦塌,所以基坑弃土需外运。跟据现场实际,基坑弃土适合全部运至相关机位道路路基上,用于道路海工填方.4.6 开挖注意事项D基坑支护结构施工前,先将整个场地进行平整,做好地面排水设施的施工,基坑支护结构施工完成后,开始大面积上方工程海工,土方开挖期间,应做好基坑支护和降水排水工作,及时进行人工修边、,防止土方坍塌。2)挖土过程中测册人员跟班作业,确保不超挖、不少挖,机械开挖应余留约30Cm厚采用人工开挖和修整。开挖前,应对挖机人员进行技术交底,并做好标高控制点,挖土施工作业过程中,须安排专门人员进行现场监督,防止超挖土方。3) 土方开挖后必须外运出去,不得堆在坡顶Iom范

10、围内.5质量保证措施3.1 质量目标:基坑第工质量合格率为Io03.2 质量保证措施1)基坑挖至设计标高后不得长时间暴露、扰动或浸泡。2)开挖过程禁止扰动基底,挖至接近基底标高时预留20Cm由人工进行清理。3)基坑顶面四周设置截水沟,防止地面水流入基坑内。基底不得受水浸泡,其上淤泥或杂物必须清理干净。4)基坑开挖后,对天然基底进行检验才能进行基础施工。3.3 质量检殴评定标准及检验方法基坑开挖项次检查项目规定值或允许偏差检查方法和频率1平面周线位置(mm)不小于图纸要求用经纬仪测量纵横各2点2基底标高(11m)土质50水准仪:冽做58点石质+50.-2003基坑尺寸(Inm)不小于图纸要求用尺

11、量6.4施工过程质汽控制强化质量意识的教育,组织施工人员学习施工设计图纸、质量标准及验收规范。坚持岗前培训及持证上岗制度,坚持“三检、四按、五不准、六做到”,即:D三检:“自检、互检、交接检”:2)四按:“按图纸、按规范、按工艺、按标准”:3).五不准:资料不全不准开工、材料不合格不准进场、测量闭合不符合要求不准使用、上道工序不合格不准进行下道工序、达不到版里标准不准交工验收”;4)六做到:“方案做到合理、技术资料做到齐全、班量检验做到可靠、施工试验做到我实、测量数据做到准确、施工方法做到正确二6安全保证措麓6.1 安全生产目标安全生产目标为:无安全事故。6.2 安全生产保证体系为保证工程顺利

12、实施,项目经理部成立安全生产领导小组,全面负货本工程的安全生产,确保安全措施的落实。6.3 安全管理措施1)开工前准备工作到位(1)研究本工程地质勘查报告,并掌握第一手资料。编制施工方案,有预知性地制定安全防护措施。深基坑开挖方案得到专家论证。(2)配备足够的安全防护品,口哨、安全帽、红绿旗、警示牌、红色警示灯、铁丝网围栏.(3)开工前检查挖掘机、装载机等机械是否处于良好状态、各项制动是否有效,电缆线仃无裸漏情况。2)对全体施工人员进行调工安全技术交底。新工人进场时,三级安全教育到位:(1)由项目经理主持,时新进场工人进行对本工种具有针对性的三级安全教育,让每个工人掌握本工种的操作规程及安全注

13、意事项,使工人明确“生产必须安全,安全促进生产”的基本原则。(2)发安全知识测试考卷进行考核,确认安全教育效果,另外对特种作业人员进行特别培训,要求全部持证上岗。3)班前安全技术交底到位:(1)除了班组自行组织的班前安全活动外,负责该工种的工长(施工员)还用书面形式对班组进行具有针对性的安全技术交底,并履行签字手续。(2)项目专职安全田总结教育和交底内容,再次详细讲解给班组的每个组员,要求做到人人会操作,人人都必须遵守安全纪律、国家有关政策法规和项目部安全管理制度。4)施工过程中的监督、检查、再教育、考核工作到位:(1)在施工过程中,安全员、工长起到监督作用,发现那里出现骈故苗子,及时组织人员

14、消除,并强调杜绝类似事件不再发生.(2)在施工期间,除要求施工班组例行每天的班前自检外,安全员还进行不定期宏查作业情况,发现事故隐患立即勒令班组进行定人、定期限、定措施整改,并落实其整改内容。(3)对有些在施工过程中,安全意识淡化的工人进行再教育。(4)在施工过程中对作业小组进行每天号核,并实施奖罚制度,5)班后总结和改进工作到位:(1)通过每周的项目部安全例会对整体所做工作进行总结,吸取经验,明确贡任目标,将事故隐患消除T无形。(2)对工作中的不足之处进行改进,并采取有效措施进行补救,加大硕防力度。(3)集思广益,接纳各方面具有建设性的建议,并采取实际行动.6.4 安全操作措施1)机械安全(1)机械作业时,施工人员严禁在回转半径内工作,尤其是上方理合人员。施工机械有专人进行统一指挥。(2)施工翻斗车不能行车载人及超载超速。其余各施工机械不能超速及违章作业。前后两车(机械)间距不小于IOn1。(3)夜间施工要有足够的照度,进出口设专人指挥,避免发生交通事故。(4)人工挖掘作业人员横向间距不小丁2m,纵向间距不小3m.(5)挖掘机等施工机械作业时,注意架空线路,不得在架空输电线路工作。2)安全用电措施(1)电工必须持证上岗,严禁非电工人员接电,拉线。(2)施工用电施工用电安装漏电保护装置.(3)吊车由专人指挥,吊车臂下禁止站人,钻机、吊车与高压线保持安全操作距离。(4)施工用电

展开阅读全文
相关资源
猜你喜欢
相关搜索

当前位置:首页 > 建筑/环境 > 设计及方案

copyright@ 2008-2023 1wenmi网站版权所有

经营许可证编号:宁ICP备2022001189号-1

本站为文档C2C交易模式,即用户上传的文档直接被用户下载,本站只是中间服务平台,本站所有文档下载所得的收益归上传人(含作者)所有。第壹文秘仅提供信息存储空间,仅对用户上传内容的表现方式做保护处理,对上载内容本身不做任何修改或编辑。若文档所含内容侵犯了您的版权或隐私,请立即通知第壹文秘网,我们立即给予删除!