塑料杯产品省级监督抽查实施细则.docx

上传人:p** 文档编号:1304671 上传时间:2025-01-16 格式:DOCX 页数:4 大小:13.50KB
下载 相关 举报
塑料杯产品省级监督抽查实施细则.docx_第1页
第1页 / 共4页
塑料杯产品省级监督抽查实施细则.docx_第2页
第2页 / 共4页
塑料杯产品省级监督抽查实施细则.docx_第3页
第3页 / 共4页
塑料杯产品省级监督抽查实施细则.docx_第4页
第4页 / 共4页
亲,该文档总共4页,全部预览完了,如果喜欢就下载吧!
资源描述

《塑料杯产品省级监督抽查实施细则.docx》由会员分享,可在线阅读,更多相关《塑料杯产品省级监督抽查实施细则.docx(4页珍藏版)》请在第壹文秘上搜索。

1、2024年塑料杯产品省级监督抽查实施细则市场监督管理局2024年8月2024年塑料杯产品省级监督抽查实施细则1适用范围本细则适用于塑料杯产品监督抽查,监督抽查产品范围为内流通领域的塑料杯商品。2检验依据凡是注明日期的文件,其随后所有的修改单(不包括勘误的内容)或修订版不适用于本细则。凡是不注明日期的引用文件,其最新版本适用于本细则。GB4806.1-2016食品安全国家标准食品接触材料及制品通用安全要求GB4806.6-2016食品安全国家标准食品接触用塑料树脂GB4806.7-2016食品安全国家标准食品接触用塑料材料及制品GB4806.7-2023食品安全国家标准食品接触用塑料材料及制品现

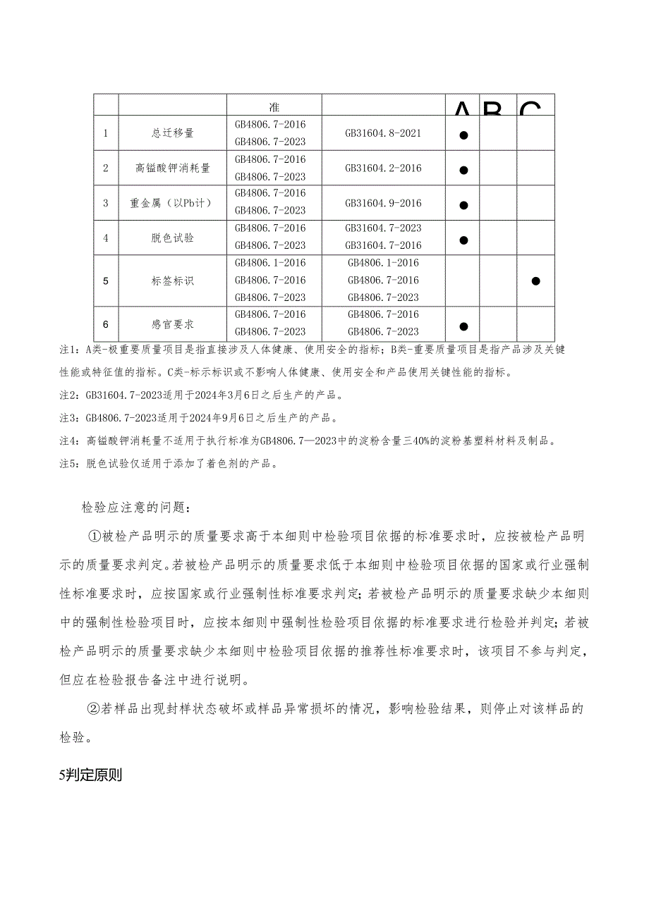
2、行有效的其他标准及产品明示质量要求3抽样抽取样品应为同一型号规格、同一批次的产品。产品抽样数量可根据样品的实际大小,在满足检验的条件下做适当调整;抽取的两份样品分别单独封装,封装后加贴封条,在封条上面应加盖抽样单位公章或抽样专用章,并由双方人员签字,一份作为检验样品,一份作为复检备用样品,留样封存于经营者处。抽样数量见下表序号抽查产品抽样数量1塑料杯不少于8个,6个作为检验样品,2个作为复检备用样品。注:若塑料杯的单个样品标称容积不足200m1.,检验样品和备用样品分别增加2个样品量4检验项目要求塑料杯检验项目序号检验项目依据法律法规或标准检验方法重要程度分类A类B类C类1总迁移量GB4806

3、.7-2016GB4806.7-2023GB31604.8-20212高镒酸钾消耗量GB4806.7-2016GB4806.7-2023GB31604.2-20163重金属(以Pb计)GB4806.7-2016GB4806.7-2023GB31604.9-20164脱色试验GB4806.7-2016GB4806.7-2023GB31604.7-2023GB31604.7-20165标签标识GB4806.1-2016GB4806.7-2016GB4806.7-2023GB4806.1-2016GB4806.7-2016GB4806.7-20236感官要求GB4806.7-2016GB4806.7

4、-2023GB4806.7-2016GB4806.7-2023注1:A类-极重要质量项目是指直接涉及人体健康、使用安全的指标;B类-重要质量项目是指产品涉及关键性能或特征值的指标。C类-标示标识或不影响人体健康、使用安全和产品使用关键性能的指标。注2:GB31604.7-2023适用于2024年3月6日之后生产的产品。注3:GB4806.7-2023适用于2024年9月6日之后生产的产品。注4:高镒酸钾消耗量不适用于执行标准为GB4806.72023中的淀粉含量三40%的淀粉基塑料材料及制品。注5:脱色试验仅适用于添加了着色剂的产品。检验应注意的问题:被检产品明示的质量要求高于本细则中检验项目

5、依据的标准要求时,应按被检产品明示的质量要求判定。若被检产品明示的质量要求低于本细则中检验项目依据的国家或行业强制性标准要求时,应按国家或行业强制性标准要求判定;若被检产品明示的质量要求缺少本细则中的强制性检验项目时,应按本细则中强制性检验项目依据的标准要求进行检验并判定;若被检产品明示的质量要求缺少本细则中检验项目依据的推荐性标准要求时,该项目不参与判定,但应在检验报告备注中进行说明。若样品出现封样状态破坏或样品异常损坏的情况,影响检验结果,则停止对该样品的检验。5判定原则经检验,检验项目全部合格,判定为被抽查产品未发现不合格;检验项目中任一项或一项以上不合格,判定为被抽查产品不合格。其中,

6、当产品存在A类项目不合格或3项及以上B类项目不合格时,属于严重不合格。统一结论用语:(使用以下三者之一): 经抽样检验,所检项目符合XXX标准要求,依据XXX抽查细则,判定为未发现不合格; 经抽样检验,XXX、XXX、XXX项目不符合XXX标准要求,依据XXX抽查细则,判定为不合格; 经抽样检验,XXX、XXX、XXX项目不符合XXX标准要求,依据XXX抽查细则,判定为不合格,属于严重不合格。6异议处理复检对判定不合格产品进行复检时,按以下方式进行:6.1 对不合格项目复检时,可以在原样上检验的在原样上复检,不可以在原样上检验的采用备用样复检。复检结论为最终检验结论。6.2 不进行复检情况:被检方提出复检时,产品在复检有效期内于正常贮存条件下已变质;法律、法规规定不得复检的其他情况。

展开阅读全文
相关资源
猜你喜欢
相关搜索

当前位置:首页 > 行业资料 > 国内外标准规范

copyright@ 2008-2023 1wenmi网站版权所有

经营许可证编号:宁ICP备2022001189号-1

本站为文档C2C交易模式,即用户上传的文档直接被用户下载,本站只是中间服务平台,本站所有文档下载所得的收益归上传人(含作者)所有。第壹文秘仅提供信息存储空间,仅对用户上传内容的表现方式做保护处理,对上载内容本身不做任何修改或编辑。若文档所含内容侵犯了您的版权或隐私,请立即通知第壹文秘网,我们立即给予删除!