小区项目屋面工程设计说明.docx

上传人:p** 文档编号:1306614 上传时间:2025-01-16 格式:DOCX 页数:6 大小:16.65KB
下载 相关 举报
小区项目屋面工程设计说明.docx_第1页
第1页 / 共6页
小区项目屋面工程设计说明.docx_第2页
第2页 / 共6页
小区项目屋面工程设计说明.docx_第3页
第3页 / 共6页
小区项目屋面工程设计说明.docx_第4页
第4页 / 共6页
小区项目屋面工程设计说明.docx_第5页
第5页 / 共6页
小区项目屋面工程设计说明.docx_第6页
第6页 / 共6页
亲,该文档总共6页,全部预览完了,如果喜欢就下载吧!
资源描述

《小区项目屋面工程设计说明.docx》由会员分享,可在线阅读,更多相关《小区项目屋面工程设计说明.docx(6页珍藏版)》请在第壹文秘上搜索。

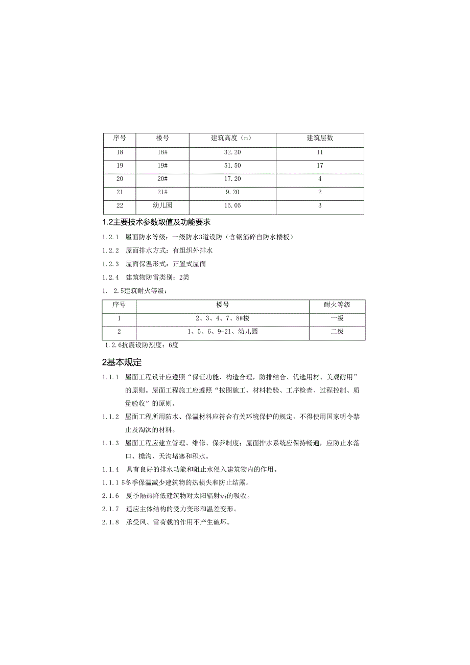
1、序号楼号建筑高度(m)建筑层数1818#32.20111919#51.50172020#17.2042121#9.20222幼儿园15.0531.2主要技术参数取值及功能要求1.2.1 屋面防水等级:一级防水3道设防(含钢筋碎自防水楼板)1.2.2 屋面排水方式:有组织外排水1.2.3 屋面保温形式:正置式屋面1.2.4 建筑物防雷类别:2类1. 2.5建筑耐火等级:序号楼号耐火等级12、3、4、7、8#楼一级21、5、6、9-21、幼儿园二级1.2.6抗震设防烈度:6度2基本规定1.1.1 屋面工程设计应遵照“保证功能、构造合理,防排结合、优选用材、美观耐用”的原则。屋面工程施工应遵照“按图

2、施工、材料检验、工序检查、过程控制、质量验收”的原则。1.1.2 屋面工程所用防水、保温材料应符合有关环境保护的规定,不得使用国家明令禁止及淘汰的材料。1.1.3 屋面工程应建立管理、维修、保养制度;屋面排水系统应保持畅通,应防止水落口、檐沟、天沟堵塞和积水。1.1.4 具有良好的排水功能和阻止水侵入建筑物内的作用。1.1.1 5冬季保温减少建筑物的热损失和防止结露。2.1.6 夏季隔热降低建筑物对太阳辐射热的吸收。2.1.7 适应主体结构的受力变形和温差变形。2.1.8 承受风、雪荷载的作用不产生破坏。小区项目屋面工程设计说明1工程概述1.1 工程概况1.1.1 建设工程名称:建设工程地点:

3、1.1.2 工程建设单位:1.1.3建筑设计单位:1.1.4屋面结构形式:现浇混凝土平屋面1.1.5建筑高度:序号楼号建筑高度(111)建筑层数11#52.501822#78.602733#78.602744#78.602755#52.501866#52.501877#78.602788#78.602799#52.50181010#32.20111111#32.20111212#52.50181313#52.50181414#52.50181515#32.20111616#52.50181717#52.5018低温而变硬变脆。卷材延伸率满足屋面功能情况,不因结构变形大、室内外温差大、有震动等原

4、因造成卷材拉裂而失效。3.4.5 檐口、檐沟、平面与立面结合部位泛水、水落口、伸出屋面管道根部、预埋件、地螺丝等部位结构易发生较大变形、易渗漏和损坏的部位,应设置卷材或涂膜附加层。3.4.6 板端缝、分格缝、构件与构件、构件与配件接缝、构件断面变化处等易拉裂部位,宜选用空铺、点粘、条粘或机械固定等施工方法,空铺宽度不宜小于100n1.n1。3.4.7 屋面坡度较大粘贴防水卷材时,应采用机械固定和对固定点进行密封的方法,严禁提高粘接强度。3.5接缝密封防水设计3.5.1缝填缝密封材料为:耐火密封胶。3.5.2密封材料性能应适应工程所在地温度变化、振动、冲击、错动等产生的变形,且保证密封部位不渗水

5、。3. 5.3密封材料的嵌填深度为接缝宽度的70%;3.6保护层和隔离层设计3.6.1保护层材料为:20mm厚1:2.5水泥砂浆、50m11厚C25细石混凝土3.6.2分格缝纵横间距6m,分格缝宽度为20n11.3.6.3 采用水泥砂浆做保护层时,表面应抹平压光,设表面分格缝,分格面积为InI二3.6.4 采用细石混凝土做保护层时,表面应抹平压光,并应设分格缝,其纵横间距为6m,分格缝宽度为201111,并应用密封材料嵌填。3.6.5 水泥砂浆、细石混凝土保护层与女儿墙或山墙之间,应预留宽度为30mm的缝隙,缝内宜填塞聚苯乙烯泡沫塑料,并应用密封材料嵌填。3.6.6 水泥砂浆、细石混凝土保护层

6、与卷材、涂膜防水层之间,应设置隔离层。隔离层材料为:1OnInI低标号水泥砂浆。4材料选用4.1.1 本工程材料的选择完全符合和遵照业主和建筑师的要求,采用最适合本工程特点及符合各项设计性能、性价比最好的材料。4.1.2 各各种材料的品牌、表面处理方式和颜色必须经业主和建筑师正式书面确认封样后方可批量采购加工2. 1.9具有阻止火势蔓延的性能。3. 1.10满足建筑外形美观和使用的要求。3屋面设计3.1 屋面排水设计3.1.1 屋面应适当划分排水区域,排水路线应简捷,排水应通畅。3.1.2 重力式排水,每个水落口的汇水面积为200m)每个汇水面积内,雨水排水立管不宜少于2根。3.1.3 钢筋混

7、凝土檐沟、天沟净宽度30Omnb分水线处最小深度100mm;天沟、檐沟沟内纵向坡度1%,沟底水落差20On1.n1;檐沟、天沟排水不得流经变形缝和防火墙。3.2 找坡层和找平层设计3.2.1 混凝土结构层采用结构找坡时,坡度5%;采用材料找坡时,坡度为2%。找坡材料最薄处厚度为30刖;材料为1.C5.0陶粒混凝土。3.2.2 找平层厚度为20m11i;材料为1:3水泥砂浆。3. 2.3保温层上的找平层分格缝缝宽为40mm;纵横缝间距为3m3m.3.3 保温层和隔热层设计4. 3.1保温层的类型为:40厚挤塑聚苯板保温。3.3.2保温材料应满足低吸水率、密度小、导热系数低性能,并具备一定强度,防

8、止外力对保温厚度产生较大影响,减少保温变形带来的面材破坏,保温材料含水率应符合当地平衡含水率要求。3 .3.3封闭式保温层或干燥有困难的卷材屋面,增加排气构造措施,每36肝设置1处排气设施。4 .3.4屋顶与外墙、悬挑构件等部位容易产生热桥现象,水分会造成材料保温性能下降,对于屋面容易产生热桥现象部位增加保温构造,避免热桥现象发生。3.4卷材防水层设计3.4.1 防水材料构造为:3+3mm厚SBS改性沥青聚酯胎防水卷材(11型)。3.4.2 SBS改性沥青聚酯胎防水卷材防水卷材之间搭接宽度为100mn1;上下层防水材料接缝间距为1/3幅宽。3.4.3上下层卷材不得相互垂直敷设,上下层涂膜防水应相互垂直涂刷3.4.4卷材或涂料的耐热度和柔性指标应满足本工程环境情况,不因高温而流淌,不因5其它5.1 图纸一般说明5.1.1 无特别标明时,图中尺寸标注的单位为毫米,标高的单位为米,角度的单位为度。图纸标注尺寸为理论尺寸,边角部位加工及安装以现场测量放线尺寸为准。5.1.2勿以比例度量图纸,应以尺寸标注为准。5.1.3 本图必须经业主、建筑设计单位及审图单位正式审核批准后方可用于指导施工。5.1.4 若现场与本图不符,施工单位应及时通知设计师,不得擅自修改处理。

展开阅读全文
相关资源
猜你喜欢
相关搜索

当前位置:首页 > 建筑/环境 > 设计及方案

copyright@ 2008-2023 1wenmi网站版权所有

经营许可证编号:宁ICP备2022001189号-1

本站为文档C2C交易模式,即用户上传的文档直接被用户下载,本站只是中间服务平台,本站所有文档下载所得的收益归上传人(含作者)所有。第壹文秘仅提供信息存储空间,仅对用户上传内容的表现方式做保护处理,对上载内容本身不做任何修改或编辑。若文档所含内容侵犯了您的版权或隐私,请立即通知第壹文秘网,我们立即给予删除!