表面粗糙度与光洁度对照表.docx

上传人:p** 文档编号:1330274 上传时间:2025-03-04 格式:DOCX 页数:7 大小:71.69KB
下载 相关 举报
表面粗糙度与光洁度对照表.docx_第1页
第1页 / 共7页
表面粗糙度与光洁度对照表.docx_第2页
第2页 / 共7页
表面粗糙度与光洁度对照表.docx_第3页
第3页 / 共7页
表面粗糙度与光洁度对照表.docx_第4页
第4页 / 共7页
表面粗糙度与光洁度对照表.docx_第5页
第5页 / 共7页
表面粗糙度与光洁度对照表.docx_第6页
第6页 / 共7页
表面粗糙度与光洁度对照表.docx_第7页
第7页 / 共7页
亲,该文档总共7页,全部预览完了,如果喜欢就下载吧!
资源描述

《表面粗糙度与光洁度对照表.docx》由会员分享,可在线阅读,更多相关《表面粗糙度与光洁度对照表.docx(7页珍藏版)》请在第壹文秘上搜索。

1、参考资料1、外表W度与光浩度对照表2、国内外表光浩度与粗糙度数值换算表3、外表粗糙度国麻标准力口工方法4、外表粗糙度代号标注例如5、外表粗糙度在图样上的注法6、外表粗糙在不同的加工方法中的参考应用外表粗糙度与光洁度对照表中美表面粗糙度对照表中国旧标中国新标美国标美国标港(光洁准(粗糙准儆准(微英度)4度)Ra6.3米)Ra8.00寸),Ra3206.302505.0020053.24.001603.201252.5010061.62.00801.60631.2550V70.81.00400.80320.632580.40.50200.4016 轮廓的平均算术偏差(Ra):通过零件的外表轮廓作一

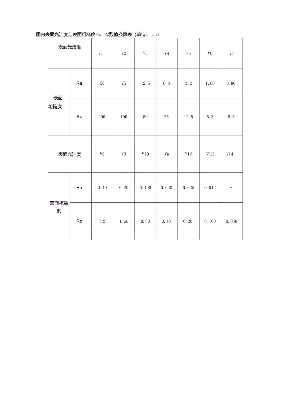
2、中线m,将一定长度的轮廓分成两局部,使中线两侧轮廓线与中线之间所包含的面积相等, 不平度平均高度(RZ):就是在根本测量长度范围内,从平行于中线的任意线起,自被测轮廓上五个最高点至五个最低点的平均距离, 轮廓最大高度Ry:就是在取样长度内,轮廓峰顶线和轮廓谷底线之国内表面光洁度与表面粗糙度Ra、RZ数值换算表(单位:m)表面光洁度VlV2V3V4V5V6V7表面粗糙度Ra502512.56.33.21.600.80Rz200100502512.56.36.3表面光洁度V8V9ViOVnV1213V14表面粗糙度Ra0.400.200.1000.0500.0250.012-Rz3.21.600.

3、800.400.200.1000.050另附:表面粗糙度国际标准加工方法标准等级代号表面粗糙度加工工具(方法)加工材料及硬度要求光度描述粗研磨砂粒粒度精研磨砂粒粒度玷石菖抛光SPI(Al)RaO.005S13654HRC光洁度非常高,镜面效果B40752HRCSPI(A2)RaO.01DF-258HRC光洁度较低,没有砂纸纹XW-IO60HRCSPI(A3)RaO.02S136300HB光洁度更低一级,但没有砂纸纹718SUPREME300HBSPI(Bl)RaO.05没有光高度,有轻微3000#砂延纹SPI(B2)RaO.1没有光高度,有轻微2000#砂纸纹SPI(B3)RaO.2没有光高度

4、,有轻微1000#砂延纹不辨加工痕迹的方向RaO.4精加工:精车椅刨精铳磨较刮微辨加工痕迹的方向RaO.8精加工:精车精创精铳磨较刮可辨加工痕迹的方向Ral.6Ra3.2Ra6.3Ral2.5Ra25Ra50代号意义代号y用任何方法获得的表面粗糙度,Ra的上限值为3.2my冏去除材料的方法J获得的表面粗糙&,度,Ra的上限值为3.2m表g-2表面粗糙度高度参数RZ值的代号标注示例2.表面粗糙度代号标注GB/T1311993规定了表面粗糙度的符号、代号及其注法。表面粗糙度符号(、)上注写所要求的表面特征参数后,即构成表面粗糙度代号.特征参数Ra的表面粗糙度代号标注见表9-1。卜用不去除材料的方,

5、:法获得的表面粗糙兄I度,Ra的上限值为!3.2m一I用至除材料的方法;获得的表面粗糙度,Rm的上限值为W32网的下限值I为1.6m 轮廓的平均算术偏差(Ra):通过零件的外表轮廓作一中线m,将一定长度的轮廓分成两局部,使中线两侧轮廓线与中线之间所包含的面积相等, 不平度平均高度(RZ):就是在根本测量长度范围内,从平行于中线的任意线起,自被测轮廓上五个最高点至五个最低点的平均距离, 轮廓最大高度Ry:就是在取样长度内,轮廓峰顶线和轮廓谷底线之表g-3表面粗糙度在图样上的注法图例说明图例说明代号中数字的方向必须与尺寸数字的方向一致对其中使用最多的一种代(符)号可以统一标注在图样右上角,并加注“

6、其余”两字,且应比图形上其他代(符)号大1.4倍当零件所有表面具有相同的粗糙度时,且代(符)号可在图样的右上角统一标注,且符号应较一般的代号大1.4倍螺纹的表面粗糙度注法各倾斜表面代号的注法,符号的尖端必须从材料外指向表面零件上连续表面及重复要素(孔、槽、齿等)的表面粗糙度只标注一次用细实线相连不连续的表面粗糙度标注一次外表粗糙在不同的加工方法中的参考应用详细资料加工方法规格Ra值um车外圆0.8、1.6、3.2、6.3镇内孔0.8、1.6、3.2、6.3刨0.8、1.6、3.2、6.3平铳组合式0.8、1.6、3.2、6.3端铳0.8、1.6、3.2、6.3磨外圆0.1、0.2、0.4、0.

7、8平磨0.1、0.2、0.4、0.8研磨0.1、0.05、0.025、0.012车外园双组式0.8、1.6、3.2、6.3磨外园0.1、0.2、0.4、0.8镇内孔双组式0.8、1.6、3.2、6.3磨内孔0.1、0.2、0.4、0.8手研单组式0.1、0.05、0.025、0.012电火花线切割单组式0.63、1.25、2.5、5.0、10电火花单组式0.4、0.8、1.6、3.2、6.3、12.5抛光单组式0.8、0.4、0.2、0.1、0.05、0.025、0.012铸造钢铁砂型单组式3.2、6.3、12.5、25、50、100、800、1600抛喷丸0.2、0.4、0.8、1.6、3.2、6.3、12.5、25、50、100喷砂0.8、1.6、3.2、6.3、12.5、25

展开阅读全文
相关资源
猜你喜欢
相关搜索

当前位置:首页 > 汽车/机械/制造 > 制造加工工艺

copyright@ 2008-2023 1wenmi网站版权所有

经营许可证编号:宁ICP备2022001189号-1

本站为文档C2C交易模式,即用户上传的文档直接被用户下载,本站只是中间服务平台,本站所有文档下载所得的收益归上传人(含作者)所有。第壹文秘仅提供信息存储空间,仅对用户上传内容的表现方式做保护处理,对上载内容本身不做任何修改或编辑。若文档所含内容侵犯了您的版权或隐私,请立即通知第壹文秘网,我们立即给予删除!