汽车式起重机安装验收表.docx

上传人:p** 文档编号:1332840 上传时间:2025-03-18 格式:DOCX 页数:1 大小:9.33KB
下载 相关 举报
汽车式起重机安装验收表.docx_第1页
第1页 / 共1页
亲,该文档总共1页,全部预览完了,如果喜欢就下载吧!
资源描述

《汽车式起重机安装验收表.docx》由会员分享,可在线阅读,更多相关《汽车式起重机安装验收表.docx(1页珍藏版)》请在第壹文秘上搜索。

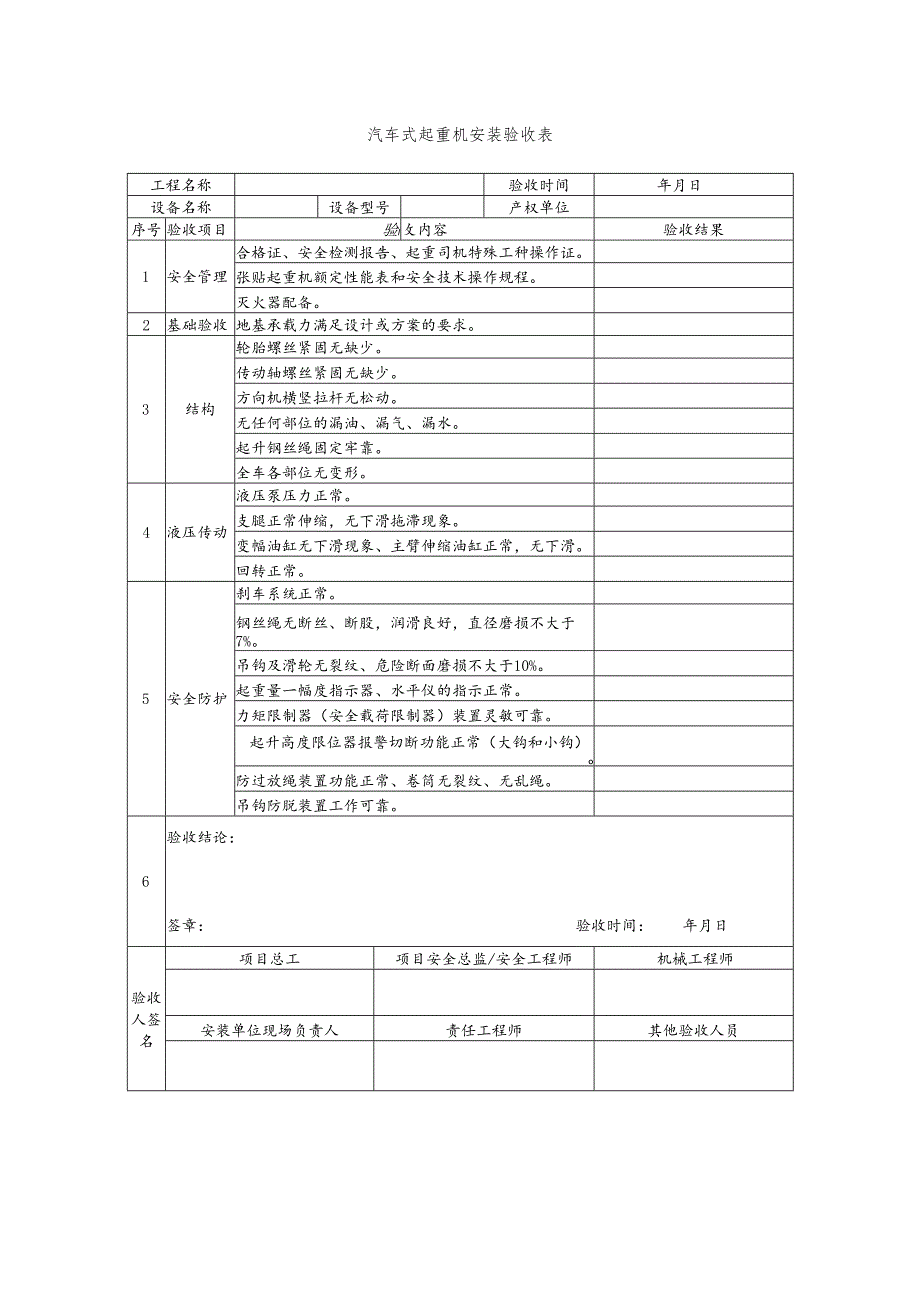
汽车式起重机安装验收表工程名称验收时间年月日设备名称设备型号产权单位序号验收项目验I攵内容验收结果1安全管理合格证、安全检测报告、起重司机特殊工种操作证。张贴起重机额定性能表和安全技术操作规程。灭火器配备。2基础验收地基承载力满足设计或方案的要求。3结构轮胎螺丝紧固无缺少。传动轴螺丝紧固无缺少。方向机横竖拉杆无松动。无任何部位的漏油、漏气、漏水。起升钢丝绳固定牢靠。全车各部位无变形。4液压传动液压泵压力正常。支腿正常伸缩,无下滑拖滞现象。变幅油缸无下滑现象、主臂伸缩油缸正常,无下滑。回转正常。5安全防护刹车系统正常。钢丝绳无断丝、断股,润滑良好,直径磨损不大于7%。吊钩及滑轮无裂纹、危险断面磨损不大于10%。起重量一幅度指示器、水平仪的指示正常。力矩限制器(安全载荷限制器)装置灵敏可靠。起升高度限位器报警切断功能正常(大钩和小钩)O防过放绳装置功能正常、卷筒无裂纹、无乱绳。吊钩防脱装置工作可靠。6验收结论:签章:验收时间:年月日验收人签名项目总工项目安全总监/安全工程师机械工程师安装单位现场负责人责任工程师其他验收人员

展开阅读全文
相关资源
猜你喜欢
相关搜索

当前位置:首页 > 汽车/机械/制造 > 制造加工工艺

copyright@ 2008-2023 1wenmi网站版权所有

经营许可证编号:宁ICP备2022001189号-1

本站为文档C2C交易模式,即用户上传的文档直接被用户下载,本站只是中间服务平台,本站所有文档下载所得的收益归上传人(含作者)所有。第壹文秘仅提供信息存储空间,仅对用户上传内容的表现方式做保护处理,对上载内容本身不做任何修改或编辑。若文档所含内容侵犯了您的版权或隐私,请立即通知第壹文秘网,我们立即给予删除!