柱下独立基础课程设计.docx

上传人:p** 文档编号:1355250 上传时间:2025-07-17 格式:DOCX 页数:28 大小:240.81KB
下载 相关 举报
柱下独立基础课程设计.docx_第1页
第1页 / 共28页
柱下独立基础课程设计.docx_第2页
第2页 / 共28页
柱下独立基础课程设计.docx_第3页
第3页 / 共28页
柱下独立基础课程设计.docx_第4页
第4页 / 共28页
柱下独立基础课程设计.docx_第5页
第5页 / 共28页
柱下独立基础课程设计.docx_第6页
第6页 / 共28页
柱下独立基础课程设计.docx_第7页
第7页 / 共28页
柱下独立基础课程设计.docx_第8页
第8页 / 共28页
柱下独立基础课程设计.docx_第9页
第9页 / 共28页
柱下独立基础课程设计.docx_第10页
第10页 / 共28页
亲,该文档总共28页,到这儿已超出免费预览范围,如果喜欢就下载吧!
资源描述

《柱下独立基础课程设计.docx》由会员分享,可在线阅读,更多相关《柱下独立基础课程设计.docx(28页珍藏版)》请在第壹文秘上搜索。

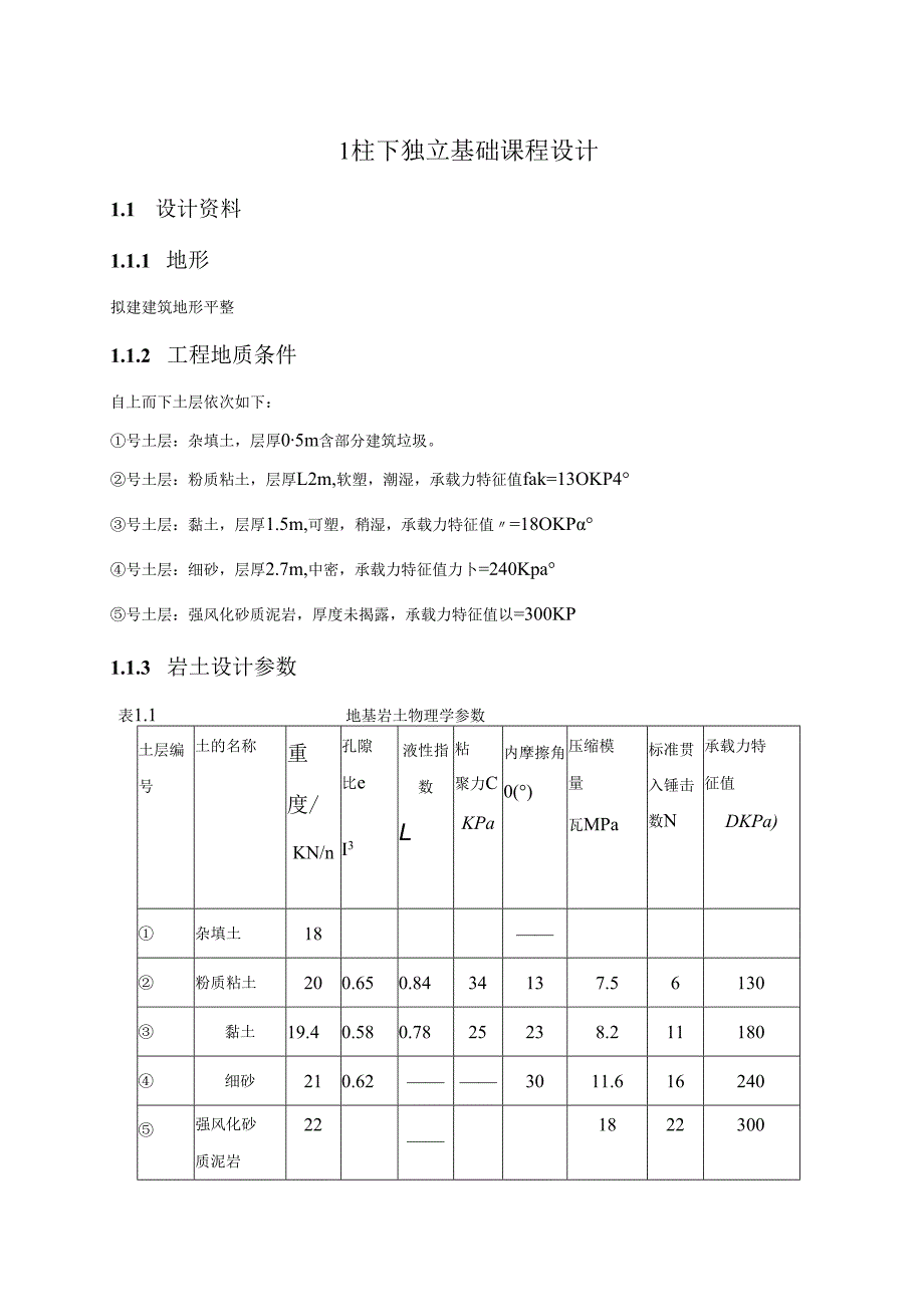
1、1柱下独立基础课程设计1.1 设计资料1.1.1 地形拟建建筑地形平整1.1.2 工程地质条件自上而下土层依次如下:号土层:杂填土,层厚05m含部分建筑垃圾。号土层:粉质粘土,层厚L2m,软塑,潮湿,承载力特征值fak=13OKP4号土层:黏土,层厚1.5m,可塑,稍湿,承载力特征值=18OKP号土层:细砂,层厚2.7m,中密,承载力特征值力卜=240Kpa号土层:强风化砂质泥岩,厚度未揭露,承载力特征值以=300KP1.1.3 岩土设计参数表1.1地基岩土物理学参数土层编号土的名称重度/KN/n孔隙比eI3液性指数L粘聚力CKPa内摩擦角0()压缩模量瓦MPa标准贯入锤击数N承载力特征值DK

2、Pa)杂填土18粉质粘土200.650.8434137.56130黏土19.40.580.7825238.211180细砂210.623011.616240强风化砂质泥岩2218223001.1.4 水文地质条件1)拟建厂区地卜水对混凝土结构无腐蚀性。2)地下水位深度:位于地表下1.5m1.1.5 上部结构材料拟建建筑物为多乂全现浇框架结构,框架柱技面尺寸为50OmmX500画U型外地坪标高同自然地面,室内外高差45OmnU柱网布置图如图1.1所示:1.1.6 材料混凝土强度等级为C25-C3O,钢筋采用尸8235、HPB335级。1.1.7 本人设计资料本人分组情况为第二组第七个,根据分组要

3、求及参考书柱底荷载效应标准组合值及柱底荷载效应基本组合值选用题号B轴柱底荷载.柱底荷载效应标准组合值:R=197OKN,MK=242KN.m,V=95KN柱底荷载效应基本组合值:R=2562KN,M=315KN.m,V=124KN.持力层选用号十J,承我力特征值R=24()KPa,框架柱截面尺寸为500m500mm,室外地坪标高同自然地面,室内外高差450ran.1.2 独立基础设计1.2.1 选择基础材料基础采用C25混凝土,HPB235级钢筋.预估基础高度O.Snu1.2.2 选择基础埋置深度根据柱下独立基础课程设计任务书要求和工程地质资料选取。你、拟建厂区地下水对混凝土结构无腐蚀性,地下

4、水位于地表下L5m取基础底面高时最好取至持力层卜05m,木设计取号土层为持力层,所以考虑取室外地坪到基础底面为0.5+1.2+1.5+0.5=3.7m。由此得基础剖面示意图,如图1.2所示。基础剖面不意图1.2.3 求地基承载力特征值工,根据细砂c=0.62.,7.=0.78,杳表得=2.0,=3.0,基底以上土的加权平均重度为:180.5+20l+(20-10)0.2+(19.4-10)1.5+(21-10)0.53Ym=-=13.68KNInt持力层承载力特征值。(先不考虑对基础宽度修正值)为fu=力*+/几(d0.5)=240+3.0*13.68X(3.7-0.5)=371.328KPa

5、上式d按室外地面算起。1.2.4 初步选择基底尺寸取柱底荷载标准值:FK=1970KMMK=242KNJnN=95KNo计算基础和回填土重GK时的基础埋置深度为d=-(3.7+4.15)=3.925m2基础底面积为AO6.24/1970fa-cd371.33-2.210-1.67520由于偏心不大,基础底面积按20%增大,即A=1.24=1.2x6.24=7.488/初步选定基础底面积A=妨=2.88x2.6=7.488/,且b=2.6m3m不需要再对力进行修正。1.2.5 验算持力层地基承载力基础和回填土重为GK=3dA=(2.210+1.67520)7.488=415.58KN偏心距eKM

6、k242F+G1970+415.58=0.101,满足要求。基底最大压力:Pmax=(+A1970+415.58.160.101.QQUSUC一巾、10,08X(1+)=38562KPa1.2以=445.593KPa)1.2.6 计算基底反力取柱底荷教效应基本组合设计值:F=2562KMM=315KNJn,V=124KN净偏心距为基础边缘处的最大和最小净反力为P:Z=(当%=芸*X(,啜9=4562K*(228IK网)IpI2.ooX2.0Z.oo1.2.7 基础高度柱边基础截面抗冲切验算(见图1.3)冲切验算简图(八)柱下冲切(b)变阶处冲切L=3.6n,b=2.6m,al=b.=().5m

7、.al=0.5Mt初步选定基础高度h=100Onun.分两个台阶,每阶段高度均为40Omn1,h0=I(XX)-40+10)=950mm(有垫层),则取ab=a,+2l0=0.5+20.95=2.4284.2初因此满足要求。1.2.8 变阶处抗冲剪验算由于有at=Z?1=1.5m,a=1.9m,n=500-50=450所以为=4+24)=1.5+20.45=fIAm-(-y-)2一Cz2.881.9、,261.5、2-SC-=456.2(0.45)2.6-(0.45)=42.88KN2222_抗冲切力为07ApXA)=0.71.01.27IO31.950.45=780.10/SV42.88MV

8、因此满足要求。1.2.9 配筋计算1)基础长边方向。对于I-I截面,柱边净反力为l+aPnl=Pmnd-2(PmaxP/min)2Q2f)5=228.1+(456.2-228.1)=321.2x2.88悬臂部分净反力平均值为g(Pmax+P,1)=(456.2+321.05)=388.63Kpa弯矩为M=(曝产hX-j2(2匕+4)19=388.63(2.88-0.5)2(22.6+0.5)=522.82KNJnA.522.82x10-=291L84W0.90.9210950对于HI-III截面(变阶处),有Pni=Pmin+/+6Z2/(P.maxPnin)2Q2_i_1Q=228.1+7-

9、288X(4562-228.1)=359.55Kp12424-3(%:%)(/-al)2(2b+bi)X456.2+359.55X(2_88_L9)2x(22.6+1.5)=109.36KN.mA.109.36106sou”,=1285.83mm20.9v0.9210450比较/和4,应取&配筋,实际配8200,则钢筋根数为As=254.514=3563/m/?/22911.84mm22)基础短边方向。因为该基础受单向偏心荷载作用,所以,在基础短边方向的基底反力可按均匀分布计算,取Pn=,月2+,min)=(456.2+228.1)=342.15KPa与长边方向的配筋计算方法相同,对于11-1

10、1截面(柱边)的计算配筋值Av2=1458.24wh2,IV-IV截面(变阶处)的计算配筋值%=1058.24如?。因此按As在短边方向配筋,实际配加2140.钢筋根数为28801n=1-1=1718Av=l13.117=1922.711m21458.24,加川1.2.10 基础配筋大样图基础配筋大样图如图A3图纸Ol所示。1.2.11 确定A、C两轴柱子基础底面尺寸由柱下独立基础课程设计任务书得:7号题A、C两柱子基底荷载分布如下。A轴:&=1339KN,M*=284KNMM=96KNC轴:Fk=I560KN,Mli=355KN.in,Vll=89KN由前面计算得持力层承载力特征值,=371

11、.328KPa,计算回填土重Gk时的基础埋置深度d=3.925m,A轴基础底面积为,Fk1339“彳2A1=4.24nfa-Gll371.328-2.2x10-1.675x20基础底面积按20%增大,即A=L24=1.2X4.24=5.09n2初步选定基础底面面积A=/6=3.2x3=9.445.09m2,Kb=3,不需要对力进行修正。1.2.12 设计图纸根据以上计算,可以绘制出基础平面布置图B轴柱子基础大样图(见图纸01)2桩基础课程设计2.1设计资料2.1.1地形拟建建筑场地地势平坦,局部堆有建筑垃圾。2.1.2工程地质条件自上而下土层依次如下:号土层:素填土,层厚l5m,稍湿,松软,承

12、载力特征值Lk=95KPa。号土层:淤泥质土,层厚3.3m,流塑,承载力特征值fak=65KPa0号土层:粉砂,层厚6.6m,稍密,承载力特征值几=IlOKPa。号土层:粉质粘土,层厚4.2m,湿,可塑,承载力特征值以=165KPa。号土层:粉砂层,钻孔未穿透,承载力特征值以=280KPa。2.1.3岩土设计技术参数表2.1地基岩土物理力学参数土层编号上的名称孔隙比e含水量W(%)液性指数I1标准贯入锤击数N(次)压缩模量ES(MPa)素填土5.0淤泥质土1.0462.41.083.8粉砂0.8127.6147.5粉质粘土0.7931.20.749.2粉砂层0.583116.8表2.2装的极限侧阻力标准值人和极限端阻力标准值.土层编号士的名称桩的侧阻力夕”桩的端阳力外素填土22淤泥质上28粉砂45粉质粘土60900粉砂层7524002.1.4水文地质条件拟建厂区地下水对混凝土结构无腐蚀性。地下水位深度:位丁地表下3.5m.2.1.5场地条件建筑物所处场地抗震设防烈度为7度,场地内无可液化砂上、粉土。2.1. 6上部结构资料拟建建筑物为六层钢筋混凝土框架结构,长30m,宽9.6m。室外地坪标高同自然地面,室内外高差45O

展开阅读全文
相关资源
猜你喜欢
相关搜索

当前位置:首页 > 外语学习 > 托福

copyright@ 2008-2023 1wenmi网站版权所有

经营许可证编号:宁ICP备2022001189号-1

本站为文档C2C交易模式,即用户上传的文档直接被用户下载,本站只是中间服务平台,本站所有文档下载所得的收益归上传人(含作者)所有。第壹文秘仅提供信息存储空间,仅对用户上传内容的表现方式做保护处理,对上载内容本身不做任何修改或编辑。若文档所含内容侵犯了您的版权或隐私,请立即通知第壹文秘网,我们立即给予删除!