人工挖土技术交底记录.docx

上传人:p** 文档编号:183925 上传时间:2023-04-04 格式:DOCX 页数:6 大小:28.35KB
下载 相关 举报
人工挖土技术交底记录.docx_第1页
第1页 / 共6页
人工挖土技术交底记录.docx_第2页
第2页 / 共6页
人工挖土技术交底记录.docx_第3页
第3页 / 共6页
人工挖土技术交底记录.docx_第4页
第4页 / 共6页
人工挖土技术交底记录.docx_第5页
第5页 / 共6页
人工挖土技术交底记录.docx_第6页
第6页 / 共6页
亲,该文档总共6页,全部预览完了,如果喜欢就下载吧!
资源描述

《人工挖土技术交底记录.docx》由会员分享,可在线阅读,更多相关《人工挖土技术交底记录.docx(6页珍藏版)》请在第壹文秘上搜索。

1、技术交底记录工程名称交底部位工程编号I日期交底内容:人工挖土本技术交底内容适用于一般工业及民用建筑物、构筑物的基坑(槽)和管沟等人工挖土工程。1 .主要机具主要机具有:尖、平头铁锹、手锤、手推车、梯子、铁镐、撬棍、钢尺、坡度尺、小线或20#铅丝等。2 .作业条件(1) 土方开挖前,应根据施工方案的要求,将施工区域内的地上、地下障碍物清除和处理完毕。(2)建筑物或构筑物的位置或场地的定位控制线(桩)、标准水平桩及基槽的灰线尺寸,必须经过检验合格,并办完预检手续。(3)场地要清理平整,做好排水坡度,在施工区域内,要挖临时性排水沟。(4)夜间施工时,应合理安排工序,防止错挖或超挖。施工场地应根据需要

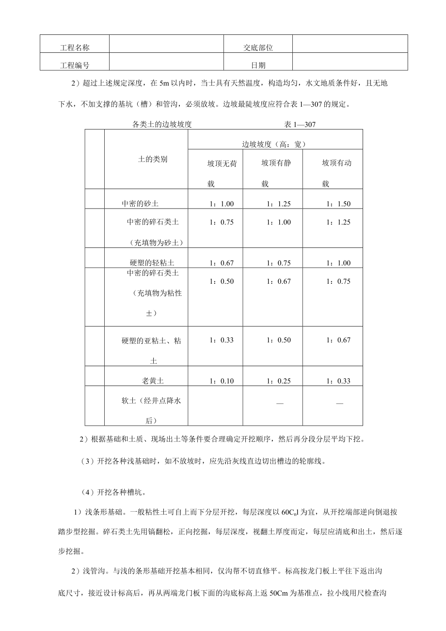
2、安装照明设施,在危险地段应设置明显标志。(5)开挖低于地下水位的基坑(槽),管沟时,应根据当地工程地质资料,采取措施降低地下水位,一般要降至低于开挖底面的0.5m,然后再开挖。3 .操作工艺工艺流程:确定开挖顺序和坡度一沿灰线切出槽边轮廓线一分层开挖一修整槽边一清底(1)坡度的确定1)在天然湿度的土中,开挖基坑(槽)和管沟时,当挖土深度不超过下列数值规定时可不放坡,不加支撑。(a)密实、中密的砂土和碎石类土(充填物为砂土)一1.0m;(b)硬塑、可塑的轻亚粘土及亚粘土一1.25m;(c)硬塑、可塑的粘土和碎石类土(充填物为粘性土)-1.5m;(d)坚硬的粘土一2.Omo工程名称交底部位工程编号

3、日期2)超过上述规定深度,在5m以内时,当士具有天然温度,构造均匀,水文地质条件好,且无地下水,不加支撑的基坑(槽)和管沟,必须放坡。边坡最陡坡度应符合表1307的规定。各类土的边坡坡度表1307土的类别边坡坡度(高:宽)坡顶无荷载坡顶有静载坡顶有动载中密的砂土1:1.001:1.251:1.50中密的碎石类土(充填物为砂土)1:0.751:1.001:1.25硬塑的轻粘土1:0.671:0.751:1.00中密的碎石类土(充填物为粘性)1:0.501:0.671:0.75硬塑的亚粘土、粘土1:0.331:0.501:0.67老黄土1:0.101:0.251:0.33软土(经井点降水后)2)根

4、据基础和土质、现场出土等条件要合理确定开挖顺序,然后再分段分层平均下挖。(3)开挖各种浅基础时,如不放坡时,应先沿灰线直边切出槽边的轮廓线。(4)开挖各种槽坑。1)浅条形基础。一般粘性土可自上而下分层开挖,每层深度以60Cnl为宜,从开挖端部逆向倒退按踏步型挖掘。碎石类土先用镐翻松,正向挖掘,每层深度,视翻土厚度而定,每层应清底和出土,然后逐步挖掘。2)浅管沟。与浅的条形基础开挖基本相同,仅沟帮不切直修平。标高按龙门板上平往下返出沟底尺寸,接近设计标高后,再从两端龙门板下面的沟底标高上返50Cm为基准点,拉小线用尺检查沟工程名称交底部位工程编号日期底标高,最后修整沟底。3)开挖放坡的坑(槽)和

5、管沟时,应先按施工方案规定的坡度粗略开挖,再分层按坡度要求做出坡度线,每隔3m左右做出一条,以此为准进行铲坡。深管沟挖土时,应在沟帮中间留出宽80Cm左右的倒土台。4)开挖大面积浅基坑时,沿坑三面开挖,挖出的土方装入手推车或翻斗车,由未开挖的一面运至弃土地点。(5)开挖基坑(槽)或管沟,当接近地下水位时,应先完成标高最低处的挖方,以便在该处集中排水,开挖后,在挖到距槽底50Cm以内时,测量放线人员应配合抄出距槽50Cnl平线;自每条槽端部20cm处每隔23m,在槽帮上钉水平标高小木撅。在挖至接近槽底标高时,用尺或事先量好的50cm标准尺杆,随时以小木撅上平校核槽底标高。最后由两端轴线(中心线)

6、引桩拉通线、检查距槽边尺寸,确定槽宽标准,据此修整槽帮,最后清除槽底土方,修底铲平。(6)基坑(槽)、管沟的直立帮和坡度,在开挖过程和敞露期间应防止塌方,必要时应加以保护。在开挖槽边弃土时,应保证边坡和直立帮的稳定。当土质良好时,抛于槽边的土方(或材料),应距槽(沟)边缘08m以外,高度不宜超过1.5m。在柱基周围、墙基或围墙一侧,不得堆土过高。(7)开挖基坑(槽)的土方,在场地有条件堆放时,留足同填需用的好土,多余的土方运出,避免二次搬运。(8) 土方开挖一般不宜在雨季进行,否则工作面不宜过大,应分段逐片的分期完成。雨期开挖基坑(槽)或管沟时,应注意边坡稳定,必要时可适当放缓边坡或设置支撑。

7、同时应在坑(槽)外侧围以土堤或开挖水沟,防止地面水流入。施工时应加强对边坡、支撑、土堤等的检查。(9) 土方开挖不宜在冬期施工。如必须在冬期施工时,其施工方法应按冬施方案进行。采用防止冻结法开挖土方时,可在冻结前用保温材料覆盖或将表层土翻耕耙松,其翻耕深度应根据当地气候条件确定,一般不小于O.3mo开挖基坑(槽)或管沟时,必须防止基础下的基土遭受冻结,如基坑(槽)开挖完毕至地基施工或埋设管道之间,有较长的停歇时间,应在基底标高以上预留适当厚度的松土,或用其他保温材料覆盖。地基不得受冻。如遇开挖土方引起邻近构筑物(建筑物)的地基和基础暴露时,应采取防冻措施,以防产生冻结破坏。4.质量标准工程名称

8、交底部位工程编号日期(I)保证项目柱基、基坑、基槽和管沟基底的土质必须符合设计要求,并严禁扰动。(2)允许偏差项目(见表)基坑、管沟外形尺寸允许偏差邛项目允许偏差(mm)检验方法1标高+0-50用水准仪检查2长度、宽度0由设计中心向两边量、拉线和尺量检查3边坡偏陡不允许坡度尺检查5.成品保护1)对定位标准、轴线引桩、标准水准点、龙门板等,挖运时不得碰撞,也不得坐在龙门板上休息。并应经常测量和校核其面位置、水平标高和边坡坡度是否符合设计要求。定位标准和标准水准点,也应定期复测,检查是否正确。(2)土方开挖时,应防止邻近已有建筑物或构筑物、道路、管线等发生下沉或变形。必要时与设计单位或建设单位协商

9、采取防护措施,并在施工中进行沉降和位移观测。(3)施工中如发现有文物或古墓等,应妥善保护,并应立即报请当地有关部门处理后,方可继续施工。如发现有测量用的永久性标桩或地质、地震部门设置的长期观测点等,应加以保护。在敷设地上或地下管道、电缆的地段进行土方施工时,应事先取得有关管理部门的书面同意,施工中应采取措施,以防止损坏管线。6.应注意的质量问题(1)基底超挖:开挖基坑(槽)或管沟不得超过基底标高,如个别地方超挖时,其处理方法应取得设计单位的同意。(2)软土地区桩基挖土应注意的问题;在密集群桩上开挖基坑时,应在打桩完成后间隔一段时交底部位工程名称工程编号I日期间,再对称挖土。在密集桩附近开挖基坑(槽)时,应采取措施防止桩基位移。(3)基底未保护:基坑(槽)开挖后,应尽量减少对基土的扰动。如基础不能及时施工时,可在基底标高以上留0.3土层,待作基础时再挖。(4)施工顺序不合理:土方开挖宜先从低处开挖,分层分段依次进行,形成一定坡度,以利排水。(5)开挖尺寸不足:基坑(槽)或管沟底部的开挖宽度,除结构宽度外,应根据施工需要增加工作面宽度。如排水设施,支撑结构的所需宽度。(6)基坑(槽)或管沟边坡不直不平、基底不平:应加强检查,随挖随修,并要认真验收。技术负责人:交底人:接交人:

展开阅读全文
相关资源
猜你喜欢
相关搜索

当前位置:首页 > 建筑/环境 > 岩土与地质勘察

copyright@ 2008-2023 1wenmi网站版权所有

经营许可证编号:宁ICP备2022001189号-1

本站为文档C2C交易模式,即用户上传的文档直接被用户下载,本站只是中间服务平台,本站所有文档下载所得的收益归上传人(含作者)所有。第壹文秘仅提供信息存储空间,仅对用户上传内容的表现方式做保护处理,对上载内容本身不做任何修改或编辑。若文档所含内容侵犯了您的版权或隐私,请立即通知第壹文秘网,我们立即给予删除!