氨制冷类压力容器压力管道使用安全管理相关检查记录表格.docx

上传人:p** 文档编号:185032 上传时间:2023-04-04 格式:DOCX 页数:20 大小:50.88KB
下载 相关 举报
氨制冷类压力容器压力管道使用安全管理相关检查记录表格.docx_第1页
第1页 / 共20页
氨制冷类压力容器压力管道使用安全管理相关检查记录表格.docx_第2页
第2页 / 共20页
氨制冷类压力容器压力管道使用安全管理相关检查记录表格.docx_第3页
第3页 / 共20页
氨制冷类压力容器压力管道使用安全管理相关检查记录表格.docx_第4页
第4页 / 共20页
氨制冷类压力容器压力管道使用安全管理相关检查记录表格.docx_第5页
第5页 / 共20页
氨制冷类压力容器压力管道使用安全管理相关检查记录表格.docx_第6页
第6页 / 共20页
氨制冷类压力容器压力管道使用安全管理相关检查记录表格.docx_第7页
第7页 / 共20页
氨制冷类压力容器压力管道使用安全管理相关检查记录表格.docx_第8页
第8页 / 共20页
氨制冷类压力容器压力管道使用安全管理相关检查记录表格.docx_第9页
第9页 / 共20页
氨制冷类压力容器压力管道使用安全管理相关检查记录表格.docx_第10页
第10页 / 共20页
亲,该文档总共20页,到这儿已超出免费预览范围,如果喜欢就下载吧!
资源描述

《氨制冷类压力容器压力管道使用安全管理相关检查记录表格.docx》由会员分享,可在线阅读,更多相关《氨制冷类压力容器压力管道使用安全管理相关检查记录表格.docx(20页珍藏版)》请在第壹文秘上搜索。

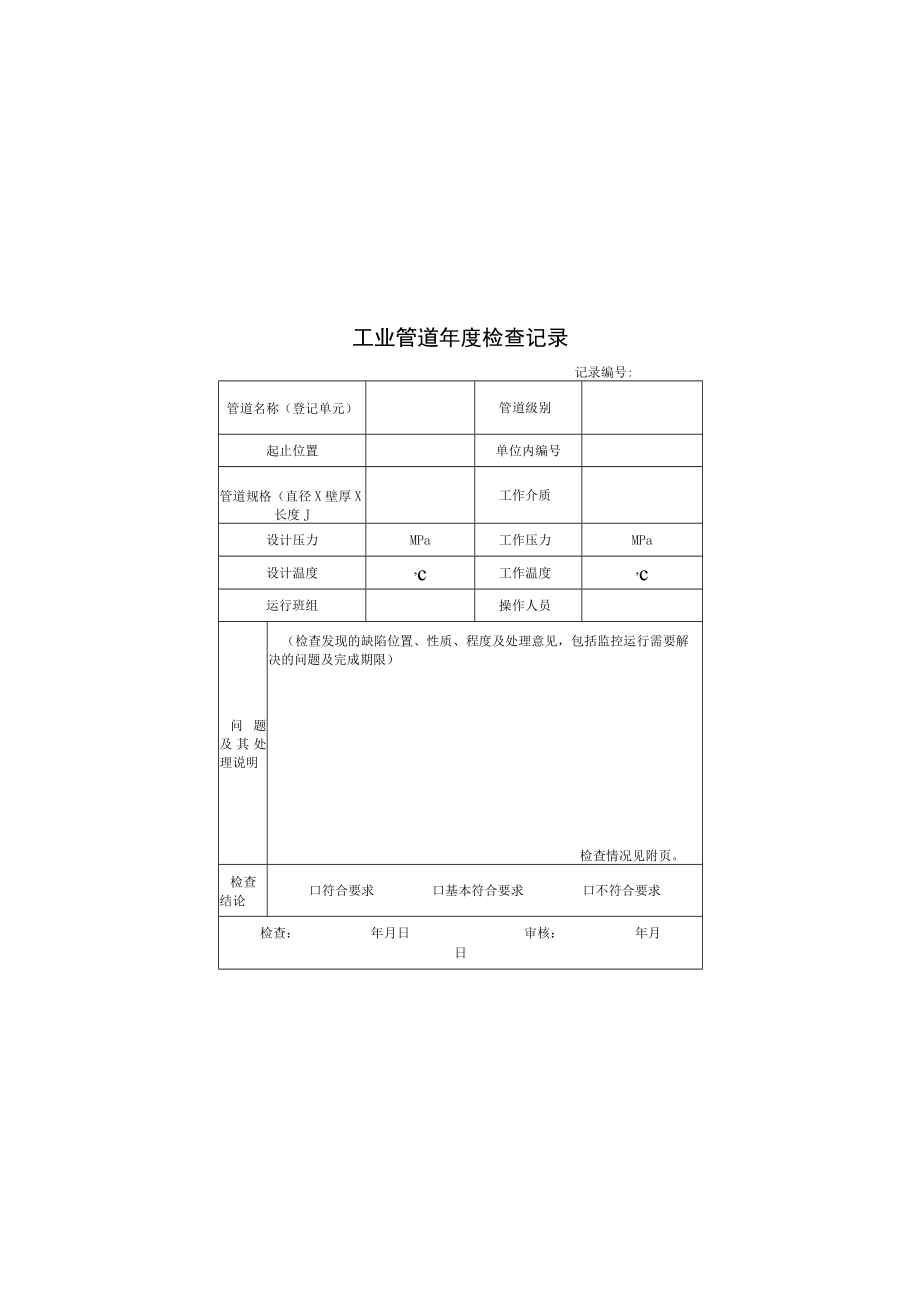
1、相关检查记录表格(见附表,通用类表格略去)表1:工业管道年度检查记录表2:工业管道巡回检查记录表3:压力容器年度检查记录表4:压力容器月度检查记录表5:移动式压力容器卸车记录工业管道年度检查记录记录编号:管道名称(登记单元)管道级别起止位置单位内编号管道规格(直径X壁厚X长度J工作介质设计压力MPa工作压力MPa设计温度,c工作温度,c运行班组操作人员问题及其处理说明(检查发现的缺陷位置、性质、程度及处理意见,包括监控运行需要解决的问题及完成期限)检查情况见附页。检查结论口符合要求口基本符合要求口不符合要求检查:年月日审核:年月日共页第页工业管道年度检查记录附页(1)记录编号:检查项目及内容检

2、查结果备注安全管理情况1安全管理制度、安全操作规程2设计文件、安装竣工图、质量证明文件、监督检验证书以及安装、改造、维修资料3安全管理人员持证情况4日常维护、运行、定期安全检查记录5年度检查、定期检验报告及问题处理情况6安全附件及仪表的校验(检定)、修理和更换记录7应急预案和演练记录8事故、故障以及处理情况记录管道本体及运行状况9管道漆色、标志10管道组成件及其焊接接头裂纹、过热、变形、泄漏、损伤等缺陷11外表面腐蚀、结霜、结露等情况12管道异常振动,管道与相邻构件之间相互摩擦、磨损等情况13隔热层破损、脱落,防腐层破损等情况(必要时采用红外热成像检测)14支架与管道接触处积水15阀门表面腐蚀

3、,阀体表面裂纹、严重缩孔,连接螺栓松动16放空(气)阀和排污(水)阀设置,异常集气、积液等情况17法兰偏I1、异常翘曲、变形、泄漏,紧固件缺失、松动、腐蚀等情况18对有阴极保护装置的管道,阴极保护装置完好情况注:无问题或合格的检查项目在检查结果栏打“J”;有问题或不合格的检查项目在检行结果栏打“X”,并在备注或记事栏中说明;实际没有的检查项目在检查结果栏填写“无此项”;无法检查的项目在检查结果栏划“一”,并且在备注栏中说明原因。检查:年月日审核:年月日共页第页工业管道年度检查记录附页(2)记录编号:检查项目及内容检查结果备注安全附件与仪表检查19安全阀选型20校验有效期,整定压力21弹簧式安全

4、阀调整螺钉铅封22安全阀与排放口之间截断阀开启及铅封23泄漏24放空管畅通情况,防雨帽完好情况25爆破片使用期限26安装方向27铭牌上爆破压力和温度的符合性28泄漏29运行异常(未超压爆破或超压未爆破)30放空管畅通情况,防水帽、防雨片完好情况31爆破片装置与管道之间截断阀开启及铅封32爆破片装置和安全阀串联使用性能33铭牌34泄漏及其他异常情况检查项目及内容检查结果备注35断阀过流保护装置动作检查安全附件与仪表检查36压力表选型37检定有效期及铅封情况38外观、精度等级、量程、表盘直径符合性39三通旋塞或者针型阀的位置、开启标记及其锁紧装置40同一系统上各压力表读数合理性41测温仪表定期校验

5、和检修42量程与其检测的温度范围的匹配程度43测温仪表与其二次仪表外观其他记用T:注:无问题或合格的检查项目在检查结果栏打“J”:有问题或不合格的检查项目在检查结果栏打“X”,并在备注或记事栏中说明:实际没有的检查项目在检查结果栏填写“无此项”:无法检查的项目在检查结果栏划“一”,并且在备注栏中说明原因。检查项目及内容检查结果备注检查:年月日审核:年月日共页第页壁厚检测记录(3)记录编号:设备或部件名称部件编号仪器型号材质仪器精度mm表面状况仪器编号设定声速m/s耦合剂实测点数点名义壁厚mm测小度实最厚mmmmnunmmnun检测标准评定依据测厚点部位示意图(可另附图):说明:测点%;测点厚度

6、(mm)测点编号点度In)测厚(l测点编号测点厚度Crnm)测点编号测点厚度(mm)结论:注:L测厚记录表格不够时,可按测厚记录格式增加续页;2.名义厚度和实测最小厚度的栏目根据实际的测定部位的情况填写。检查:年月日审核:年月日共页第页附加检验记录(4)记录编号:导静电装置检查测试仪器型号仪器精度仪器编号导静电电阻(100)Q连接处电阻(0.03Q)Q电阻值测量部位示意图(必要时附文字说明):检测结果:检查:年月日审核:年月日共页第页在用工业管道单线图(6)记录编号:审核:共页第页工业管道巡回检查记录检查人:检查日期:年月日单位内编号管道名称(登记单元)工作介质允许工作参数实际工作参数检查项目

7、(见说明)及结果压力(MPa)温度()压力(MPa)温度()1234567891011记事:注:实际工作参数填写具体数字。检查结果填写:无问题的项目打“J”;有问题的项目打“X”,并在记事栏中说明:实际没有的项目填写“一”。说明:巡回检查项目除各项操作参数外,有:1.管道系统运行是否平稳:2.管子、管件及阀门是否泄漏;3.防腐层、保温层是否完好;4.管道是否产生振动、位移:5.管道支、吊架及支承是否紧固、是否产生腐蚀,管架及基础是否完好:6.管道之间、管道与相邻构件是否产生碰摩;7.阀门等操作机构操作是否灵活;8.安全阀、压力表、爆破片等安全附件是否完好,是否在有效期内:9.静电跨接、静电接地

8、、抗腐蚀阴阳极保护装置是否完好:10.地表及周围环境是否符合要求;11.管道标识是否清晰。压力容器年度检查记录记录编号:容器名称容器类别单位内编号工作介质设计压力MPa工作压力MPa设计温度4C工作温度4C设计液位高度m实际液位高度m运行班组操作人员问题及其处理说明(检查发现的缺陷位置、性质、程度及处理意见,包括监控运行需要解决的问题及完成期限)检查情况见附页。检查结论符合要求口基本符合要求口不符合要求检查:年月日审核:年月I共页第页压力容器年度检查记录附页(1)记录编号:检查项目检查结果备注容器管理1安全管理制度、安全操作规程是否齐全2设计、制造、安装、改造、维修等资料是否完整3使用登记表、

9、使用登记证是否与实际相符4作业人员持证情况5Fl常维护保养、运行、定期安全检查记录6年度检查、定期检验报告及问题处理情况7安全附件及仪表的定检(校验)、修理和更换记录检查项目检查结果备注8是否有应急专项预案和演练记录9压力容器事故、故障情况记录容器本体及运行情况10产品铭牌及其有关标志是否符合规定11本体、接口(阀门、管路)部位、焊接(粘接)接头等有无裂纹、过热、变形、泄漏、机械接触损伤等情况检查12外表面有无腐蚀、结霜、结露情况检查13隔热层有无破损、脱落、潮湿、跑冷情况检查14检漏孔、信号孔有无漏液、漏气,检漏孔是否通畅15压力容器与相邻管道或者构件异常振动、响声或者相互摩擦情况检行容器本

10、体及运行情况16支承或者支座、基础、紧固螺栓检查17排放(疏水、排污)装置检查18运行期间超压、超温、超量等情况检查19罐体接地装置检查20监控措施是否有效实施情况检查注:检查结果栏填写:无问题的项目打J;有问题的项目打“X”,并在备注或记事栏内说明:实际没有的项目填写“无此项”:无法检查的项目划-O检查:年月日审核:年月日共页第页压力容器年度检查记录附页(2)记录编号:检查项目检查结果备注安全附件21压力表22液位计23测温仪表24爆破片装置25安全阀其他记事:注:检查结果栏填写:无问题的项目打“J”;有问题的项目打“X”,并在备注或记事栏内说明:实际没有的项目填写“无此项”;无法检杳的项目

11、划a99-O检查:年月日审核:年月日共页第页压力容器月度检查记录记录编号:容器名称容器类别单位内编号工作介质设计压力MPa工作压力MPa设计温度eC工作温度C设计液位高度m实际液位高度m运行班组操作人员问题及其处理说明(检查发现的缺陷位置、性质、程度及处理意见,包?解决的问题及完成期限)检j否监控运行需要直情况见附页。检查结论符合要求基本符合要求口不符合要求检查:日期:年月日共页第页压力容器月度检查记录附页记录编号:检查项目检查结果备注容器本体及运行情况1本体、接口(阀门、管路)部位、焊接接头等有无裂纹、过热、变形、泄漏、机械接触损伤等检查2外表面有无腐蚀、结霜、结露情况检查3隔热层有无破损、脱落、潮湿、跑冷情况检查4检漏孔、信号孔有无漏液、漏气,检漏孔是否通畅5压力容器与相邻管道或者构件异常振动、响声或者相互摩擦情况检查6支承或者支座、基础、紧固螺栓检查7排放(疏水、排污)装置检查8运行期间超压、超温、超量等情况检查

展开阅读全文
相关资源
猜你喜欢
相关搜索

当前位置:首页 > 建筑/环境 > 给排水/暖通与智能化

copyright@ 2008-2023 1wenmi网站版权所有

经营许可证编号:宁ICP备2022001189号-1

本站为文档C2C交易模式,即用户上传的文档直接被用户下载,本站只是中间服务平台,本站所有文档下载所得的收益归上传人(含作者)所有。第壹文秘仅提供信息存储空间,仅对用户上传内容的表现方式做保护处理,对上载内容本身不做任何修改或编辑。若文档所含内容侵犯了您的版权或隐私,请立即通知第壹文秘网,我们立即给予删除!