3、高处作业吊篮安装安全验收表.docx

上传人:p** 文档编号:200336 上传时间:2023-04-16 格式:DOCX 页数:2 大小:18.02KB
下载 相关 举报
3、高处作业吊篮安装安全验收表.docx_第1页
第1页 / 共2页
3、高处作业吊篮安装安全验收表.docx_第2页
第2页 / 共2页
亲,该文档总共2页,全部预览完了,如果喜欢就下载吧!
资源描述

《3、高处作业吊篮安装安全验收表.docx》由会员分享,可在线阅读,更多相关《3、高处作业吊篮安装安全验收表.docx(2页珍藏版)》请在第壹文秘上搜索。

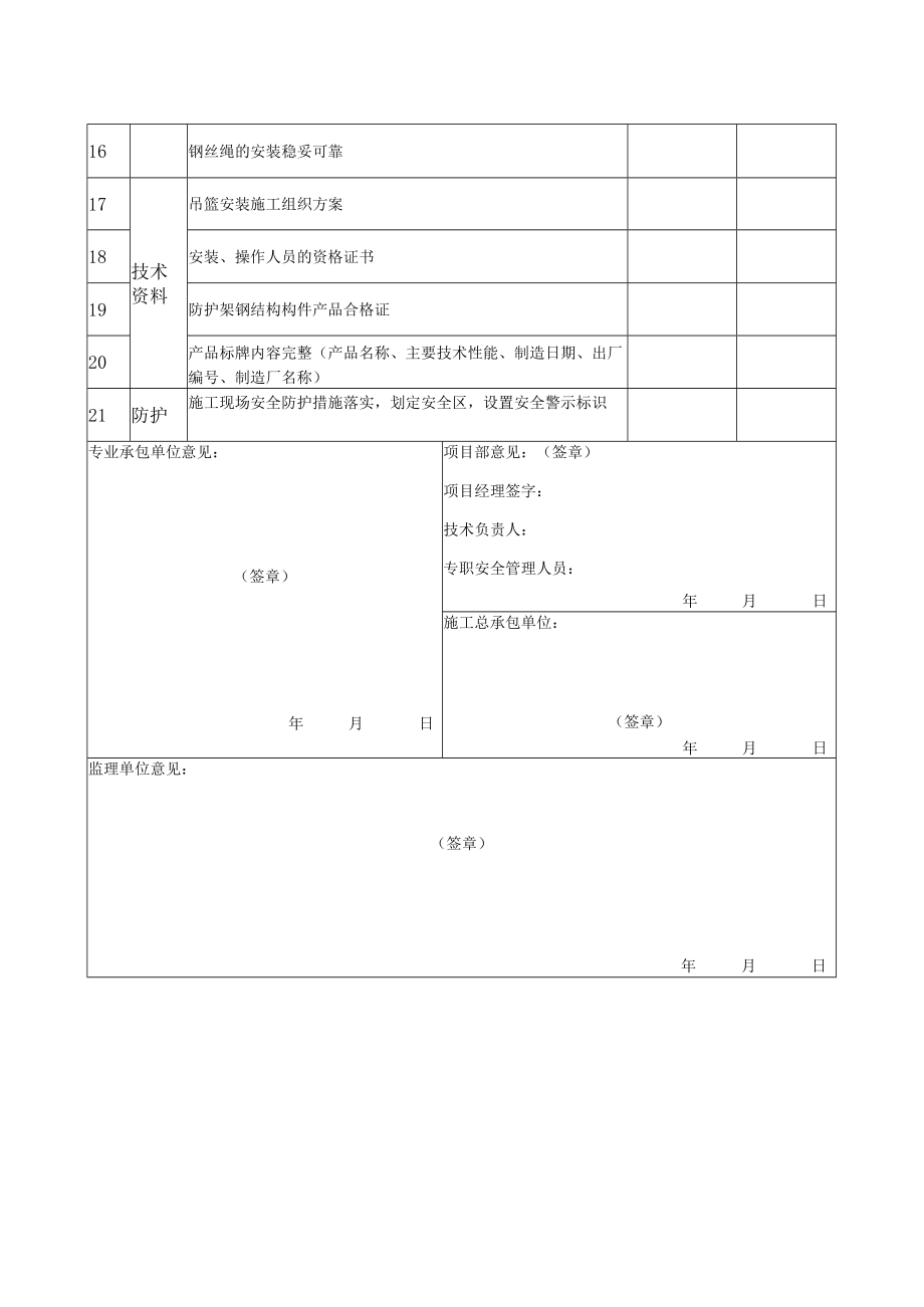
1、高处作业吊篮安装安全验收表验收部位机位布置数量情况吊篮型号验收日期验收结果代号说明:J=合格=不合格一=无此项1验收项目验收内容验收结果备注1悬挑机构悬挑机构的连接销轴规格与安装孔相符并用锁定销可靠锁定2悬挑机构稳定,前支架受力点平整,结构强度满足要求3悬挑机构抗倾覆系数大于等于2,配重铁足量稳妥安放,锚固点结构强度满足要求4篮台吊平吊篮平台组装符合产品说明书要求5吊篮平台无明显变形和严重锈蚀及大量附着物6连接螺栓无遗漏并拧紧7操控系统供电系统符合施工现场临时用电安全技术规范要求8电气控制柜各种安全保护装置齐全、可靠,控制器件灵敏可靠9电缆无破损裸露,收放自如10安全装置安全锁灵敏可靠,在标定

2、有效期内,离心触发式制动距离小于等于200mm,摆臂防倾308。锁绳11独立设置锦纶安全绳,锦纶绳直径不小于16mm,锁绳器符合要求,安全绳与结构固定点连接可靠,护角保护有效12行程限位装置正确稳固,灵敏可靠13超高限位器止挡安装在距顶端不小于80cm处固定14钢丝绳动力钢丝绳、安全钢丝绳及索具的规格型号符合产品说明书要求15钢丝绳无断丝、断股、松股、硬弯、锈蚀,无油污和附着物16钢丝绳的安装稳妥可靠17技术资料吊篮安装施工组织方案18安装、操作人员的资格证书19防护架钢结构构件产品合格证20产品标牌内容完整(产品名称、主要技术性能、制造日期、出厂编号、制造厂名称)21防护施工现场安全防护措施落实,划定安全区,设置安全警示标识专业承包单位意见:(签章)年月日项目部意见:(签章)项目经理签字:技术负责人:专职安全管理人员:年月日施工总承包单位:(签章)年月日监理单位意见:(签章)年月日

展开阅读全文
相关资源
猜你喜欢
相关搜索

当前位置:首页 > 建筑/环境 > 建筑规范

copyright@ 2008-2023 1wenmi网站版权所有

经营许可证编号:宁ICP备2022001189号-1

本站为文档C2C交易模式,即用户上传的文档直接被用户下载,本站只是中间服务平台,本站所有文档下载所得的收益归上传人(含作者)所有。第壹文秘仅提供信息存储空间,仅对用户上传内容的表现方式做保护处理,对上载内容本身不做任何修改或编辑。若文档所含内容侵犯了您的版权或隐私,请立即通知第壹文秘网,我们立即给予删除!