5#暖通节能计算书.docx

上传人:p** 文档编号:200878 上传时间:2023-04-16 格式:DOCX 页数:13 大小:49.26KB
下载 相关 举报
5#暖通节能计算书.docx_第1页
第1页 / 共13页
5#暖通节能计算书.docx_第2页
第2页 / 共13页
5#暖通节能计算书.docx_第3页
第3页 / 共13页
5#暖通节能计算书.docx_第4页
第4页 / 共13页
5#暖通节能计算书.docx_第5页
第5页 / 共13页
5#暖通节能计算书.docx_第6页
第6页 / 共13页
5#暖通节能计算书.docx_第7页
第7页 / 共13页
5#暖通节能计算书.docx_第8页
第8页 / 共13页
5#暖通节能计算书.docx_第9页
第9页 / 共13页
5#暖通节能计算书.docx_第10页
第10页 / 共13页
亲,该文档总共13页,到这儿已超出免费预览范围,如果喜欢就下载吧!
资源描述

《5#暖通节能计算书.docx》由会员分享,可在线阅读,更多相关《5#暖通节能计算书.docx(13页珍藏版)》请在第壹文秘上搜索。

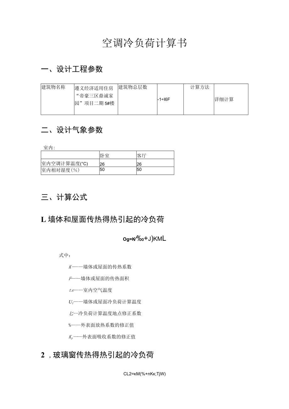
1、遵义经济适用住房“帝豪三区鼎诚家园”项目二期5#楼暖通冷热负荷计算书工程名称:设计编号: 建设单位: 设计单位: 节能计算单位: 计算人: 校对人: 计算日期:遵义经济适用住房“帝豪三区鼎诚家园”项目二期5#楼贵州筑城建筑设计有限公司贵州筑城建筑设计有限公司2014年07月空调冷负荷计算书一、设计工程参数建筑物名称遵义经济适用住房“帝豪三区鼎诚家园”项目二期5#楼建筑物总层数-1I6F计算方法详细计算二、设计气象参数室内:卧室客厅室内空调计算温度(C)2626室内相对湿度()5050三、计算公式L墙体和屋面传热得热引起的冷负荷Og=K+j)kmL式中:K-墙体或屋面的传热系数F墙体或屋面的传热

2、面积ts室内空气温度Ut墙体或屋面冷负荷计算温度匕-冷负荷计算温度地点修正系数%外表面放热系数的修正值Kp外表面吸收系数的修正值2 ,玻璃窗传热得热引起的冷负荷CL2=M(%+nK;TjW)式中:K-窗的传热系数F窗的传热面积tl.x窗冷负荷计算温度U-一窗的冷负荷计算温度地点修正系数K;不同类型窗框的玻璃传热系数的修正值p有内遮阳设施玻璃窗的传热系数修正值3 .玻璃窗日射引起的冷负荷无外遮阳:OLQn=FCsgKjmafcL(W)式中:Kjwx不同纬度带各朝向7月份日射得热因数得最大值,Wm?F一玻璃窗得有效面积是窗得面积乘以有效面积系数C,C,Cn一一玻璃窗遮挡系数和窗内遮阳设施得这样系数

3、;C,一一玻璃窗冷负荷系数,以北纬27度30分为界划分为南,北两区;有外遮阳阴影部分得日射冷负荷:CLqg=工CC(02)N(Cd)N(W)照光部分得日射冷负荷:CL心,=F,C/DJgQN(CCL)N(W)式中:Fs窗户得阴影面积,m2Fr-窗户的照光面积,m2(DJ,max)N一一北向的日射得热因数最大值,Wm2(Ca.)X一北向玻璃窗的冷负荷系数4 .人体冷负荷人体得热量:Q=qn1n2式中:q-不同室温和劳动性质时成年男子的全热散热量m室内人数一群集系数人体得热量引起的冷负荷CLQT=QQ式中:Qs一一人体显热得热量Qt人体潜热得热量Ca一人体的冷负荷系数5 .灯光冷负荷照明得热量:Q

4、刃V(白帜灯)Q二MW(荧光灯)式中:N照明灯具所需功率n1镇流器消耗功率系数n2灯光隔热系数照明冷负荷CLQX=QXCa式中:Qr一照明得热量Ca一照明冷负荷系数6 ,设备冷负荷工艺设备散热得热量NQ=IOOO/?1z?2/Z37I式中:N电机设备的安装功率一一电动机效率利用系数,一般取0.7-0.9n2同时使用系数,一般取0.5-0.8n负荷系数,一般取0.5左右无保温密闭罩的电热设备散热量的得热量Q=1000z71n2n3n4yV式中:n.,一一考虑排风带走热量的系数工艺设备得热引起的冷负荷CLQz=QsCa.+Q式中:Qs设备显热得热量Qr一一设备潜热得热量Ca.设备的冷负荷系数四、计

5、算结果(由于该建筑划分房间较多,其他房间只输出计算结果,以简化计算书)住宅1层房间编号房间面积m2冷负荷W10019.301315.0210028.401187.76100333.364717.10100412.431757.60100533.364717.1010068.401187.7610079.301315.0210089.301315.0210098.401187.76101033.364717.10101133.364717.1010128.401187.7610139.301315.02101412.431757.60101512.431757.60101612.431757.6

6、0101711.051562.47101810.54149036101922.783221.09102023.163274.8210216.82964.3510229.521346.13102312.6417873010246.8296435102512.461761.8410269.521346.13102723.163274.82102822.783221.09102910.54149036103011.051562.47住宅标准层房间编号房间面积m2冷负荷W20019.301440.5720028.401301.16200333.405173.66200412.401920.762005

7、33.405173.6620068.401301.1620079.301440.5720089.301440.5720098.401301.16201033.405173.66201133.405173.6620128.401301.1620139.301440.57201412.401920.76201512.401920.76201612.401920.762017ILlO1719.39201810.501626.45201922.803531.72202023.203593.6820216.801053.3220229.501471.55202312.601951.7420246.801

8、053.32202512.501936.2520269.501471.55202723.203593.68202822.803531.72202910.501626.45203011.101719.39住宅顶层房间编号房间面积m2冷负荷W30019.301597.7430028.401443.12300333.405738.12300412.402130.32300533.405738.1230068.401443.1230079.301597.7430089.301597.7430098.401443.12301033.405738.12301133.405738.1230128.40144

9、3.1230139.301597.74301412.402130.32301512.402130.32301612.402130.32301711.101906.98301810.501803.90301922.803917.04302023.203985.7630216.801168.2430229.501632.10302312.602164.6830246.801168.24302512.502147.5030269.501632.10302723.203985.76302822.803917.04302910.501803.90303011.101906.98采暖负荷计算书一、设计工程

10、参数建筑物名称遵义经济适用住房“帝豪三区鼎诚家园”项目二期5#楼采暖系统形式传统形式建筑物总层数-1+16F建筑物室内外高差(米)0.30建筑物总高度(米)49.9建筑物中和界高度(米)24.95二、设计气象参数室内:卧室客厅室内采暖计算温度(C)1818室内相对湿度()5050三、计算公式公式1:基本耗热量计算原理:Qj=KF(tn-tw)a其中:Qj基本耗热量K-传热系数F传热面积tn室内空气计算温度tv室外供暖计算温度。一一温差修正系数公式2,考虑附加后耗热量计算原理:a=A+AAXiXi+A)其中:Q一考虑各项附加后,某围护的耗热量0一某围护的基本耗热量BCh一朝向修正Bf一风力修正B

11、h两面外墙修正Bm窗墙面积比过大Bfg房高附加Bj间歇附加公式3通过外门冷风渗透耗热量计算Q2=O.cltpL(tll-tnw)其中:Q一通过外门冷风渗透耗热量cp一一室外温度下空气比热容P室外温度下空气密度L渗透空气体积流量渗透冷空气量的计算:L=L0/L0在基准高度单独风压作用下,不考虑朝向修正和建筑物内部隔断情况时,通过每米门窗缝隙进入室内的理论渗透空气量;1外门窗缝隙的长度m一一风压与热压作用下,共同考虑建筑体形,内部隔断和空气流通等因素后,不通朝向,不同高度的门窗冷风渗透差压综合修正系数;b一一门窗渗风系数;通过每米门窗缝隙进入室内的理论渗透空气量:A)=吸?L叼%外门窗缝隙渗风系数

12、V0基准高度冬季室外最多风向的平均风速;冷风渗透压差综合修正系数:m=CrCf(nub+C)ChCr热压系数cf一一风压差系数C一一作用于门窗上的有效热压差和风压差之比Ch高度修正系数h计算门窗的中心线标高有效热压差与有效风压差之比:C=70/CCyv04273+乙hz单纯热压作用下,建筑物中和面的标高mtn一一建筑物内形成热压作用的竖井温度;公式4:通过外门冷风侵入耗热量计算Q;i=Qj*kq其中:Qs一一通过外门冷风侵入耗热量Qi某围护的基本耗热量Bkq一一外门开启外门开启冲入冷风耗热量附加率,四、计算结果(由于该建筑划分房间较多,其他房间只输出计算结果,以简化计算书)住宅1层房间编号房间面积m2热负荷W层后JIOOl9.31193.22.9m10028.41077.72.9m100333.44280.12.9m100412.41594.82.9m100533.44280.12.9m10068.41077.72.9m10079.31193.22.9m10089.31193.22.9m10098.41077.72.9m101033.44280.12.9m10113

展开阅读全文
相关资源
猜你喜欢
相关搜索

当前位置:首页 > 建筑/环境 > 建筑节能

copyright@ 2008-2023 1wenmi网站版权所有

经营许可证编号:宁ICP备2022001189号-1

本站为文档C2C交易模式,即用户上传的文档直接被用户下载,本站只是中间服务平台,本站所有文档下载所得的收益归上传人(含作者)所有。第壹文秘仅提供信息存储空间,仅对用户上传内容的表现方式做保护处理,对上载内容本身不做任何修改或编辑。若文档所含内容侵犯了您的版权或隐私,请立即通知第壹文秘网,我们立即给予删除!