a安管隐蔽工程检查验收记.docx

上传人:p** 文档编号:201319 上传时间:2023-04-16 格式:DOCX 页数:7 大小:36.45KB
下载 相关 举报
a安管隐蔽工程检查验收记.docx_第1页
第1页 / 共7页
a安管隐蔽工程检查验收记.docx_第2页
第2页 / 共7页
a安管隐蔽工程检查验收记.docx_第3页
第3页 / 共7页
a安管隐蔽工程检查验收记.docx_第4页
第4页 / 共7页
a安管隐蔽工程检查验收记.docx_第5页
第5页 / 共7页
a安管隐蔽工程检查验收记.docx_第6页
第6页 / 共7页
a安管隐蔽工程检查验收记.docx_第7页
第7页 / 共7页
亲,该文档总共7页,全部预览完了,如果喜欢就下载吧!
资源描述

《a安管隐蔽工程检查验收记.docx》由会员分享,可在线阅读,更多相关《a安管隐蔽工程检查验收记.docx(7页珍藏版)》请在第壹文秘上搜索。

1、工程名称汽渡接线市政道路工程(临江路-汽渡渡口)施工单位镇江市港发工程有限公司隐检项目管道铺设隐检范围YQ-IYQ-3隐检内容及检查情况管径:D4001说明:符合质量要求井号隐检项目设计实测误差井号隐检项目设计实测误差YQ-I+Iftn水平轴线(mm)12YQ-23”水平轴线(mm)15管内底高程(m)7.7027.715+13管内底高程(m)7.3147.302-12YQ-I42Ohl水平轴线(mm)13水平轴线(mm)管内底高程(m)7.7227.733+11管内底高程(m)YQ-2+Khi水平轴线(mm)IO水平轴线(mm)管内底高程(m)7.2947305+11管内底高程(m)验收意见

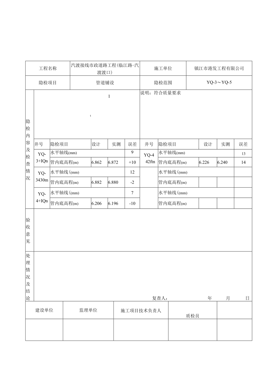
2、处理情况及结论复查人:年月日建设单位监理单位施工项目技术负责人质检员工程名称汽渡接线市政道路工程(临江路-汽渡渡口)施工单位镇江市港发工程有限公司隐检项目管道铺设隐检范围YQ-3YQ-5隐检内容及检查情况t1说明:符合质量要求井号隐检项目设计实测误差井号隐检项目设计实测误差YQ-3+IQn水平轴线(mm)9YQ-442ftn水平轴线(mm)13管内底高程(m)6.8626.872+10管内底高程(m)6.2266.24014YQ-3430m水平轴线(mm)12水平轴线(mm)管内底高程(m)6.8826.880-2管内底高程(m)YQ-4+IQn水平轴线(mm)7水平轴线(mm)管内底高程(m

3、)6.2066.196-10管内底高程(m)验收意见处理情况及结论复查人:年月日建设单位监理单位施工项目技术负责人质检员工程名称汽渡接线市政道路工程(临江路-汽渡渡口)施工单位镇江市港发工程有限公司隐检项目管道铺设隐检范围YQ-5YQ-7隐检内容及检查情况t1说明:符合质量要求井号隐检项目设计实测误差井号隐检项目设计实测误差YQ-5+IQn水平轴线(mm)9YQ-642ftn水平轴线(mm)12管内底高程(m)4.9824.977-15管内底高程(m)5.2645.2739YQ-5430m水平轴线(mm)13水平轴线(mm)管内底高程(m)5.0025.01614管内底高程(m)YQ-6+IQ

4、n水平轴线(mm)II水平轴线(mm)管内底高程(m)5.2445.232-12管内底高程(m)验收意见处理情况及结论复查人:年月日建设单位监理单位施工项目技术负责人质检员工程名称汽渡接线市政道路工程(临江路-汽渡渡口)施工单位镇江市港发工程有限公司隐检项目管道铺设隐检范围YQ-7YQ-Io隐检内容及检查情况管径:D15003说明:符合质量要求井号隐检项目设计实测误差井号隐检项目设计实测误差YQ-7+Iftn水平轴线(mm)11YQ-8+Khi水平轴线(mm)11管内底高程(m)4.2524.240-12管内底高程(m)4,1204.108-12YQ-742Ohl水平轴线(mm)12YQ-84

5、2ftn水平轴线(mm)12管内底高程(m)4.2724.2819管内底高程(m)4.1404.1499水平轴线(mm)水平轴线(mm)管内底高程(m)管内底高程(m)验收意见处理情况及结论复查人:年月日建设单位监理单位施工项目技术负责人质检员工程名称汽渡接线市政道路工程(临江路-汽渡渡口)施工单位镇江市港发工程有限公司隐检项目管道铺设隐检范围YQ-IoYQ-12隐检内容及检查情况管径:DloOO3说明:符合质量要求井号隐检项目设计实测误差井号隐检项目设计实测误差YQ-IO+Un水平轴线(mm)14YQ-H水平轴线(mm)10管内底高程(m)4.2004.211-11管内底高程(m)4.292

6、4.30614YQ-IO丽水平轴线(mm)10水平轴线(mm)管内底高程(m)4.2204.23414管内底高程(m)YQ-Il10n水平轴线(mm)14水平轴线(mm)管内底高程(m)4.2724.261-11管内底高程(m)验收意见处理情况及结论复查人:年月日建设单位监理单位施工项目技术负责人质检员工程名称汽渡接线市政道路工程(临江路-汽渡渡口)施工单位镇江市港发工程有限公司隐检项目管道铺设隐检范围YQ-12YQ-14隐检内容及检查情况t1说明:符合质量要求井号隐检项目设计实测误差井号隐检项目设计实测误差YQ-12+IQn水平轴线(mm)14YQ-13水平轴线(mm)13管内底高程(m)4

7、.7444.729-15管内底高程(m)4.8484.86315YQ-12助水平轴线(mm)12水平轴线(mm)管内底高程(m)4.9444.95915管内底高程(m)YQ-13+IQn水平轴线(mm)14水平轴线(mm)管内底高程(m)4.8284.815-13管内底高程(m)验收意见处理情况及结论复查人:年月日建设单位监理单位施工项目技术负责人质检员工程名称汽渡接线市政道路工程(临江路-汽渡渡口)施工单位镇江市港发工程有限公司隐检项目管道铺设隐检范围YQ-14YQ-15隐检内容及检查情况t1说明:符合质量要求井号隐检项目设计实测误差井号隐检项目设计实测误差YQ-14+IQn水平轴线(mm)15水平轴线(mm)管内底高程(m)5.0125.000-12管内底高程(m)YQ-14水平轴线(mm)10水平轴线(mm)管内底高程(m)5.0325.04614管内底高程(m)水平轴线(mm)水平轴线(mm)管内底高程(m)管内底高程(m)验收意见处理情况及结论复查人:年月日建设单位监理单位施工项目技术负责人质检员

展开阅读全文
相关资源
猜你喜欢
相关搜索

当前位置:首页 > 建筑/环境 > 建筑规范

copyright@ 2008-2023 1wenmi网站版权所有

经营许可证编号:宁ICP备2022001189号-1

本站为文档C2C交易模式,即用户上传的文档直接被用户下载,本站只是中间服务平台,本站所有文档下载所得的收益归上传人(含作者)所有。第壹文秘仅提供信息存储空间,仅对用户上传内容的表现方式做保护处理,对上载内容本身不做任何修改或编辑。若文档所含内容侵犯了您的版权或隐私,请立即通知第壹文秘网,我们立即给予删除!