MSS32-900移动模架预压施工方案.docx

上传人:p** 文档编号:201341 上传时间:2023-04-16 格式:DOCX 页数:5 大小:84.15KB
下载 相关 举报
MSS32-900移动模架预压施工方案.docx_第1页
第1页 / 共5页
MSS32-900移动模架预压施工方案.docx_第2页
第2页 / 共5页
MSS32-900移动模架预压施工方案.docx_第3页
第3页 / 共5页
MSS32-900移动模架预压施工方案.docx_第4页
第4页 / 共5页
MSS32-900移动模架预压施工方案.docx_第5页
第5页 / 共5页
亲,该文档总共5页,全部预览完了,如果喜欢就下载吧!
资源描述

《MSS32-900移动模架预压施工方案.docx》由会员分享,可在线阅读,更多相关《MSS32-900移动模架预压施工方案.docx(5页珍藏版)》请在第壹文秘上搜索。

1、MSS32-900移动模架预压施工方案为了检验移动模架受力状况,各部位的强度与刚度和测量移动模架在箱梁施工全过程的弹性变形与非弹性变形量,控制模板的预拱度,确保箱梁浇筑过程安全与质量,移动模架组装后应进行模拟箱梁施工过程的加载预压。1、预压重量的计算预压重量按MSS32-900移动模架在箱梁施工过程中最不利状况(现浇32m箱梁)进行考虑,其箱梁浇筑过程的荷载如下(见表4):表432m箱梁浇筑过程中荷载重量估算表第一次浇筑(32m梁)荷载重量内模重量(T)钢筋、钢绞线重量(T)底板碎总重量(T)斜腹板碎重量(T)顶板翼缘板碎重量(T)施工附加荷载(T)合计(T)30712121662921778

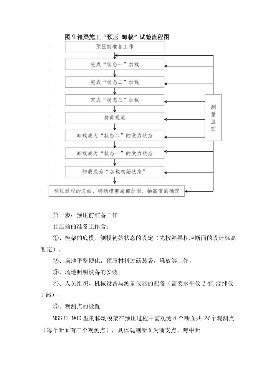
2、8ql=3.31Tmq2-6.63Tmq3-4.93Tmq4=10.54Tm注:施工附加荷载按砂重量的2%。2、加载顺序MSS32-900移动模架模拟箱梁施工过程加载与卸荷的顺序按以下框图进行。图9箱梁施工“预压-卸载”试验流程图第一步:预压前准备工作预压前的准备工作含:、模架的底模、侧模初始状态的设定(先按箱梁相应断面的设计标高暂定)。、场地平整硬化,预压材料过磅装袋,堆放等工作。、场地照明设备的安装。、人员组织、机械设备与测量仪器的配备(需要水平仪2部,经纬仪1部)。、观测点的设置MSS32-900型的移动模架在预压过程中需观测8个断面共24个观测点(每个断面有三个观测点),具体观测断面为

3、前支点、跨中断面、后支点、悬臂端,横梁。其观测点的设置如附图所示。初始状态的观测:在完成观测点的布设后进行各观测点初始读数的观测,并做好记录。第二步:“状态一”加载模式“状态一”的加载模式主要模拟完成,底板、腹板钢筋、预应力筋、内模安装、顶板翼缘钢筋、预应力筋的安装等施工过程,其荷载按均布于底板上考虑如图10:测量点示意图q1=3.31Tm图10“状态一”加载示意图加载过程的观测:由于“状态一”荷载相对较小,可以考虑完成“状态一”加载后才进行各观测点观测。第三步:“状态二”加载模式“状态二”的加载模式是模拟底板碎、斜腹板险、顶板、翼缘板碎己形成一定施工梯度的全断面浇筑,同时顶、底、翼缘板碎在跨

4、中断面的最不利受力状态。具体加载示意如图11:加载过程的观测状态二”是模拟施工过程比较不利受力状态,其加载过程共分为三级,第一级底板碎1.05q2,第二级斜腹板碎1.05q3,第三级顶板翼缘板硅L05q。每完成一级加载均要对观测点进行观测、记录,同时测量观测贯穿于加载全过程,发现异常应立即停止加载,查找原因处理后在进行。“状态二”的加载模式是模拟箱梁碎浇筑完成的状况,其加载示意如图12:加载过程观测:“状态二”分为三级加载,第一级为底板碎全部浇筑完成,第二级为完成腹板碎浇筑,第三级为完成顶板翼缘板碎施工。过程其顺序为:图11“状态二”加载示意图测量观测必须全过程进行,测出以上六个过程的每个观测

5、点标高变化情况,若发现变形量异常必须立即停止加载进行应急处理,查找原因处理后才能继续进行。第五步:持荷观测完成“状态二”加载后应持荷观测24小时,每小时观测一次,并做好记录,若发现异常应及时上报,进行应急处理。应急处理措施:于32m跨中用贝雷片搭设一座临时支墩,墩顶与移动模架钢梁距离控制12cm,若发现异常,用木契顶紧,使临时支墩能发挥作用。第六步:卸载观测卸载观测是“加载预压”的重要一环,通过各级荷载的卸载观测可推算出移动模架在各级荷载作用下的弹性变形量与残余变形量,卸载观测过程与加载观测过程相反,其过程如下:状态(二)状态(一)初始状态卸载时每完成一级卸载均待观察完成、做好记录再卸下一级荷

6、载。第七步:预压过程的总结,“预压一一卸载报告”的编写对移动模架在使用过程中的安全性、可靠性进行评估,对各观测断面的观测点在各施工阶段的残余变形、弹性变形量的计算,对支撑点、跨中、悬臂段的抬高值的确定,对局部刚度不足的部位提出加固方案。3、MSS移动模架预压注意事项、对预压压重应认真称量、计算,对砂的含水量的变化,称量时应对天气情况进行记录,由专人负责。如雨水多,砂的含水量变化在06%之间。为了保证预压吨位的准确性和加载不发生突变。预压时准备防雨材料布等以避免进行中雨水过大使预压荷载过多。、压重所有材料应提前准备至方便起吊运输的地方。、在加载过程中,要严格按加载程序详细记录加载时间、吨位、位置,测量要全过程跟踪观测。未经观测不能加载下一级荷载。每完成一级加载应暂停一段时间,进行测量,并对MSS造桥机进行检查,发现异常情况停止加载,及时分析,采取相应措施。、观测过程要贯穿于模架预压全过程,在此过程要统一组织,统一指挥。

展开阅读全文
相关资源
猜你喜欢
相关搜索

当前位置:首页 > 建筑/环境 > 设计及方案

copyright@ 2008-2023 1wenmi网站版权所有

经营许可证编号:宁ICP备2022001189号-1

本站为文档C2C交易模式,即用户上传的文档直接被用户下载,本站只是中间服务平台,本站所有文档下载所得的收益归上传人(含作者)所有。第壹文秘仅提供信息存储空间,仅对用户上传内容的表现方式做保护处理,对上载内容本身不做任何修改或编辑。若文档所含内容侵犯了您的版权或隐私,请立即通知第壹文秘网,我们立即给予删除!