临时防护工程质量标准及检验方法.docx

上传人:p** 文档编号:208909 上传时间:2023-04-16 格式:DOCX 页数:3 大小:9.24KB
下载 相关 举报
临时防护工程质量标准及检验方法.docx_第1页
第1页 / 共3页
临时防护工程质量标准及检验方法.docx_第2页
第2页 / 共3页
临时防护工程质量标准及检验方法.docx_第3页
第3页 / 共3页
亲,该文档总共3页,全部预览完了,如果喜欢就下载吧!
资源描述

《临时防护工程质量标准及检验方法.docx》由会员分享,可在线阅读,更多相关《临时防护工程质量标准及检验方法.docx(3页珍藏版)》请在第壹文秘上搜索。

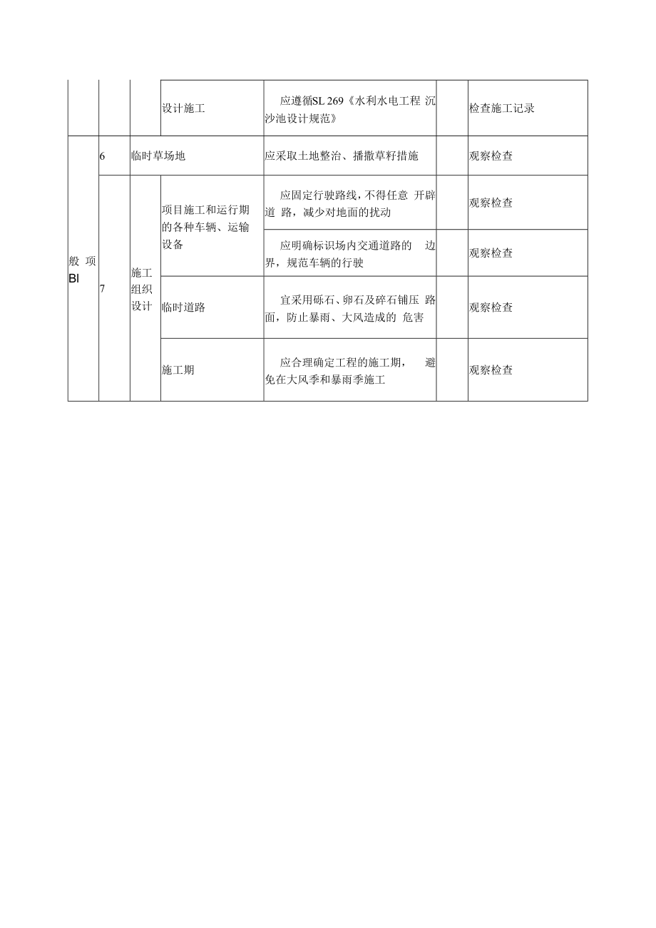
1、临时防护工程质量标准及检验方法1 适用范围:工程项目的施工准备期和基建施工期;施工场地的扰动面、占压 区等。2检查数量:全数检查。3质量标准和检验方法:临时防护工程质量标准和检验方法类 别序 J检查项目质量标准单位检验方法及器具主 控 项 目1施工建设中土、石、渣 的临时堆置必须设置专门的堆放地集中 堆放,并应采取拦挡、覆盖等 措施观察检查2施工开挖、剥离的地表熟 土应安排场地集中堆放,用于 工程施工结束后场地的覆土利 用观察检查3施工中的裸露地在遇暴雨、大风时应布设防护措 施观察检查4施工期间的水土流失施工建设场地应布设临时拦 护、排水、沉沙等设施观察检查5裸露时间超过一个生长 季节应进行临

2、时种草6临时施工道路临时施工道路应统一规划, 提出典型设计,并采取临时性 的防护措施观察检查7施工中对下游及周边造 成的影响必须采取相应的防护措施观察检查般 项 目1施工 场地 开挖地表熟土层剥离后应集中存放于专门的 堆放场地,并采取措施防止其 流失观察检查植被稀少,生长缓 慢地区的林草、草皮等应将地表植被连同其下熟土 层一起移植至其他地方,工程 结束后回植于施工场地观察检查临时堆土(石、渣) 及建材分类集中堆放,并建临时性 挡渣、排水、沉沙等工程,对 堆放时间长的土、石、渣体, 还应临时种草观察检查2表 面 覆 盖临时堆放的渣土应用土工布、塑料布、抑尘网等覆 盖观察检查风沙区部分场地可用草、

3、树枝等临时覆盖观察检查3临时 挡土 石修建地点宜修建在施工场地的边坡下侧观察检查布设区域平地区应布设在临时弃渣体周 边观察检查工程规模应根据渣体的规模、地而坡 度、降雨等情况分析确定观察检查防洪标准可根据确定的工程规模,相 应的弃 渣防治工程的防洪标准 确定观察检查4临时 排水 设施布设位置应建在施工场地的周边观察检查形式可采用排水沟(渠1暗涵(洞) 临时土(石)方挖沟等,也可 利用抽排水管观察检查规模和标准应根据工程规模、施一场地、 集水面积、气象等情况分析确 定观察检查防洪标准应根据确定的工程规模,相 应的弃 渣防治工程的防洪标准 确定检查设计文件5沉沙 池泥沙对施工场地产生的泥沙进行沉 积观察检查位置应选在挖泥和运输方便的地 方,有利于清淤观察检查容量应根据地形地质、降雨时泥沙径 流量,确定一次暴雨搬运堆积泥 沙的数量观察检查设计施工应遵循SL 269水利水电工程 沉沙池设计规范检查施工记录般 项 Bl6临时草场地应采取土地整治、播撒草籽措施观察检查7施工 组织设计项目施工和运行期 的各种车辆、运输 设备应固定行驶路线,不得任意 开辟道 路,减少对地面的扰动观察检查应明确标识场内交通道路的 边界,规范车辆的行驶观察检查临时道路宜采用砾石、卵石及碎石铺压 路面,防止暴雨、大风造成的 危害观察检查施工期应合理确定工程的施工期, 避免在大风季和暴雨季施工观察检查

展开阅读全文
相关资源
猜你喜欢
相关搜索

当前位置:首页 > 建筑/环境 > 建筑QC

copyright@ 2008-2023 1wenmi网站版权所有

经营许可证编号:宁ICP备2022001189号-1

本站为文档C2C交易模式,即用户上传的文档直接被用户下载,本站只是中间服务平台,本站所有文档下载所得的收益归上传人(含作者)所有。第壹文秘仅提供信息存储空间,仅对用户上传内容的表现方式做保护处理,对上载内容本身不做任何修改或编辑。若文档所含内容侵犯了您的版权或隐私,请立即通知第壹文秘网,我们立即给予删除!