主机停机管理办法.docx

上传人:p** 文档编号:209015 上传时间:2023-04-16 格式:DOCX 页数:3 大小:9.52KB
下载 相关 举报
主机停机管理办法.docx_第1页
第1页 / 共3页
主机停机管理办法.docx_第2页
第2页 / 共3页
主机停机管理办法.docx_第3页
第3页 / 共3页
亲,该文档总共3页,全部预览完了,如果喜欢就下载吧!
资源描述

《主机停机管理办法.docx》由会员分享,可在线阅读,更多相关《主机停机管理办法.docx(3页珍藏版)》请在第壹文秘上搜索。

1、主机停机管理办法1目的对各车间主机电仪设备停机进行管理考核,保证主机电仪设备 停机按程序上报,并得到有效的控制,生产管理部特制定如下管理办 法:2适用范围本办法适用于本公司生产各车间。3职责3. 1生产管理部电仪负责人对主机停机进行考核;生产管理部 部长审核;生产经理批准。3.2生产管理部调度负责对白、中、夜班主机停机验证;生产 管理部各专业人负责最后的核实。3.3各车间班组长负责中班、夜班主机电仪设备停机的上报工 作。3.4白班主机停机申请由各车间设备付主任负责上报;生产管 理部部长审核;生产经理批准。4工作程序4. 1主机停机上报范围:4.1.1 月度电仪设备计划检修、计划大修电仪设备停机

2、、工艺 停机、突发性事故停机、库满停机、标秤、厂内、外限电停机、其它 原因等等(冬季U12月、13月水泥磨、生料磨库满停机不用上 报主机停机申请单4 . 1. 2主机停机上报申请内容:各车间、时间、电仪设备名称、 规格型号,停机时间至开机时间、停机班次,开机班次,停机时间, 停机原因;申请、审核、批准;详见附后主机停机申请单。5 .2主停机申请程序:4. 2. 1主机停机申请单,一式叁份,生产管理部一份,调度室一份,各车间留一份。4. 2.2中、夜班主机停机由调度负责审核/批准;第二天按程 序把申请单反馈到各单位。4 . 2. 3主机停机时间长的电仪设备,必须电话通知生产管理部 部长,生产经理

3、知道停机原因。5 .3主机停机时间要求:4. 3.1主机停机3小时以上,必须上报申请单。1.1 3.2余热发电、制成车间、烧成车间在旺季生产中,主机电 仪设备停机1小时以上,也必须上报主机停机申请单。4.4 各车间突发性事故主机停机后,按程序补报手续,正常主 机停机必须提前按程序填报主机停机申请单。4.5 调度室负责各车间主机停机验证单的填写/验证工作;并 于第二天早上上报生产管理部电仪设备负责人验证/考核。1.1 6调度室对主机停机时间长的电仪设备,每班调度详细验证 记录,最后由第一个填写人验证汇总。4.7 主机停机验证单,一式一份,由调度填写/验证。4.8 各车间主机停机没有按程序上报者,

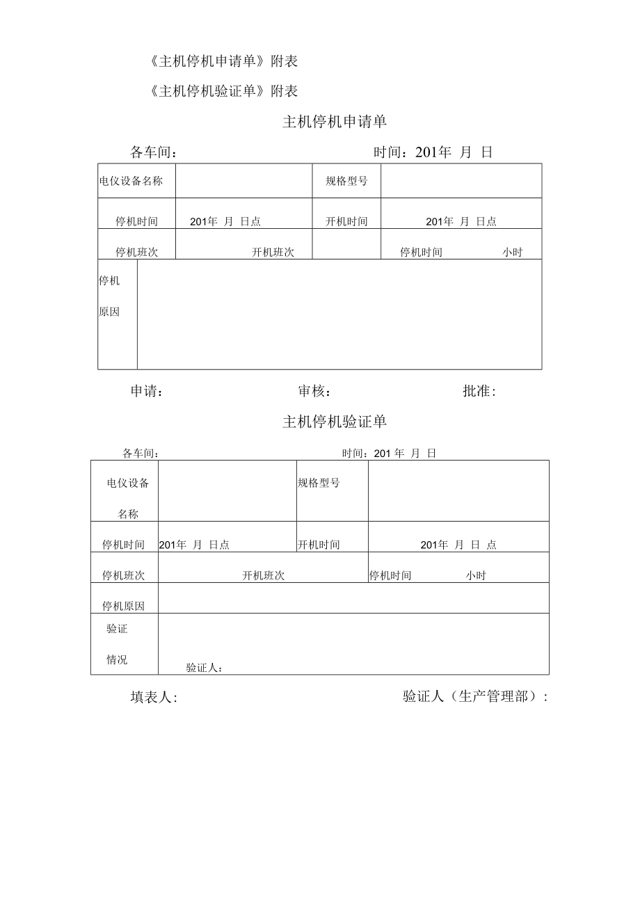
4、对该规定的上报人, 罚款10元;对各车间罚款100元。4.9 各车间上报单内容、时间等填错者,对其申请人罚款20 7L o4. 10各车间主机停机电仪设备没按时开机,超过规定时间者, 对其此时负责人罚款20元,对各车间罚款100元。4. 11对各车间主机停机隐瞒不报者;对各车间主任罚款50元, 副主任50元。4. 12当月严格执行以上条款的各车间,奖励各车间奖金分0. 5分/月,设备主管20元/月。4.13本办法解释权归生产管理部。5. 记录主机停机申请单附表主机停机验证单附表主机停机申请单各车间:时间:201年 月 日电仪设备名称规格型号停机时间201年 月 日点开机时间201年 月 日点停机班次开机班次停机时间小时停机原因申请:审核:批准:主机停机验证单各车间:时间:201 年 月 日电仪设备名称规格型号停机时间201年 月 日点开机时间201年 月 日 点停机班次开机班次停机时间小时停机原因验证情况验证人:填表人:验证人(生产管理部):

展开阅读全文
相关资源
猜你喜欢
相关搜索

当前位置:首页 > 管理/人力资源 > 绩效管理

copyright@ 2008-2023 1wenmi网站版权所有

经营许可证编号:宁ICP备2022001189号-1

本站为文档C2C交易模式,即用户上传的文档直接被用户下载,本站只是中间服务平台,本站所有文档下载所得的收益归上传人(含作者)所有。第壹文秘仅提供信息存储空间,仅对用户上传内容的表现方式做保护处理,对上载内容本身不做任何修改或编辑。若文档所含内容侵犯了您的版权或隐私,请立即通知第壹文秘网,我们立即给予删除!