二维约束平差.docx

上传人:p** 文档编号:209733 上传时间:2023-04-16 格式:DOCX 页数:3 大小:13.48KB
下载 相关 举报
二维约束平差.docx_第1页
第1页 / 共3页
二维约束平差.docx_第2页
第2页 / 共3页
二维约束平差.docx_第3页
第3页 / 共3页
亲,该文档总共3页,全部预览完了,如果喜欢就下载吧!
资源描述

《二维约束平差.docx》由会员分享,可在线阅读,更多相关《二维约束平差.docx(3页珍藏版)》请在第壹文秘上搜索。

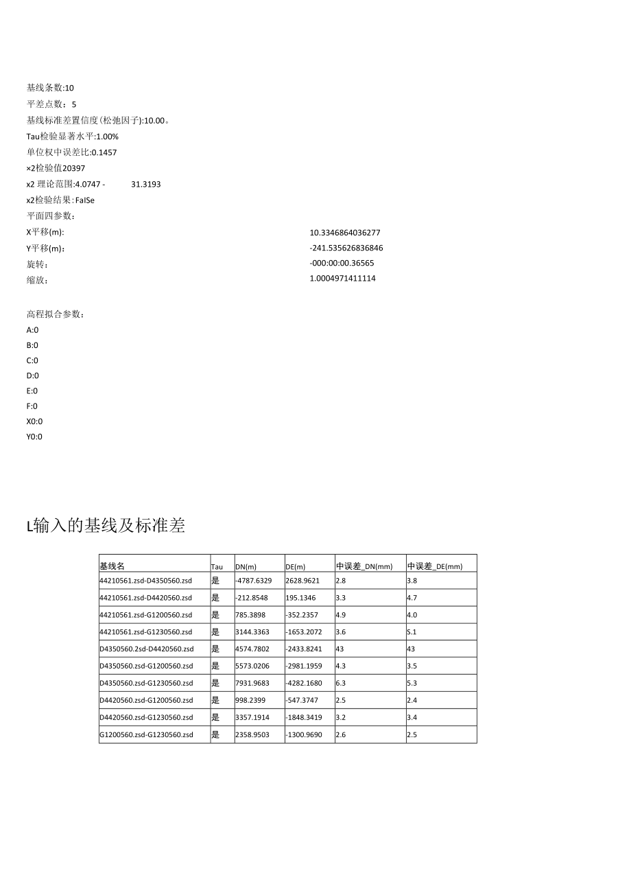
1、基线条数:10平差点数:5基线标准差置信度(松弛因子):10.00。Tau检验显著水平:1.00%单位权中误差比:0.14572检验值20397x2 理论范围:4.0747 -31.3193x2检验结果:FaISe平面四参数:10.3346864036277-241.535626836846-000:00:00.365651.0004971411114X平移(m):Y平移(m):旋转:缩放:高程拟合参数:A:0B:0C:0D:0E:0F:0X0:0Y0:0L输入的基线及标准差基线名TauDN(m)DE(m)中误差_DN(mm)中误差_DE(mm)44210561.zsd-D4350560.zs

2、d是-4787.63292628.96212.83.844210561.zsd-D4420560.zsd是-212.8548195.13463.34.744210561.zsd-G1200560.zsd是785.3898-352.23574.94.044210561.zsd-G1230560.zsd是3144.3363-1653.20723.6S.1D4350560.2sd-D4420560.zsd是4574.7802-2433.82414343D4350560.zsd-G1200560.zsd是5573.0206-2981.19594.33.5D4350560.zsd-G1230560.zs

3、d是7931.9683-4282.16806.35.3D4420560.zsd-G1200560.zsd是998.2399-547.37472.52.4D4420560.zsd-G1230560.zsd是3357.1914-1848.34193.23.4G1200560.zsd-G1230560.zsd是2358.9503-1300.96902.62.52 .控制点坐标站点名N(m)中误差_N(mm)E(m)中误差U(m)中误差_U(mm)D4353032958.53500.0511034.96700.02912.11200.0G1233040890.50500.0506752.800.030

4、87.33400.03 .平差后的基线及标准差基线名TauDN(m)DE(m)中误差_DN(mm)中误差_DE(mm)长度(m)相对误差44210561.zsd-D4350560.zsd是-4787.63262628.96310.70.95461.94781:490066544210561.zsd-D4420560.zsd是-212.8559195.13230.81.0288.76331:22837044210561.zsd-G1200560.zsd是785.3927-352.23460.90.9860.76191:68953044210561.zsd-G1230560.zsd是3144.33

5、57-1653.20850.70.93552.45621:3187397D4350560.zsd-D4420560.zsd是4574.7810-2433.82420.70.75181.90331:5180973D4350560.zsd-G1200560.zsd是5573.0212-2981.19410.70.66320.29141:6821993D4350560.zsd-G1230560.zsd是7931.9665-4282.16900.00.09014.04810D4420560.zsd-G1200560.zsd是998.2392-547.37580.70.71138.46471:11270

6、54D4420560.zsd-G1230560.zsd是3357.1921-1848.34080.70.73832.37561:3831687G12OO56O.zsd-G123O56O.zsd是2358.9506-1300.96880.70.62693.91311:29077554.基线改正数及标准差基线名TauVDN(m)VDE(m)中误差_VDN(mm)中误差_VDE(mm)dVDN(mm)dVDE(mm)44210561.zsd-D4350560.zsd是0.020.00100.81.10.00.144210561.zsd-D4420560.zsd是-0.ll-0.00241.01.50

7、.00.144210561.zsd-G1200560.zsd是0.290.00101.71.20.10.144210561.zsd-G1230560.zsd是-0.060.00131.21.80.00.1D4350560.zsd-D4420560.zsd是0.08-0.0l1.51.50.00.0D4350560.zsd-G1200560.zsd是0.060.00181.51.20.00.0D4350560.zsd-G1230560.zsd是-0,17-0.00102.42.00.00.0D4420560.zsd-G1200560.zsd是-0.0007-0.00100.60.60.00.0D

8、4420560.zsd-G1230560.zsd是0.070.00111.01.10.00.0G1200560.zsd -G1230560. zsd是0.030.020.70.70.00.05.平差后站点WGS84坐标(XYZ)站点名(m)Y(m)Z(m)中误差中误差中误差_Z(mm)4421-976156.00005582594.74172922795.27570.00.00.0D435-979113.27855584263.93322918517.14920.00.00.0D442-976366.46035582666.32532922610.73080.00.00.0G120-97575

9、1.41245582322.732923505.16080.00.00.0G123-974297.81835581553.29312925640.58280.00.00.06,平差后站点WGS84坐标(BLH)站点名Lat.Lon.H(m)中误差Jat(mm)中误差_Lon(mm)中误差J(mm)4421027:26:18.71282N099:55:05.87202E2969.76610.70.90.0D435027:23:43,18213N099:56:41,39507E2912.11200.00.00.0D442027:26:11.79670N099:55:12,96849E2979.48

10、880.70.70.0G120027:26:44.22335N099:54:53,07133E2997.28500.70.60.0G123027:28:00.84788N099:54:05.76758E3087.33400.00.00.07平差后站点目标坐标系坐标(NEU)站点名N(m)E(m)U(m)中误差_N(mm)中误LE(mm)中误差_U(mm)44213037746.1681508406.592969.76610.70.90.0D4353032958.5350511034.96702912.11200.00.00.0D4423037533.3144508601.14302979.48880.70.70.0G1203038531.5550508053.76932997.28500.70.60.0G1233040890.5050506752.80003087.33400.00.00.08 ,基线最弱边和平面最弱点基线名中误差_DN(mm)中误差_DE(mm)中误差(mm)相对误差44210561.zsd-D4420560.zsd0.810.971.261:228371站点名中误差_N(mm)中误差_E(mm)中误差(mm)44210.700.871.11

展开阅读全文
相关资源
猜你喜欢
相关搜索

当前位置:首页 > 建筑/环境 > 桩基础

copyright@ 2008-2023 1wenmi网站版权所有

经营许可证编号:宁ICP备2022001189号-1

本站为文档C2C交易模式,即用户上传的文档直接被用户下载,本站只是中间服务平台,本站所有文档下载所得的收益归上传人(含作者)所有。第壹文秘仅提供信息存储空间,仅对用户上传内容的表现方式做保护处理,对上载内容本身不做任何修改或编辑。若文档所含内容侵犯了您的版权或隐私,请立即通知第壹文秘网,我们立即给予删除!