休息长廊独立基础ZJ1计算书.docx

上传人:p** 文档编号:211516 上传时间:2023-04-16 格式:DOCX 页数:6 大小:36.71KB
下载 相关 举报
休息长廊独立基础ZJ1计算书.docx_第1页
第1页 / 共6页
休息长廊独立基础ZJ1计算书.docx_第2页
第2页 / 共6页
休息长廊独立基础ZJ1计算书.docx_第3页
第3页 / 共6页
休息长廊独立基础ZJ1计算书.docx_第4页
第4页 / 共6页
休息长廊独立基础ZJ1计算书.docx_第5页
第5页 / 共6页
休息长廊独立基础ZJ1计算书.docx_第6页
第6页 / 共6页
亲,该文档总共6页,全部预览完了,如果喜欢就下载吧!
资源描述

《休息长廊独立基础ZJ1计算书.docx》由会员分享,可在线阅读,更多相关《休息长廊独立基础ZJ1计算书.docx(6页珍藏版)》请在第壹文秘上搜索。

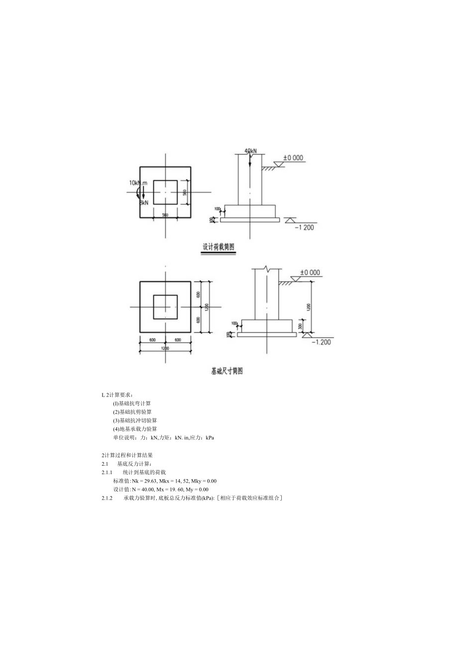
1、L 2计算要求:(I)基础抗弯计算(2)基础抗剪验算(3)基础抗冲切验算(4)地基承载力验算单位说明:力:kN,力矩:kN. in,应力:kPa2计算过程和计算结果2.1 基底反力计算:2.1.1 统计到基底的荷载标准值:Nk = 29.63, Mkx = 14, 52, Mky = 0.00设计值:N = 40.00, Mx = 19. 60, My = 0.002.1.2 承载力验算时,底板总反力标准值(kPa):相应于荷载效应标准组合现浇独立柱基础设计( DJ-1)项目名称 构件编号 日期设 计校 对审核执行规范:6混凝土结构设计规范(GB 500152010),本文简称混凝土规范6建筑

2、地基基础设计规范(GB 5(KX)7-201l),本文简称地基规范建筑抗震设计规范3 (GB 50011-2010).木文荷称6抗震规范钢筋:d - HPB300: D - HRB335: E - HRB400; F - RRB400: G - HRB500: Q - HRBF400; R - HRBF5001设计资料:1.1已知条件:类型:阶梯形柱数:单柱阶数:1基础尺寸(单位mm):bl=!200f bl 1=600, al=1200, al 1=600, hl=300柱:方柱,A=560nm, B=560m设计值:N=40. OOkN1 Mx=10. OOkN. m, Vx=O. OOk

3、N. My=O. OOkN. m, Vy=-8. OOkN标准值:Nk=29.63kN, MXk=7. 41 kN. m, Vxk=O. OOkN, Myk=O. OOkN. m, Vyk=-5.93kN混凝土强度等级:C25, fc=11.90N1钢筋级别:HRB400, fy=360Nmm2纵筋最小配筋:0. 15配筋调整系数:LO配筋计第方法:通用法基础混凝土纵筋保护层厚度:40M基础与覆土的平均容重:20. OOkNZmj修正后的地基承载力特征值:MOkPa基础埋深:L 2Om作用力位置标0.000m剪力作用附加弯矩M =V*h(力臂h=l. 20Onl):Mx =9.60kN. mM

4、xk,=7. llkN.m3配筋筒图寸Asx=45012200(565)600 V12)0底板配筋简图PkmaX = 2 (Nk + Gk)/(3 1 a) =95.40 kPa pkmin = 0.00 kPa各角点反力 p 1=95. 40 kPa, p2=95. 40 kPa, p3=0. 00 kPa, p4=O. 00 kPa基底全反力作用面尺寸:1200X112Imm基底面积脱空比:6.545%2.1 . 3强度计算时,底板净反力设计值(kPa):相应于荷载效应基本组合 底板净反力设计值-底板总反力设计值-基础与相土重设计值 PnlaX = 2 * (N + G)/(3 * 1 *

5、 a) - 1, 2 * H * r=97.13 kPapnin = 0 - 1. 2 H r = - 1.2 1.200 * 20.000 = -28.80 kPu基底净反力作用面尺寸:1200X832各角点反力 pl=97. 13 kPa, p2=97. 13 kPa, p3=-28.80 kPa, p4=-28.80 kPa 2.2地基承载力验算:pk=44. 58 fa=139.60kPa,满足PkInaX=95.40 1. 2*fa=167. 52kPa,满足2.3 基础抗剪验算:抗剪验算公式V(2b+b )*pmax 1。=计算截面处底板悬挑长度根据地基规范第8. 2. I条,扩展

6、基础受力钢筋最小配筋率不应小于0. 15%第 1 阶(kN.m): M T=4.91, M 右=4.9L M 上=4.91, M 左=4. 91, h产255mm计算 ASGnmm): AS 下=450(构造AS 右=450(构造),AS 上=450(构造). AS 左=450(构造) 配筋率 p : p 下=0. 150%, P 右=0. 150%, P 上=0. 150%, P 左=0. 150% 基础板底构造配筋(最小配筋率0 15%).2.6 底板配筋:X 向实配 E126200(565Mn7m, 0. 188%) = As=450ra7m 向实配 El20200(565nm7m, 0. 188%) = s=450mm7m【理正结构设计工具箱软件7.0PB3】计算日期:2021-01-29 12:12:58OOO0 00总反力标和奥型GF 一28 80净反力设计值(kPc)

展开阅读全文
相关资源
猜你喜欢
相关搜索

当前位置:首页 > 建筑/环境 > 桩基础

copyright@ 2008-2023 1wenmi网站版权所有

经营许可证编号:宁ICP备2022001189号-1

本站为文档C2C交易模式,即用户上传的文档直接被用户下载,本站只是中间服务平台,本站所有文档下载所得的收益归上传人(含作者)所有。第壹文秘仅提供信息存储空间,仅对用户上传内容的表现方式做保护处理,对上载内容本身不做任何修改或编辑。若文档所含内容侵犯了您的版权或隐私,请立即通知第壹文秘网,我们立即给予删除!