保障性住房项目(二期)公租房、限价房及公建配套工程(标段二)中小学基坑设计设计总说明.docx

上传人:p** 文档编号:212601 上传时间:2023-04-16 格式:DOCX 页数:9 大小:39.98KB
下载 相关 举报
保障性住房项目(二期)公租房、限价房及公建配套工程(标段二)中小学基坑设计设计总说明.docx_第1页
第1页 / 共9页
保障性住房项目(二期)公租房、限价房及公建配套工程(标段二)中小学基坑设计设计总说明.docx_第2页
第2页 / 共9页
保障性住房项目(二期)公租房、限价房及公建配套工程(标段二)中小学基坑设计设计总说明.docx_第3页
第3页 / 共9页
保障性住房项目(二期)公租房、限价房及公建配套工程(标段二)中小学基坑设计设计总说明.docx_第4页
第4页 / 共9页
保障性住房项目(二期)公租房、限价房及公建配套工程(标段二)中小学基坑设计设计总说明.docx_第5页
第5页 / 共9页
保障性住房项目(二期)公租房、限价房及公建配套工程(标段二)中小学基坑设计设计总说明.docx_第6页
第6页 / 共9页
保障性住房项目(二期)公租房、限价房及公建配套工程(标段二)中小学基坑设计设计总说明.docx_第7页
第7页 / 共9页
保障性住房项目(二期)公租房、限价房及公建配套工程(标段二)中小学基坑设计设计总说明.docx_第8页
第8页 / 共9页
保障性住房项目(二期)公租房、限价房及公建配套工程(标段二)中小学基坑设计设计总说明.docx_第9页
第9页 / 共9页
亲,该文档总共9页,全部预览完了,如果喜欢就下载吧!
资源描述

《保障性住房项目(二期)公租房、限价房及公建配套工程(标段二)中小学基坑设计设计总说明.docx》由会员分享,可在线阅读,更多相关《保障性住房项目(二期)公租房、限价房及公建配套工程(标段二)中小学基坑设计设计总说明.docx(9页珍藏版)》请在第壹文秘上搜索。

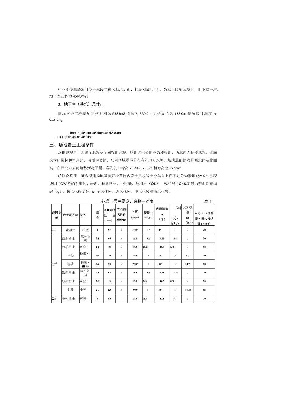
1、中小学停车场项目位于标段二东区基坑后面,标段基坑北面,为本小区配套项目:地下室一层。地下室面积为456Om2。3、地下室(基坑)尺寸:基坑支护工程基坑开挖面积为5383m2,周长为339.0m,支护周长为183.0m,基坑设计深度为24.9m015m-7_46.1m-46.4m4042.00m.2.41.20tn.40.046.1in三、场地岩土工程条件场地地貌单元为残丘地貌及丘间谷地地貌,场地大部分地段为种植地,西北面为丘陵地貌,北面为村庄果树种植用地,南面为菜地,东南区域零星分布有洼地及水塘。场地总的地势是西北面及北面高,自西北向东南地势渐趋平缓。备孔孔口标高25.4457.83m,相对高

2、差32.39m。经综合整理,可将拟建场地基坑开挖范围内岩土层按岩土分类自上而下划分为素填gm%冲洪积成因(QW吟的粉细砂、淤泥、粉质粘土、中粗砂,坡积层(Q5),残积层(Qe%基岩为燕山期花岗岩(),按风化程度分为:全风化岩、强风化岩、中风化岩和微风化岩。各岩土层主要设计参数一览表表1成因类型岩土层名称状各层号承力绮征值/UkPa)岩石抗SBftMMPa度kNmj凝聚力C(kPa)内摩擦角V(度)压缩反(MPa)交彩模量Ee(MPH)*)ttB体极限阻力标擒值qskPa)Q-素填土松散190*/17.0*5*8*/20Q1淤泥质土流软朔2-165/16.89.64.05245/20粉质粘土可塑

3、2-2150/18.825.210.94.81/50中砂松散2-3120/18.5*/28*/8.040粗砂稍密ill奉2-4200/19.0*/34*/14.760淤泥质土流软312-565/16.89.64.052.45/20粉质粘土可塑2-6180/18.824310.54.81/70中砂中密2-7220/19.0*/35*/11.2565Qdl粉侦拈土可整320019.028212.85.!3/70设计总说明一、设计依据及执行、参考规范萝岗中心城区保障性住房项目四标段岩土工程勘察报告(广州地质勘察基础工程公司,2013.05)萝岗中心城区保障性住房项目四标段岩土工程勘察报告(补充勘察)

4、(广州地质勘察基础工程公司,2017.12)萝岗中心城区保障房项目(第三标段)详细勘察报告华南理工大学建筑设计研究院勘察工程有限公司,二0一四年三月。广州市轨道交通七号线二期工程(大学城南水西北)初步设计广州市市政工程设计研究总院,2018.082、执行规范、规程、标准、规定, 广州地区建筑基坑支护技术规定GJB02-98: 中华人民共和国行业标准建筑基坑支护技术规程JGJ120-2012: 广东省标准建筑基坑支护工程技术规程DBJ/T15-20-2016: 混凝土结构设计规范(GB50010-2010); 建筑基坑工程监测技术规范(GB50497-2009): 岩土锚杆(索)技术规程(CEC

5、S22:2005): 建筑地基基础设计规范(GB50007-2011);%_本工S地下室各层结构平面图,基硼图J本设计依据广州市建工院有限公司于2020年1月提供的地库轮廓线图、地下室平面图、剖面图、基础图、相关建筑结构图。4、建设单位和总包单位关于红线外坡顶空地的利用要求:久超出用地红线,与标段一基坑之间设置施工临时道路。二、工程概况1、地理位JLl州市萝岗中心城区保障性住房项Fl地块位于萝岗中心城区西侧、广惠高速南地段(即水西村燕山附近),是广州市政府为解决低收入家庭住房而兴建的保障性住宅小区,属国家重点项目。2、主体建筑概况:筑区包括新建住宅及公建配套项目等,拟用地面积为70.0397万

6、平方米,初步估算总建筑面积约225万平方米。(3)支护方案在安全的前提下,经济、合理,满足国家建设工程的有关法规和规范要求。4)支护结构能保证基坑开挖及地下结构的顺利施工。(5)设计必须考虑施工期间度过雨季和台风季节,其对基坑稳定性的不利影响。(6)设计方案在现有的施工场地的施工必须具有可行性。2、基坑设计深度及荷载建筑物土000相当于绝对标高为45.9m,上面覆土500mm,北侧与西侧室外地面整平标高为46.1mG46.4m),南侧标高为43.245.00m:地下室负一层底板面标高41.70m,底板+垫层厚度500.基坑设计深度的绝对标高为41.00m:基坑开挖设计深度为24.9m.坡顶荷载

7、:材料堆场、道路荷载按40kPa考虑:其余位置按IOkPa考虑。3、支护设计方案基坑安全等级设计为三级,靠近地铁线路一侧无开挖不支护。综合考虑各种因素,采用土钉墙+微型桩支护、放坡支护型式;地下水位比较深,不考虑止水帷幕;分为3个剖面。基坑设计使用年限为一年。4、基坑做水、排水、降水(1)坑内土体中地下水的排除。从经济、土方开挖的便利性考虑,本基坑设计采用坑内集水井抽水和排水沟明排方式排出坑内地下水,沿基坑边每30m左右挖ImXImXIm降水坑1个。在开挖的同时放入污水泵抽水。随开挖深度的增加,逐渐加深降水坑深度。(2)基坑开挖时,坑顶设排水明沟对地面水进行外排,尺寸为30OmmX300mm(

8、净空),汇集水排入市政管网前需经过三级沉淀池沉淀。基坑施工完毕,在坑底设排水明沟,尺寸为30OmInX30Omm(净空),并在基坑每个拐角处设集水井,尺寸为08mx0.8mx0.8m(净空)。五、主要设计参数I、挂网啧射混凝土施工要求(1)土钉墙支护段,在施工土钉后进行土钉头部水平加强筋2根会16通长连接和纵向锚头短钢筋加强件(2根12Omm20);采用挂8200*200钢筋网,喷射C20混凝土厚IOomm进行护面,喷射碎原材料宜采用Po42.5R水泥,喷料应搅拌均匀,随拌随用,按Po42.5R水泥:中砂:520细石=122.02.5、水灰比=0.45:1的重量配合比施工喷射较面层,面层碎强度

9、C20,Qrl砂质粘性土可塑4-1200/18.923.818.64.6830.367()硬塑4-2220/19.023.519.44.9652.6780r花岗岩全风化5-1400/19.5*4825*8.0*99.75100强风化5-2650/20.0*80*28*10*1S0.0180中等风5-3300028.1/350微风化5-4IOOOO78.1/450注:花岗岩的残积土、全风化岩、强风化岩的变形模量计算公式采用E,=N,残积土(IoVN30)取=2.3、(30VNW50取a=2.5、(50N,70flZ=3.0.变形模量Eo宜按浅层平板荷载试验确定。带*为经验值。4、地下水概况第四标

10、段勘察地下水情况:场区内各钻孔所遇地下水为第四系孔隙水和基岩裂隙水,1人工填土层为上层滞水,含水贫乏。2-1粉细砂、2-5X2-7中粗砂、2-8碎石为主要含水层,在场地部分地段呈层状分布,有一定厚度,故第四系孔隙含水层在其分布范围内有一定涌水量,建议2-1粉细砂渗透系数k=5.0md,2-5X2-7中粗砂渗透系数k=8.0md,2-8碎石渗透系数k=15.0md,属中等强透水性。下伏基岩强风化或中风化岩,在裂隙发育部位,有一定水量,但水量一般不大。基岩裂隙水由第四系孔隙水越流渗入补给和地下径流的侧向补给为主。地下水位的变化与地下水的赋存、补给及排泄关系密切,每年510月为雨季,大气降雨充沛,水

11、位会明显上升,而在冬季因降雨减少,地下水位随之下降,年变化幅度1.002.00m。勘察期间测得地下水水位埋深为0.10-14.80m,标高22.3459.02m。基岩裂隙水主要赋存于花岗岩风化裂隙中,其赋存条件受裂隙发育程度及裂隙充填情况等因素影响,富水性和渗透性及涌水量变化较大,很不均匀。由第四系砂层垂向入渗补给或地表水的补给,排泄方式主要表现为大气蒸发或人工抽汲地下水。四、基坑支护设计方案K设计原则(1)基坑的工程地质条件、地下水条件、岩土工程特征及周围环境(道路、管线、建筑物)是基坑设计需要详细了解和分析的首要内容。(2)设计方案必须确保支护结构的安全,保证基坑周围道路及已施工和使用的地

12、下管线、市政道路的安全。同时保证对地铁线路施工无影响或影响较小。4、基坑较浅,且一半不需要支护,基本不存在出土坡道,设置临时道路即可,根据现场灵活布置。此外,还要注意以下几点:(1)基坑开挖前必须严格保证支护结构各构件的养护时间,保证其达到足够的强度后方可开挖下一层土方。(2)开挖时,离基坑底预留30Omm的土体由人工开挖,以免机械破坏和扰动坑底土。(3)当存在超过基坑底以下的超深开挖时,一定要先通知设计人员进行且核,必要时提出专门的支护方案。对基坑底以下为软土的情况,这些超深开挖一般均要求按控制变形的有支护开挖方式进行。七、质量检验按照深基坑规范,施工质量检验应按以下要求进行:1、原材料(包

13、括水泥、钢筋、钢绞线、砂石、水和外加剂等)的质量检验。2、钢筋焊接或搭接长度的质量检验。3、喷射隹应进行抗压强度试验,试块数量为每5OOm2取一组,每组试块不得少于6个:对于小于500n的独立工程,取样不少于一组。4、土钉抗拔验收试验取总数的5%,不少于3根。注浆体强度检验每30根锚索为一组,每组试块数量泥净浆为6块。5、其他有关检测项目应参考相关规范及规程进行。八、支护结构及周边环境监测1、监测点布置在支护结构后缘设基坑水平位移、沉降观测点等。各监测点布点位置详见基坑监测点平面布置图。观测点及基准点在坑顶开挖整平后设置,并在施工过程中妥善保护。2、观测频率观测点应在布设初始建立初读数土方开挖

14、前,须测得初读数(三次观测取平均值)。土方开挖和基坑施工期间(至地下室底板浇筑完成后7日内)1次/3d。地下室施工期间,底板浇筑30日内按1次/7d:底板浇筑30日后至回填前1次15d0阴雨天或出现可能促使变形加快的情况时(如坑顶超载显著增加,超过设计允许值)应加密观测次数;基坑开挖完毕和桩基础施工完且变形厚度IOOmm,上部坡面面层要求坡顶反包不小于0.5m。(2)宜采用干净的中、粗砂、砾石,最大砾径不宜大于20mm;(3)混合料应交办均匀,搅拌时间不少于2分钟,存放时间不超过2小时:(4)喷射作业应分段分片依次进行,同一分段内喷射顺序应自下而上,初喷3050r后挂网,然后再喷射第二层:(5)喷射终凝2小时后应喷水养护,养护时间一般为37天,视气温环境而定:(6)钢筋使用前应调直除锈,坡面上下段钢筋网搭接长度不小于300mm。2、T上钉采用48635钢管或HRB4()()螺纹钢22,采用冲击锤或预成孔施工。I:钉注浆材料为水泥净浆,水灰比为050.6,水泥浆应随摔随用。锚孔注浆

展开阅读全文
相关资源
猜你喜欢
相关搜索

当前位置:首页 > 建筑/环境 > 施工组织

copyright@ 2008-2023 1wenmi网站版权所有

经营许可证编号:宁ICP备2022001189号-1

本站为文档C2C交易模式,即用户上传的文档直接被用户下载,本站只是中间服务平台,本站所有文档下载所得的收益归上传人(含作者)所有。第壹文秘仅提供信息存储空间,仅对用户上传内容的表现方式做保护处理,对上载内容本身不做任何修改或编辑。若文档所含内容侵犯了您的版权或隐私,请立即通知第壹文秘网,我们立即给予删除!