副斜井施工行人台阶措施.docx

上传人:p** 文档编号:224372 上传时间:2023-04-17 格式:DOCX 页数:4 大小:16.86KB
下载 相关 举报
副斜井施工行人台阶措施.docx_第1页
第1页 / 共4页
副斜井施工行人台阶措施.docx_第2页
第2页 / 共4页
副斜井施工行人台阶措施.docx_第3页
第3页 / 共4页
副斜井施工行人台阶措施.docx_第4页
第4页 / 共4页
亲,该文档总共4页,全部预览完了,如果喜欢就下载吧!
资源描述

《副斜井施工行人台阶措施.docx》由会员分享,可在线阅读,更多相关《副斜井施工行人台阶措施.docx(4页珍藏版)》请在第壹文秘上搜索。

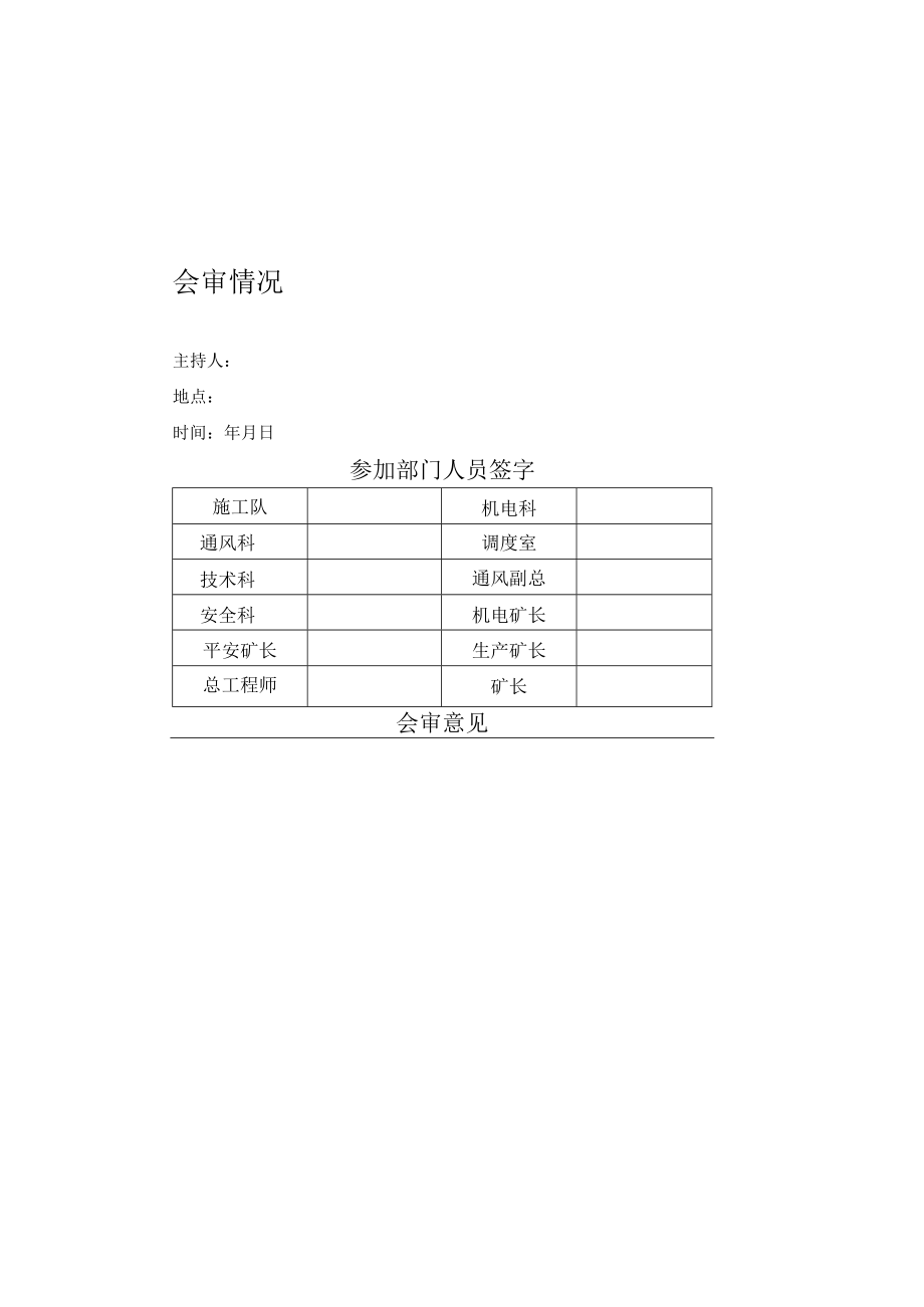
1、会审情况主持人:地点:时间:年月日参加部门人员签字施工队机电科通风科调度室技术科通风副总安全科机电矿长平安矿长生产矿长总工程师矿长会审意见贵州六盘水吉源煤业有限公司吉源煤矿副斜井施工行人台阶平安技术措施编制审核总工程师矿长时间:2013年10月10日10、施工工具用后放至平安地点,防止滑落;11、紧密协作,做好自保互保工作;12、每班由平安科支配一名平安员,负责监督现场平安工作和措施落实状况:13、硬化了的台阶,在为未凝固前,人员不得在上面行走,必要时设置专人看管。14、严格依据本措施进行施工,或依据煤矿平安规程副最井施工行人台阶平安技术措施副斜井猴车已安装完成,下车地点为斜坡,坡度16,人员

2、行走时有打滑现象,为了行人时的平安,经矿领导探讨确定将副斜井猴车下车位置到井底车场段的斜坡改为台阶式。为确保施工平安及工程质量,特编制该措施并贯彻执行。三、施工技术要求:台阶规格:长50Omm,宽500mm,iIOOmm0工程量:30o台阶要求:台阶长、宽误差W50mm,台阶高误差W50mm二、施工方法:用手镐将施工段轨道两侧的浮叶清理干净,再立模浇筑台阶。三、平安技术措施1、施工班组长做好现场指挥,负责本队平安施工;2、将施工工具、模板、混凝土等运输到施工地点;3、在两侧分别垂直钉入两根道钉,用双股8#铁丝连接,用以固定模板;4、调制好混凝土,浇筑模板并抹平达施工标准,待凝固后拆除模块。5、施工过程中严禁运行猴车;6、施工时,有人员通过施工地点时,必需停止作业等人员通过后方可作业。7、施工时,应遵循由下而上的施工原则;8、必需穿戴好劳保用品,平安带、雨鞋等达合格标准;9、施工过程中运用的楼梯、架板等工具必需确保完好,符合本措施规定;

展开阅读全文
相关资源
猜你喜欢
相关搜索

当前位置:首页 > 建筑/环境 > 铁路工程

copyright@ 2008-2023 1wenmi网站版权所有

经营许可证编号:宁ICP备2022001189号-1

本站为文档C2C交易模式,即用户上传的文档直接被用户下载,本站只是中间服务平台,本站所有文档下载所得的收益归上传人(含作者)所有。第壹文秘仅提供信息存储空间,仅对用户上传内容的表现方式做保护处理,对上载内容本身不做任何修改或编辑。若文档所含内容侵犯了您的版权或隐私,请立即通知第壹文秘网,我们立即给予删除!