工业区(南区)路网工程(一期)勘察设计--照明工程施工图设计说明.docx

上传人:p** 文档编号:233441 上传时间:2023-04-18 格式:DOCX 页数:8 大小:27.43KB
下载 相关 举报
工业区(南区)路网工程(一期)勘察设计--照明工程施工图设计说明.docx_第1页
第1页 / 共8页
工业区(南区)路网工程(一期)勘察设计--照明工程施工图设计说明.docx_第2页
第2页 / 共8页
工业区(南区)路网工程(一期)勘察设计--照明工程施工图设计说明.docx_第3页
第3页 / 共8页
工业区(南区)路网工程(一期)勘察设计--照明工程施工图设计说明.docx_第4页
第4页 / 共8页
工业区(南区)路网工程(一期)勘察设计--照明工程施工图设计说明.docx_第5页
第5页 / 共8页
工业区(南区)路网工程(一期)勘察设计--照明工程施工图设计说明.docx_第6页
第6页 / 共8页
工业区(南区)路网工程(一期)勘察设计--照明工程施工图设计说明.docx_第7页
第7页 / 共8页
工业区(南区)路网工程(一期)勘察设计--照明工程施工图设计说明.docx_第8页
第8页 / 共8页
亲,该文档总共8页,全部预览完了,如果喜欢就下载吧!
资源描述

《工业区(南区)路网工程(一期)勘察设计--照明工程施工图设计说明.docx》由会员分享,可在线阅读,更多相关《工业区(南区)路网工程(一期)勘察设计--照明工程施工图设计说明.docx(8页珍藏版)》请在第壹文秘上搜索。

1、4对初步设计评审专家组意见的执行情况1、设计总说明需补充道路交叉口的照度标准,并核实其布灯方式是否满足照明技术参数要求。执行情况,按意见补充道路交叉口的照明标准。2、补充光源的光效,灯具的光效偏低,建议按不低于140LM/W;按布灯形式,灯具可采用截光型。执行情况:按原设计LED光效不低于IOOLM八V,灯具效率不低于85%,灯具采用半截光型灯具。3、核实灯杆的抗风设计参数要求偏高,建议收集当地的气象数据,合理设计,以降低灯杆的制作成本。执行情况:按意见复核,灯杆的抗风等级按40米/秒。4、供配电系统中,两台箱式变电站的计算负荷宜分开进行叙述。执行情况:按意见调整,XBl负荷为ll34kW,X

2、B2负荷为736kV5、注意修改接灯线的文字描述,应取消“阻燃”的相关内容。执行情况:按意见修改,见说明8线路敷设。6、外电系统工程量宜单独开项,包括增容、管、线及路由。执行情况:外电系统工程量为暂定值,具体接驳点由当地供电部门确定。7、TN-S系统,由箱式变电站至照明配电箱的电缆应采用五芯线。执行情况:按意见修改为YJV220.61.05*25五芯电缆。8、道路照明平面图中箱式变电站应设置在工程红线范围内。执行情况:经核实,路灯箱变位置在工程征地红线内。9、箱式变电站宜补充高压室电气元件的技术参数,核实低压室各元件的技术参数,浪涌保护应补充保护装置,并采用I级保护元件。执行情况:按意见补充低

3、压浪涌保护装置参数。10、照明配电箱主线电器元件选型偏大,应逐一核实。照明工程施工图设计说明1工程概述本项目建设内容包括三条路,分别是通济路、光兴二路、横一路。通济路:道路全长488.778m,红线宽度30m,道路设计速度为40kmh,道路等级为城市次干道。光兴二路:道路全长610m,红线宽度30m,道路设计速度为40kh,道路等级为城市次干道。横一路:道路全长959.562m,红线宽度20m,道路设计速度为30kmh,道路等级为城市支路。2电力现状本项目通济路、光兴二路、横一路起点处均有现状路灯,对位于机动车道上的现状路灯进行拆除;通济路起点有一座高压铁塔位于机动车到下需要迁移至非机动车道下

4、。3设计依据1、城市道路照明设计标准(CJJ452015);2、供配电系统设计规范(GB50052-2009);3、低压配电设计规范(GB5(X)54-2011);4、电力工程电缆设计规范(GB50217-2007):5、建筑物防雷设计规范(GB50057-2010):6、2OkV及以下变电所设计规范(GB50053-2013);7、城市道路照明工程施工及验收规程(CJJ89-2012);8、LED城市道路照明应用技术要求(GB/T31832-2015);9、灯具第2-3部分:特殊要求道路与街路照明灯具(GB7000.203-2013)。10、道路照明用LED灯性能要求(GB/T24907-2

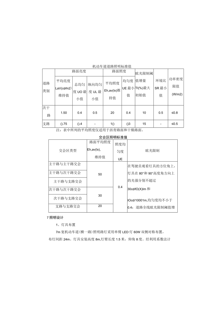
5、010);11、本院道路专业提供的设计文件。机动车道道路照明标准值道路类别路面亮度路面照度眩光限制阈值增量TI(%)最大初始值环境比SR最小值功率密度限值(W/m2)平均亮度LaV(cdm2)维持值总均匀度UO最小值纵向均匀度UL最小值平均照度Eh,av(Ix)维持值均匀度UE最小值次干路1.500.40.5200.4100.50.8支路().75().4-1()()315-0.5注:表中所列的平均照度仅适用于沥青路面和干燥路面。交会区照明标准值交会区类型路面平均照度Eh,av(Ix),维持值照度均匀度UE眩光限制主干路与主干路交会500.4在驾驶员观看灯具的方位角上,灯具在80和90高度角方

6、向上的光强分别不超过30cdIO(X)Im和IOcd/10001m,均匀度均不小于0.4;道路全线眩光限制阈值增量TI(%)最大初始值10。主干路与次干路交会主干路与支路交会次干路与次干路交会30次干路与支路交会支路与支路交会207照明设计1、灯具布置7m宽机动车道(横一路)照明路灯采用单臂LED灯60W双侧对称布置,布灯间距24m。灯具安装高度8m,灯臂长度1.5米,仰角8度。经利用系数法计执行情况:按意见调整为32A,电流互感器调整为50/5A。11、配电箱图平面图与正视图的接地做法不一致。执行情况:按意见修改,补充平面图的接地做法。12、灯杆大样图图符与说明不一致,半高杆灯大样与平面图不

7、一致,需确定为三头灯还是两头灯。执行情况:按意见调整,半高杆灯为两头灯。13、管线敷设大样宜深化,补充垫层,根据地质确定挖沟放坡的坡度。执行情况:按意见补充垫层为C15素破,坡度为1:0.25。5设计原则1、道路照明设计必须满足车辆通行要求,并达到相应城市道路等级的照度水平。2、道路照明除使道路表面满足亮度要求外,还须照度均匀,使驾驶人员视觉舒适,并能看清周围环境。3、在道路交叉口,适当提高照度标准,以便提高其通行能力。4、根据道路的现状,合理选择灯具及布置方式,力求做到与周围环境相协调。6设计标准及要求本工程照明设计以城市道路照明设计标准(CJJ45-2015)为依据。根据道路等级,充分考虑

8、了道路性质,交通量大小等方面的因素,确定本方案的照明设计遵循了以下标准:8供配电系统及照明控制方式1、供配电系统本工程道路照明按三级负荷设计,路灯总负荷约18.70kW,XBl负荷为11.34kW,XB2负荷为7.36kW根据道路照明电源配电辐射半径及保证照明灯具端电压应维持在额定电压90%-105%,本项目在通济路与横一路交叉口及龙兴二路起点分别设置一台路灯箱式变电站(IOkV进线电源由附近电缆分接箱引接,沿道路电缆沟敷设),考虑远期道路照明、绿化景观、交通监控等供电负荷,箱变容量为80kVA,并配以路灯节能控制箱,与路灯监控中心联网,便于维护和管理。控制箱为一体式结构,防尘防水、无安全绝缘

9、距离,防护等级不小于IP65,在配电箱内设置计量装置。照明线路的功率因数不应小于0.9。所有路灯均随灯配置微型断路器等相应的附件,熔断器应设在相线上,安装在灯杆拉线孔或路灯接线盒内,熔断器的熔体额定电流按厂家配套。高压侧采用一路IokV市电进线,IOkV电源引自就近变电站出线或电缆分接箱,IOkV沿电缆沟敷设。IOKV电源接驳点及电缆截面、型号由供电部门确定。2、照明控制与节能照明控制方式有:自动、手动、时控和遥控方式。在正常情况下,每种控制方式相互独立,互不干扰。道路照明采用LED路灯自带节能装置,一方面节能,另一方面能延长路灯光源使用寿命,减少维护。9线路敷设路灯供电线路采用交联聚乙烯绝缘

10、电力电缆穿管埋地敷设,埋设于人行道下,埋深不小于0.7m,管线穿越车行道时穿热镀锌钢管(4DN100)C20碎包封敷设,埋深不小于0.7m,过路管预留2根空管作备用,电缆过路和分支处设照明接线井。灯具接线按ABC相顺序接线,力求三相平衡。照明主回路选用YJV-lkV-516mm2电缆(穿PVC75敷设),电缆需预留至灯杆门中部以上。路算,设计平均照度1045LX,功率密度值为0.39Wm2,满足规范要求。8m宽机动车道(通济路、光兴二路)照明路灯采用单臂LED灯120W双侧对称布置,布灯间距24m,灯具安装高度8m,灯臂长度1.5米,仰角8度。经利用系数法计算,设计平均照度21.88LX,功率

11、密度值为0.69Wm2,满足规范要求。灯杆安装在树池与树池间或人行道上,距机动车道岩石0.5米处。2、光源、灯具及灯杆的选择本工程采用LED光源,光源光效不小于IOOLM/W。光源功率为LED灯珠模块总功率,不包括电源驱动模块功率。光源色温为28OOK-35OOK,显色指数Ra大于75O使用寿命大于50000小时。电源驱动模块功耗不得高于整灯功耗的10%,亮灯5小时后灯具功率降至系统功率60%。灯具性能等级要求为A级。灯具采用半截光型LED灯,要求为道路专用光学配光。因为LED灯具未形成标准功率等级,故本工程所标的功率仅供参考。LED灯具配光曲线要求为道路专用矩形光学配光,LED灯具效率不低于

12、85%o灯具防护等级不低于IP65。灯具在正常工作环境温度和工作状态下LED的PN结温度应不大于75度。灯具表面在正常工作环境温度和最大亮度状态下最高温度应不大于55度。在标称工作状态下,灯灯在燃点300Oh时,其光通维持率不应低于96%:在燃点600()h时,其光通维持率不应低于92%。灯的平均寿命不低于50000h,有防雷电侵入措施。灯杆采用良好防护涂层的钢杆或铝合金杆,灯杆内外应采用热镀锌防腐处理后表面再进行彩色喷塑处理,防腐蚀年限不少于30年,能满足40米/秒风速的受力要求。所有管线和设备要防盗和防恶意破坏,并满足路灯管理单位的要求。灯型与周边环境的绿化及路灯相协调。所有路灯灯罩、挑臂

13、以及灯杆壁厚不宜小于4mm,且满足直接接闪要求。于Imm,手孔门应具有良好的防盗性能。2、引入配电开关箱的电缆线管口要填满防鼠胶,以防鼠虫等小动物窜入配电开关箱内。3、本系统的防雷和接地是共网的,要求接地线与地脚螺拴的连接要符合要求,连接点要作防腐处理。4、导线在线管内不能有驳口连接,连接点应设在灯杆手孔内、接线盒内及接线井内,在伸缩缝处导线做成螺旋状便于伸缩。5、预埋的线管与其他线管平行或相交时,要按有关规范要求保留安全距离。6、接线井内导线连接,采用压接法,连接口线包扎黄蜡绸后包扎防水胶布,最后采用热缩管保护,以达到绝缘、防水目的:接线井应设置在照明沿线的路口两侧、箱变过路、照明线路的起始

14、端和末端。7、灯具的使用应结合当地路灯管理部门的实际使用情况确定。灯分支线采用RVV-3X25mm2电线。每一灯具均从灯杆配电门内的相关供电干线中接电,线管内不允许有电缆接头,所有接头应在接线盒或接线井内接驳,供电线路在变径或断开处应采用铜接线端子压接连接,不允许缠绕连接。10防雷接地1、照明配电系统的接地形式采用TN-S系统。2、照明配电系统接地型式采用TN-S系统。箱式变电站变压器中性点处设工作接地和保护接地,公共接地电阻不大于4欧。并在箱变处作总等电位联结,将PE干线、接地干线、箱变引出的金属管道、箱变基坑的金属构件、箱变外露可导电部分、金属围栏等可靠连接。灯杆保护接地利用路灯基础做接地

15、极,路灯基础和PE线可靠连接形成可靠的重复接地,其中线路首端、末端及分支处的灯杆,其接地电阻(断开PE线测量)不应大于10欧;除前述之外的其他场所的路灯灯杆,其接地电阻不应大于30欧(断开PE线测量),同时不应大于4欧(接入PE线测量):接地电阻达不到要求时,需补打接地极,并禁止使用降阻剂。11节能措施1、供电设备选用节能变压器,车道灯采用调光控制,要求实现灯具的自动、人工干预控制,按照12点前整灯功率的100%功率、十二点后整灯功率的6070%功率两级功率模式进行调光控制。2、本道路照明维护系数为0.7,对路灯进行定期清扫、更换光源及其它维护。3、采用高光效LED光源。4、采用节能型路灯变压器。12注意事项及技术要求1、安装的灯杆应设置手孔门,手孔门离地面高度不小于500mm,手孔门与杆之间缝隙不大

展开阅读全文
相关资源
猜你喜欢
相关搜索

当前位置:首页 > 建筑/环境 > 岩土与地质勘察

copyright@ 2008-2023 1wenmi网站版权所有

经营许可证编号:宁ICP备2022001189号-1

本站为文档C2C交易模式,即用户上传的文档直接被用户下载,本站只是中间服务平台,本站所有文档下载所得的收益归上传人(含作者)所有。第壹文秘仅提供信息存储空间,仅对用户上传内容的表现方式做保护处理,对上载内容本身不做任何修改或编辑。若文档所含内容侵犯了您的版权或隐私,请立即通知第壹文秘网,我们立即给予删除!