工程公司P3软件信息编码原则.docx

上传人:p** 文档编号:233753 上传时间:2023-04-18 格式:DOCX 页数:3 大小:36.42KB
下载 相关 举报
工程公司P3软件信息编码原则.docx_第1页
第1页 / 共3页
工程公司P3软件信息编码原则.docx_第2页
第2页 / 共3页
工程公司P3软件信息编码原则.docx_第3页
第3页 / 共3页
亲,该文档总共3页,全部预览完了,如果喜欢就下载吧!
资源描述

《工程公司P3软件信息编码原则.docx》由会员分享,可在线阅读,更多相关《工程公司P3软件信息编码原则.docx(3页珍藏版)》请在第壹文秘上搜索。

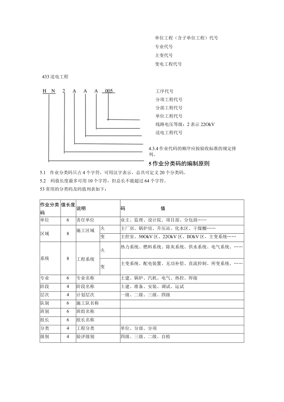
1、工程公司P3软件信息编码原则1目的为了规范信息代码的编制工作,加速P3计划软件在全公司推广的进程,特制定本编制原则。2适用范围本编制原则适用于局属除业主或监理公司有特别要求外的所有工程项目。3标准、术语本编制所称的信息代码原则包含作业代码、作业分类码、工作结构分解码(WBS)、资源代码和费用科目代码等4作业代码的编制原则4.1 P3软件中所指的作业代码即是作业编号,它是唯一的,不能重复。4.2 作业代码的字符长度最多为十位,可以是字母、数字以及两者的组合。4.3 作业代码的含义规定如下43.1火电厂工程工序或验收批顺序号:如005、010、分项工程代号:如A、B、C分部工程(含子分部工程)代号

2、:如A、单位工程(含子单位工程):如A、B、专业工种代号:如A代表土建专业机组代号:1代表#1机组电厂代号(前二位):用拼音首位字母组4.3.2变电工程PCIAAAA005工序或验收批顺序号分项工程代号分部工程(含子分部工程)代号单位工程(含子单位工程)代号专业代号主变代号变电工程代号433送电工程工序代号分项工程代号分部工程代号单位工程代号线路电压等级:2表示22OkV送电工程代号4.3.4作业代码的顺序应按验收标准的规定排列。5作业分类码的编制原则5.1 作业分类码只占4个字符,可用汉字表示,总共可定义20个分类码。5.2 码值长度最多可用10个字符,但总长不能超过64个字符。53常用的分

3、类码及码值列表如下:作业分类码值长度说明码值单位6责任单位业主、监理、设计院、项目部、分包商区域8施工区域火主厂房、锅炉房、升压站、化水区、干煤棚变主控室、50OkV区、22OkV区、IlOkV区、主变系统系统8工程系统火热力系统、燃料系统、除灰系统、供水系统、电气系统、变主变系统、配电装置、无功补偿、直流控制、所变系统、专业6专业名称土建、锅炉、汽机、电气、热控、焊接阶段4阶段名称土建、准备、安装、调试、运试层次4计划层次一级、二级、三级、四级队别6施工队名称班别6班组名称组长6组长名称分类4工程分类单位、分部、分项级别4验评级别四级、三级、二级、自检结果4验评结果优良、合格相关4与里程碑相

4、关工序水压、扣盖、受电、酸洗、冲管、冲转6工作结构分解编码(WBS)的编制原则6.1 WBS编码是层次化工作分解的一种编码,它的编制原则应与作业代码相对应。6.2 WBS的结构一般为6层,第一层2位,其余每层的宽度为1位,每层之间可用“”分隔,各层代码的含义如下:1、(2位)2(1位)3(1位)4(1位)5(1位)6(1位)示例X1AAAA代号含义项目代号名称,用首位拼音字母组成火一机组号变一主变号送一电压等级专业代号单位工程代号分部工程代号分项工程代号7资源代码编制原则7.1 资源的含义除了指完成作业所需的劳动力、设备和材料外,还包含工程量等需要进行分析统计的数据。7.2 每类资源用汉语拼音的第一位字母加“*”表示,如G*、L*、Z*、J*分别代表工程量类、劳动力类、主材类和机械类。7.3 同类资源均用其类别号开头,如木工、钢筋工、焊工分别用L木工、L钢筋工、L焊工表示。8费用科目的编制原则8.1 费用科目编码由不超过Il位的费用科目号加只有1位字符长度的费用类别号组成,总长不能超过12位。8.2 费用类别号可与资源的类别号相对应,如。代号LZJQF含义人工费主材费机械费其它费分包费8.3费用科目号可与WBS的编码一致。如只核算到单位工程时,最后两位编码不再细分。

展开阅读全文
相关资源
猜你喜欢
相关搜索

当前位置:首页 > IT计算机 > 软件工程

copyright@ 2008-2023 1wenmi网站版权所有

经营许可证编号:宁ICP备2022001189号-1

本站为文档C2C交易模式,即用户上传的文档直接被用户下载,本站只是中间服务平台,本站所有文档下载所得的收益归上传人(含作者)所有。第壹文秘仅提供信息存储空间,仅对用户上传内容的表现方式做保护处理,对上载内容本身不做任何修改或编辑。若文档所含内容侵犯了您的版权或隐私,请立即通知第壹文秘网,我们立即给予删除!