建筑施工专业分包情况自查表.docx

上传人:p** 文档编号:236470 上传时间:2023-04-18 格式:DOCX 页数:7 大小:35.53KB
下载 相关 举报
建筑施工专业分包情况自查表.docx_第1页
第1页 / 共7页
建筑施工专业分包情况自查表.docx_第2页
第2页 / 共7页
建筑施工专业分包情况自查表.docx_第3页
第3页 / 共7页
建筑施工专业分包情况自查表.docx_第4页
第4页 / 共7页
建筑施工专业分包情况自查表.docx_第5页
第5页 / 共7页
建筑施工专业分包情况自查表.docx_第6页
第6页 / 共7页
建筑施工专业分包情况自查表.docx_第7页
第7页 / 共7页
亲,该文档总共7页,全部预览完了,如果喜欢就下载吧!
资源描述

《建筑施工专业分包情况自查表.docx》由会员分享,可在线阅读,更多相关《建筑施工专业分包情况自查表.docx(7页珍藏版)》请在第壹文秘上搜索。

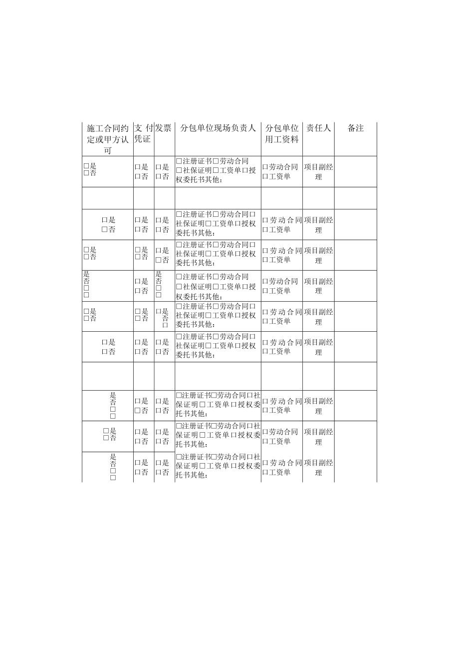
1、建筑施工专业分包情况自查表项目名称:一形象进度:_W分项名称分包单位名称分包介同经营证照分包类型施工合同约定或甲方认可支付凭证发票分包单位现场负责人分包单位用工资料责任人备注1劳务分包*1.1主体结构分包是否口营业执照口税务登记证口组织机构代码资质证书口安全生产许可证口甲方分包口甲方指定口自行分包是否口是否是否注册证书劳动合同口社保证明工资单口授权委托书其他:口劳动合同口工资单劳务专管员1.2装饰工程分包口是否口营业执照口税务登记证口组织机构代码口资质证书安全生产许可证口甲方分包口甲方指定口自行分包口是否口是否口是否注册证书劳动合同口社保证明工资单口授权委托书其他:口劳动合同口工资单劳务专管员

2、1.3安装工程分包口是口否口营业执照口税务登记证口组织机构代码资质证书口安全生产许可证口甲方分包口甲方指定口自行分包口是否口是口否口是口否注册证书劳动合同口社保证明工资单口授权委托书其他:口劳动合同口工资单劳务专管贝2地基与基础2.1桩基工程*一是否口口营业执照口税务登记证口组织机构代码资质证书口安全生产许可证口甲方分包口甲方指定口自行分包口是口否是否是否注册证书劳动合同口社保证明工资单口授权委托书其他:口劳动合同口工资单项目副经理2.2基坑支护口是否口营业执照口税务登记证口组织机构代码口资质证书安全生产许可证口甲方分包口甲方指定口自行分包口是口否口是否口是否注册证书劳动合同口社保证明工资单口

3、授权委托书其他:口劳动合同口工资单项目副经理3土石方工程3.1土方开挖支-是否口口营业执照口税务登记证口组织机构代码资质证书口安全生产许可证口甲方分包口甲方指定口自行分包是否口是否是否注册证书劳动合同口社保证明工资单口授权委托书其他:口劳动合同口工资单项目副经理3.2土方回填-是否口营业执照口税务登记证口组织机构代码口资质证书安全生产许可证口甲方分包口甲方指定口自行分包口是口否口是口否口是口否注册证书劳动合同口社保证明工资单口授权委托书其他:口劳动合同口工资单项目副经理4建筑防水工程4.1基础防水口是否口营业执照口税务登记证口组织机构代码资质证书口安全生产许可证口甲方分包口甲方指定口自行分包口

4、是否口是否口是否注册证书劳动合同口社保证明工资单口授权委托书其他:口劳动合同口工资单项目副经理4.2地下室防水是否口营业执照口税务登记证口组织机构代码口资质证书口安全生产许可证口甲方分包口甲方指定口自行分包口是口否口是口否口是口否注册证书劳动合同口社保证明工资单口授权委托书其他:口劳动合同口工资单项目副经理序号分项名称分包单位名称分包合同经营证照分包类型施工合同约定或甲方认可支付凭证发票分包单位现场负责人分包单位用工资料责任人备注4.3卫生间防水是否营业执照税务登记证口组织机构代码口资质证书安全生产许可证口甲方分包甲方指定口自行分包口是口否口是口否口是口否注册证书劳动合同社保证明工资单授权委托

5、书其他:口劳动合同口工资单项目副经理4.4厨房防水是否营业执照税务登记证口组织机构代码口资质证书口安全生产许可证甲方分包口甲方指定口自行分包口是口否是否口是否注册证书劳动合同社保证明工资单授权委托书其他:口劳动合同工资单项目副经理4.5屋面防水-是否营业执照税务登记证口组织机构代码口资质证书口安全生产许可证甲方分包口甲方指定口自行分包口是否口是否口是否注册证书劳动合同社保证明工资单授权委托书其他:口劳动合同口工资单项目副经理5门窗工程5.1防火门-是否营业执照税务登记证口组织机构代码口资质证书口安全生产许可证甲方分包口甲方指定口自行分包口是否-是否口是否注册证书劳动合同社保证明工资单授权委托书

6、其他:口劳动合同口工资单项目副经理5.2进户门一是否营业执照税务登记证口组织机构代码资质证书口安全生产许可证口甲方分包口甲方指定口自行分包是否是否口是否注册证书劳动合同社保证明工资单授权委托书其他:口劳动合同口工资单项目副经理5.3金属门窗-是否营业执照税务登记证口组织机构代码口资质证书口安全生产许可证口甲方分包口甲方指定口自行分包口是口否-是否口是口否注册证书劳动合同社保证明工资单授权委托书其他:口劳动合同工资单项目副经理5.4塑钢门窗是否营业执照税务登记证口组织机构代码口资质证书口安全生产许可证口甲方分包口甲方指定口自行分包口是口否是否是否注册证书劳动合同社保证明工资单授权委托书其他:口劳

7、动合同口工资单项目副经理5.5木门是否营业执照税务登记证口组织机构代码资质证书口安全生产许可证甲方分包口甲方指定自行分包是否一是否是否注册证书劳动合同社保证明工资单授权委托书其他:口劳动合同口工资单项目副经理6防腐保温工程6.1外墙外保温是否营业执照税务登记证口组织机构代码口资质证书口安全生产许可证口甲方分包口甲方指定口自行分包是否是否是否注册证书劳动合同社保证明工资单授权委托书其他:口劳动合同口工资单项目副经理6.2内墙内保温是否营业执照税务登记证口组织机构代码口资质证书口安全生产许可证口甲方分包口甲方指定自行分包是否是否是否注册证书劳动合同社保证明工资单授权委托书其他:口劳动合同口工资单项

8、目副经理施工合同约定或甲方认可支付凭证发票分包单位现场负责人分包单位用工资料责任人备注是否口是口否口是口否注册证书劳动合同社保证明工资单口授权委托书其他:口劳动合同口工资单项目副经理口是否口是口否口是口否注册证书劳动合同口社保证明工资单口授权委托书其他:口劳动合同口工资单项目副经理是否是否口是否注册证书劳动合同口社保证明工资单口授权委托书其他:口劳动合同口工资单项目副经理是否口是口否是否注册证书劳动合同社保证明工资单口授权委托书其他:口劳动合同口工资单项目副经理是否是否是否口口注册证书劳动合同口社保证明工资单口授权委托书其他:口劳动合同口工资单项目副经理口是口否口是口否口是口否注册证书劳动合同

9、口社保证明工资单口授权委托书其他:口劳动合同口工资单项目副经理是否口是否口是口否注册证书劳动合同口社保证明工资单口授权委托书其他:口劳动合同口工资单项目副经理是否口是口否口是口否注册证书劳动合同口社保证明工资单口授权委托书其他:口劳动合同口工资单项目副经理是否口是口否口是口否注册证书劳动合同口社保证明工资单口授权委托书其他:口劳动合同口工资单项目副经理序号分项名称分包单位名称分包合同经营证照分包类型6.3防腐工程是口否口营业执照口税务登记证口组织机构代码口资质证书口安全生产许可证口甲方分包口甲方指定口自行分包7人防工程7.1人防门口是口否口营业执照口税务登记证口组织机构代码口资质证书口安全生产

10、许可证口甲方分包口甲方指定口自行分包7.2人防设备等是否口口-口营业执照口税务登记证口组织机构代码口资质证书安全生产许可证口甲方分包口甲方指定口自行分包8附着升降脚手架是否口营业执照口税务登记证口组织机构代码资质证甲方分包口甲方指定口自行分包9钢结构工程是否口营业执照口税务登记证口组织机构代码口资质证书安全生产许可证口甲方分包口甲方指定口自行分包10轻质隔墙工程是否口营业执照口税务登记证口组织机构代码资质证书口安全生产许可证口甲方分包口甲方指定口自行分包11建筑装饰工程11.1石材装饰-是否口营业执照口税务登记证口组织机构代码资质证书口安全生产许可证口甲方分包口甲方指定口自行分包11.2公共部

11、位是口否口营业执照口税务登记证口组织机构代码口资质证书安全生产许可证口甲方分包口甲方指定口自行分包12排烟气道工程口是口否口营业执照口税务登记证其他:口甲方分包口甲方指定口自行分包13安装工程序号分项名称分包单位名称分包合同经营证照分包类型施工合同约定或甲方认可支付凭证发票分包单位现场负责人分包单位用工资料责任人备注13.1地辐热是口否营业执照税务登记证口组织机构代码口资质证书口安全生产许可证口甲方分包口甲方指定口自行分包是口否是否是否注册证书劳动合同社保证明工资单授权委托书其他:口劳动合同工资单项目副经理13.2消防设施工程是否营业执照税务登记证口组织机构代码口资质证书口安全生产许可证口甲方分包口甲方指定口白行分包口是否是否是否注册证书劳动合同社保证明工资单授权委托书其他:口劳动合同口工资单项目副经理13.3智能化工程口是口否营业执

展开阅读全文
相关资源
猜你喜欢
相关搜索

当前位置:首页 > 建筑/环境 > 安全文明施工

copyright@ 2008-2023 1wenmi网站版权所有

经营许可证编号:宁ICP备2022001189号-1

本站为文档C2C交易模式,即用户上传的文档直接被用户下载,本站只是中间服务平台,本站所有文档下载所得的收益归上传人(含作者)所有。第壹文秘仅提供信息存储空间,仅对用户上传内容的表现方式做保护处理,对上载内容本身不做任何修改或编辑。若文档所含内容侵犯了您的版权或隐私,请立即通知第壹文秘网,我们立即给予删除!