建筑物照明通电试运行质量标准及检验方法.docx

上传人:p** 文档编号:237144 上传时间:2023-04-18 格式:DOCX 页数:1 大小:14.22KB
下载 相关 举报
建筑物照明通电试运行质量标准及检验方法.docx_第1页
第1页 / 共1页
亲,该文档总共1页,全部预览完了,如果喜欢就下载吧!
资源描述

《建筑物照明通电试运行质量标准及检验方法.docx》由会员分享,可在线阅读,更多相关《建筑物照明通电试运行质量标准及检验方法.docx(1页珍藏版)》请在第壹文秘上搜索。

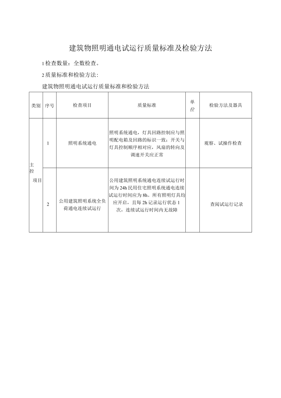
建筑物照明通电试运行质量标准及检验方法1检查数量:全数检查。2质量标准和检验方法:建筑物照明通电试运行质量标准和检验方法类别序号检查项目质量标准单位检验方法及器具主1照明系统通电照明系统通电,灯具回路控制应与照明配电箱及回路的标识一致;开关与灯具控制顺序相对应,风扇的转向及调速开关应正常观察、试操作检查控项目2公用建筑照明系统全负荷通电连续试运行公用建筑照明系统通电连续试运行时间为24h民用住宅照明系统通电连续试运行时间应为8h。所有照明灯具均应开启,且每2h记录运行状态1次,连续试运行时间内无故障查阅试运行记录

展开阅读全文
相关资源
猜你喜欢
相关搜索

当前位置:首页 > 建筑/环境 > 电气安装工程

copyright@ 2008-2023 1wenmi网站版权所有

经营许可证编号:宁ICP备2022001189号-1

本站为文档C2C交易模式,即用户上传的文档直接被用户下载,本站只是中间服务平台,本站所有文档下载所得的收益归上传人(含作者)所有。第壹文秘仅提供信息存储空间,仅对用户上传内容的表现方式做保护处理,对上载内容本身不做任何修改或编辑。若文档所含内容侵犯了您的版权或隐私,请立即通知第壹文秘网,我们立即给予删除!