急救物品、药品质量评价标准.docx

上传人:p** 文档编号:238022 上传时间:2023-04-18 格式:DOCX 页数:2 大小:26.73KB
下载 相关 举报
急救物品、药品质量评价标准.docx_第1页
第1页 / 共2页
急救物品、药品质量评价标准.docx_第2页
第2页 / 共2页
亲,该文档总共2页,全部预览完了,如果喜欢就下载吧!
资源描述

《急救物品、药品质量评价标准.docx》由会员分享,可在线阅读,更多相关《急救物品、药品质量评价标准.docx(2页珍藏版)》请在第壹文秘上搜索。

1、一级护理质量评价标准(急救物品、药品管理)检查日期:检查科室:检查者:得分:项目检查要点检查内容核查结果否(标准化语言描述)分值扣分标准是V否X救品药护质评标W)急物、品理量价准Io分供氧粗(12分)1.使用中的氧气管理规范。Ll使用中的氧气筒无支架车、防尘套L2氧气筒未挂“四防”标识并按“四防”管理1. 3氧气筒中氧气量低于0.5mPa(5kgcra2)L4氧气流量与医嘱不符L5氧气流量表不规范1.6湿化瓶及湿化液不规范17暂停吸氧的用物处理不当L8其它6一项不合格扣1分2.备用氧气管理规范。2.1氧气筒无“空”、满”标识2.2氧气筒未挂“四防”标识2.3氧气筒放置地点不符合规范2.4氧气筒

2、未备用相应物品2.5备用氧气筒未放尽余氧、关闭开关2.6物品过期2.7氧气袋未定点放置并处于备用状态,用物不齐全2.8其他6一项不合格扣1分,物品过期一票否决,扣6分吸引缸(12分)3.吸引器清洁,处于完好备用状态3.1吸引器未防尘,不清洁3.2吸引器损坏,负压不足3.3吸引用品不齐全3.4吸引用品过期3. 5未悬挂操作流程及故障处理流程图3.6其它-1一项不合格扣2分,吸引器损坏或负压不足、物品过期,一票否袂,扣4分4.护士熟悉吸引器正常负压值,掌握吸引器的检查方法,对使用过程中的故隙有预见性。4.1护士不熟悉吸引器负压值4.2护士不熟悉吸引器检查方法4.3护士对吸引器使用过程中的故障无预见

3、性4.4需要维修的抢救仪器未挂上“设备待修”4.5或“仪器故障”标识4一项不合格扣I分5.吸引用品管理规范,吸痰管一用一换5.1吸痰用物放置不规范5.2吸痰用冲洗液未标识5.3吸痰用冲洗液超过24小时未更换5.4吸痰管未用一换2一项不合格扣1分,吸痰管过期一票否决,扣2分6.使用中的吸引器,负压版内盛1OOOmgZL“84消毒液”(中心吸引负压瓶内盛IOOm1,电动吸引负压瓶内盛(200ml61使用中的吸引器负压瓶内未配备消毒液6.2消毒液浓度不正确6.3消毒液量不正确2一项不合格扣1分抢救车(30分)7.抢救车清洁,有物品放苴平面示意图,指示清楚7.1抢救车不清洁?.2抢救车无平面示意图7.

4、3抢救车平面示意图与实物不相符4一项不合格扣2分8.抢救车内物品管理规范。8.1抢救物品种类不齐全8.2抢救物品数量不能满足抢救需要8. 3抢救物品账物相符8.4备用物品损坏8. 5近效期物品未做警示标识或标识不符合规范8.6抢救物品过期87其它8一项不合格扣2分,备用物品损坏、物品过期,一票否决,扣8分9.抢救车内药品管理规范。9.1抢救药品账物不相符9.2抢救药品标识不规范9.3抢救药品放置不当9.4抢救药品变质9.5近效期抢救药品未做警示标识或标识不规范9.6抢救药品过期9.7其它8一项不合格扣2分,抢救药品变质、药品过期,一票否决,扣8分10.抢救车药品、物品清点与交接规范。10.1

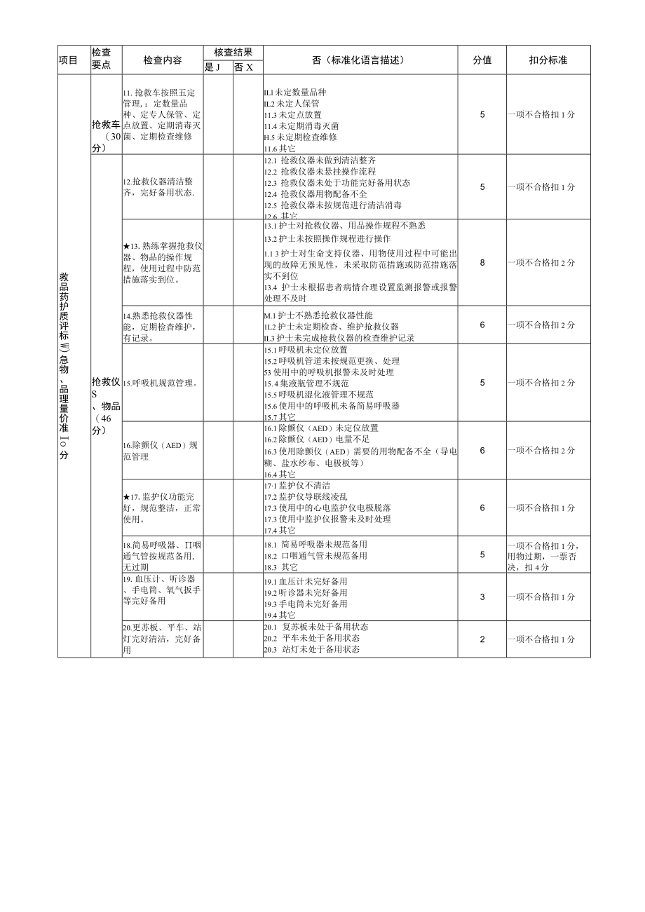
5、护士未每班清点抢救物品、药品10.2 护士长未每周检查抢救物品、药品备用情况10.3 3抢救车清点交接记录不规范10.4其它5一项不合格扣1分项目检查要点检查内容核查结果否(标准化语言描述)分值扣分标准是J否X救品药护质评标W)急物、品理量价准Io分抢救车(30分)11.抢救车按照五定管理,:定数量品种、定专人保管、定点放置、定期消毒灭菌、定期检查维修ILl未定数量品种IL2未定人保管11.3未定点放置11.4未定期消毒灭菌H.5未定期检查维修11.6其它5一项不合格扣1分抢救仪S、物品(46分)12.抢救仪器清洁整齐,完好备用状态.12.1 抢救仪器未做到清洁整齐12.2 抢救仪器未悬挂操作

6、流程12.3 抢救仪器未处于功能完好备用状态12.4 抢救仪器用物配备不全12.5 抢救仪器未按规范进行清洁消毒12.6 其它5一项不合格扣1分13.熟练掌握抢救仪器、物品的操作规程,使用过程中防范措施落实到位。13.1护士对抢救仪器、用品操作规程不熟悉13.2护士未按照操作规程进行操作1.1 3护士对生命支持仪器、用物使用过程中可能出现的故障无预见性,未采取防范措施或防范措施落实不到位13.4 护士未根据患者病情合理设置监测报警或报警处理不及时13.5 其它8一项不合格扣2分14.熟悉抢救仪器性能,定期检杳维护,有记录。M.1护士不熟悉抢救仪器性能1L2护士未定期检杳、维护抢救仪器IL3护士

7、未完成抢救仪器的检查维护记录6一项不合格扣2分15.呼吸机规范管理。15.1呼吸机未定位放置15.2呼吸机管道未按规范更换、处理53使用中的呼吸机报警未及时处理15. 4集液瓶管理不规范15.5呼吸机湿化液管理不规范15.6使用中的呼吸机未备简易呼吸器15.7其它5一项不合格扣2分16.除颤仪(AED)规范管理16.1除颤仪(AED)未定位放置16.2除颤仪(AED)电量不足16.3使用除颤仪(AED)需要的用物配备不全(导电糊、盐水纱布、电极板等)16.4其它6一项不合格扣2分17.监护仪功能完好,规范整洁,正常使用。171监护仪不清洁17.2监护仪导联线凌乱17.3使用中的心电监护仪电极脱落17.3使用中监护仪报警未及时处理17.4其它6一项不合格扣1分18.简易呼吸器、咽通气管按规范备用,无过期18.1 简易呼吸器未规范备用18.2 口咽通气管未规范备用18.3 其它5一项不合格扣1分,用物过期,一票否决,扣4分19.血压计、听诊器、手电筒、氧气扳手等完好备用19.1血压计未完好备用19.2听诊器未完好备用19.3手电筒未完好备用19.4其它3一项不合格扣1分20.更苏板、平车、站灯完好清洁,完好备用20.1 复苏板未处于备用状态20.2 平车未处于备用状态20.3 站灯未处于备用状态2一项不合格扣1分

展开阅读全文
相关资源
猜你喜欢
相关搜索

当前位置:首页 > 医学/心理学 > 重症医学

copyright@ 2008-2023 1wenmi网站版权所有

经营许可证编号:宁ICP备2022001189号-1

本站为文档C2C交易模式,即用户上传的文档直接被用户下载,本站只是中间服务平台,本站所有文档下载所得的收益归上传人(含作者)所有。第壹文秘仅提供信息存储空间,仅对用户上传内容的表现方式做保护处理,对上载内容本身不做任何修改或编辑。若文档所含内容侵犯了您的版权或隐私,请立即通知第壹文秘网,我们立即给予删除!