投影仪玻筋检测作业指导书.docx

上传人:p** 文档编号:239272 上传时间:2023-04-18 格式:DOCX 页数:1 大小:35.10KB
下载 相关 举报
投影仪玻筋检测作业指导书.docx_第1页
第1页 / 共1页
亲,该文档总共1页,全部预览完了,如果喜欢就下载吧!
资源描述

《投影仪玻筋检测作业指导书.docx》由会员分享,可在线阅读,更多相关《投影仪玻筋检测作业指导书.docx(1页珍藏版)》请在第壹文秘上搜索。

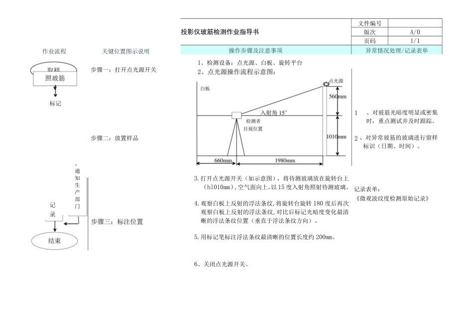
作业流程投影仪玻筋检测作业指导书文件编号版次A/0页码1/1操作步骤及注意事项异常情况处理/记录表单关键位置图示说明标记步骤一:打开点光源开关步骤二:放置样品,通知生产部门记录1、检测设备:点光源、白板、旋转平台、对玻筋光暗度明显或密集时,重点测试并及时跟踪。、对异常玻筋的玻璃进行留样标识(日期、时间)。3 .打开点光源开关(如示意图),将待测玻璃放在旋转台上(hl010mm),空气面向上,以15度入射角照射待测玻璃。4 .观察白板上反射的浮法条纹,将旋转台旋转180度后再次观察白板上反射的浮法条纹,对比后标记光暗度变化最清晰的浮法条纹位置(垂直于浮法条纹方向)。5 .用标记笔标注浮法条纹最清晰的位置长度约200mm。6、关闭点光源开关。记录表单:微观波纹度检测原始记录

展开阅读全文
相关资源
猜你喜欢
相关搜索

当前位置:首页 > 高等教育 > 实验设计

copyright@ 2008-2023 1wenmi网站版权所有

经营许可证编号:宁ICP备2022001189号-1

本站为文档C2C交易模式,即用户上传的文档直接被用户下载,本站只是中间服务平台,本站所有文档下载所得的收益归上传人(含作者)所有。第壹文秘仅提供信息存储空间,仅对用户上传内容的表现方式做保护处理,对上载内容本身不做任何修改或编辑。若文档所含内容侵犯了您的版权或隐私,请立即通知第壹文秘网,我们立即给予删除!