抽水蓄能电站焊接工艺指导书施工技术方案报审表.docx

上传人:p** 文档编号:239783 上传时间:2023-04-18 格式:DOCX 页数:3 大小:46.19KB
下载 相关 举报
抽水蓄能电站焊接工艺指导书施工技术方案报审表.docx_第1页
第1页 / 共3页
抽水蓄能电站焊接工艺指导书施工技术方案报审表.docx_第2页
第2页 / 共3页
抽水蓄能电站焊接工艺指导书施工技术方案报审表.docx_第3页
第3页 / 共3页
亲,该文档总共3页,全部预览完了,如果喜欢就下载吧!
资源描述

《抽水蓄能电站焊接工艺指导书施工技术方案报审表.docx》由会员分享,可在线阅读,更多相关《抽水蓄能电站焊接工艺指导书施工技术方案报审表.docx(3页珍藏版)》请在第壹文秘上搜索。

1、抽水蓄能电站焊接工艺指导书施工技术方案报审表日期:2008.3.25焊接工艺评定报告编号单位名称:焊接工艺指导书编号:TZ-FMPSH-TZ焊接方法:SAW焊层、焊道布置及顺序焊接接头坡口形式:=50mmH=30mmP=2c=0-2=505=75o5onl=25mmn2=25mm衬垫(材料及规格):其他:母材:类别号HI组别号I3与类别号I组别号L3相焊标准号钢号B610CF与标准号钢号B610CF相焊厚度范围:46mm58mm母材:对接焊缝焊缝金属厚度范围:对接焊缝其他:焊接材料:焊丝牌号HOSMnMoA焊剂牌号:SJlOl焊丝烘干参数焊缝(焊丝)熔敷金属化学成分%焊材牌号CSiMnPSCr

2、NiCuTiH08MnMoA0.0960.171.200.0110.0060.0830.0460.1950.11焊接位置:F对接焊缝位置层间温度:150预热温度(允许最低值):70保持预热时间层间温度(允许最高值)加热方式履带板焊后消除应力热处理温度范围:保温时间min电特性:电流种类:直流极性:反接焊接电流范围:450-700A电弧电压:26-36V焊接工艺规范参数要求:焊接层次焊接方法焊条(丝)焊接电流电弧电压V焊接速度cm/min焊接热输入KJ/cm牌号直径极性电流A正:1SAWH08MnMoA4.0直流反接450-70028-3250.020.32SAWH08MnMoA4.0直流反接4

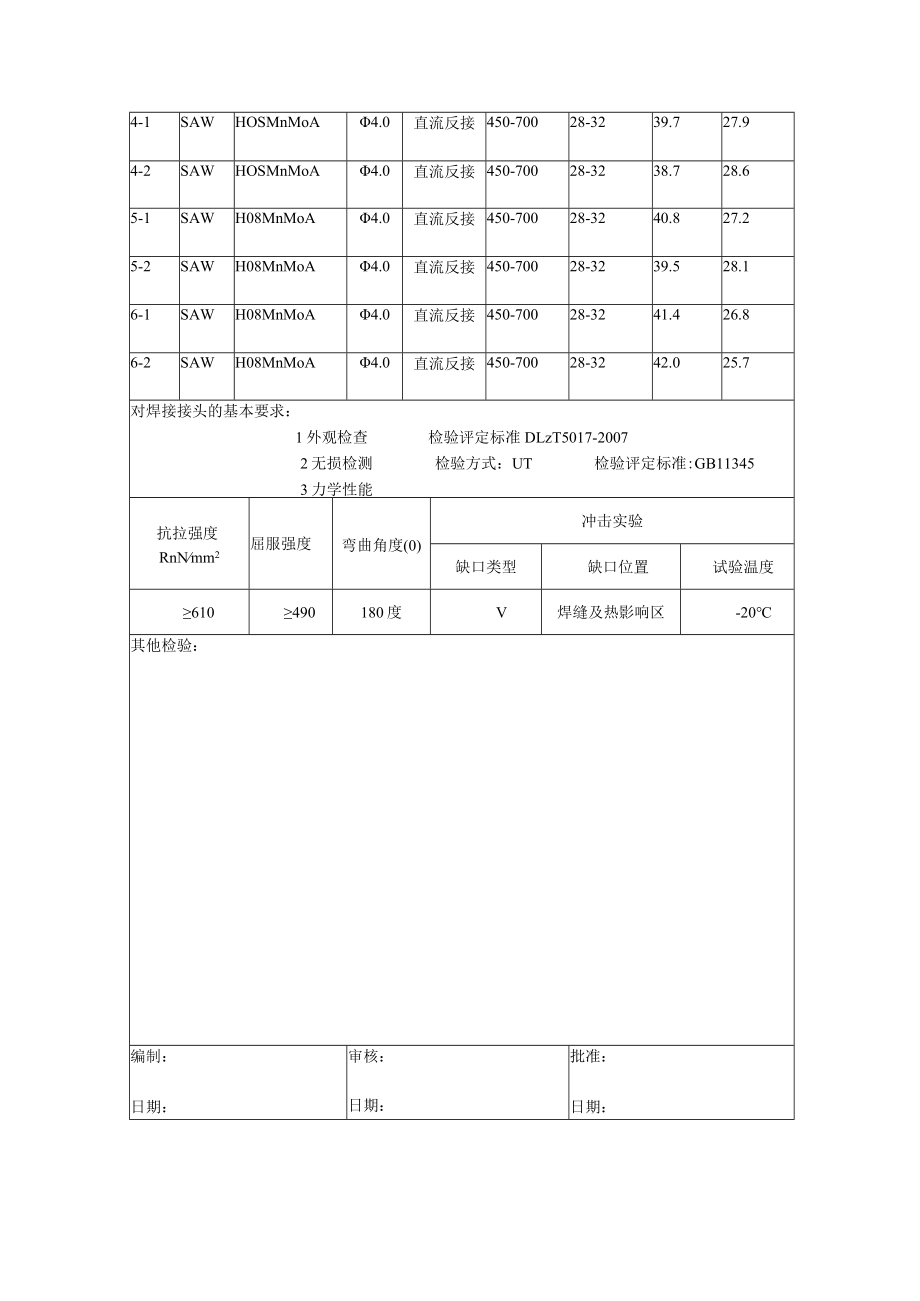
3、50-70028-3244.423.53SAWH08MnMoA4.0直流反接450-70028-3244.423.54SAWH08MnMoA4.0直流反接450-70028-3250.821.85SAWH08MnMoA4.0直流反接450-70028-3240.027.76SAWH08MnMoA4.0直流反接450-70028-3240.527.47-1SAWH08MnMoA4.0直流反接450-70028-3239.228.37-2SAWH08MnMoA4.0直流反接450-70028-3239.028.58-1SAWH08MnMoA4.0直流反接450-70028-3239.526.58-

4、2SAWH08MnMoA4.0直流反接450-70028-3243.524.0背:1SAWH08MnMoA4.0直流反接450-70028-3248.021.12SAWH08MnMoA4.0直流反接450-70028-3243.824.63SAWH08MnMoA4.0直流反接450-70028-3238.528.84-1SAWHOSMnMoA4.0直流反接450-70028-3239.727.94-2SAWHOSMnMoA4.0直流反接450-70028-3238.728.65-1SAWH08MnMoA4.0直流反接450-70028-3240.827.25-2SAWH08MnMoA4.0直流反接450-70028-3239.528.16-1SAWH08MnMoA4.0直流反接450-70028-3241.426.86-2SAWH08MnMoA4.0直流反接450-70028-3242.025.7对焊接接头的基本要求:1外观检查检验评定标准DLzT5017-20072无损检测检验方式:UT检验评定标准:GB113453力学性能抗拉强度RnNmm2屈服强度弯曲角度(0)冲击实验缺口类型缺口位置试验温度610490180度V焊缝及热影响区-20其他检验:编制:日期:审核:日期:批准:日期:

展开阅读全文
相关资源
猜你喜欢
相关搜索

当前位置:首页 > 建筑/环境 > 施工组织

copyright@ 2008-2023 1wenmi网站版权所有

经营许可证编号:宁ICP备2022001189号-1

本站为文档C2C交易模式,即用户上传的文档直接被用户下载,本站只是中间服务平台,本站所有文档下载所得的收益归上传人(含作者)所有。第壹文秘仅提供信息存储空间,仅对用户上传内容的表现方式做保护处理,对上载内容本身不做任何修改或编辑。若文档所含内容侵犯了您的版权或隐私,请立即通知第壹文秘网,我们立即给予删除!