排水管沟及井池检验批.docx

上传人:p** 文档编号:240101 上传时间:2023-04-18 格式:DOCX 页数:3 大小:25.72KB
下载 相关 举报
排水管沟及井池检验批.docx_第1页
第1页 / 共3页
排水管沟及井池检验批.docx_第2页
第2页 / 共3页
排水管沟及井池检验批.docx_第3页
第3页 / 共3页
亲,该文档总共3页,全部预览完了,如果喜欢就下载吧!
资源描述

《排水管沟及井池检验批.docx》由会员分享,可在线阅读,更多相关《排水管沟及井池检验批.docx(3页珍藏版)》请在第壹文秘上搜索。

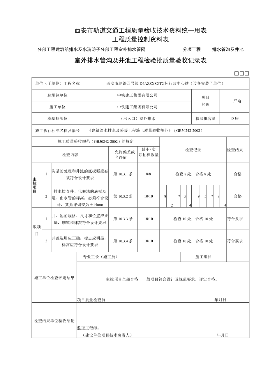
1、西安市轨道交通工程质量验收技术资料统一用表工程质量控制资料表分部工程建筑给排水及水消防子分部工程室外排水管网分项工程排水管沟及井池室外排水管沟及井池工程检验批质量验收记录表单位(子单位)工程名称西安市地铁四号线D4AZZXSGT2标行政中心站(设备安装子单位)总承包单位中铁建工集团有限公司项目经理严哈施工单位中铁建工集团有限公司检验批部位(出入口)室外排水检验批容量12座施工执行标准名称及编号建筑给水排水及采暖工程施工质量验收规范(GB50242-2002)施工质量验收规范(GB50242-2002)的规定检查记录检查结果检查内容允许偏差或允许值最小/实际抽样数量主控项目1沟基的处理和井池的底

2、板强度必须符合设计要求第10.3.1条8/8检查8处,合格8处合格2排水检查井、化粪池的底板及进、出水管的标高,必须符合设计,其允许偏差为15mm第10.3.2条10/108275495784合格般项目1井、池的规格、尺寸和位置应正确,砌筑和抹灰符合设计要求第10.3.3条10/10检查10处,合格10处符合要求2井盖选用应正确,标志应明显,标高应符合设计要求第10.3.4条10/10检查10处,合格10处符合要求施工单位检查评定结果专业工长(施工员)施工组长主控项目全部合格,一般项目符合设计及规范要求,评定合格。项目质量检查员:年月日检查结果单位验收结论监理工程师:(建设单位项目技术负责人)

3、年月日西安市轨道交通工程质量验收技术资料统一用表工程质量控制资料表分部工程建筑给排水及水消防子分部工程室外排水管网分项工程排水管沟及井池室外排水管沟及井池工程检验批质量验收记录表单位(子单位)工程名称西安市地铁四号线D4AZZXSG-12标行政中心站(设备安装子单位)总承包单位中铁建工集团有限公司项目经理严哈施工单位中铁建工集团有限公司检验批部位(风亭)室外排水检验批容量28座施工执行标准名称及编号建筑给水排水及采暖工程施工质量验收规范(GB50242-2002)施工质量验收规范(GB50242-2002)的规定检查记录检查结果检查内容允许偏差或允许值最小/实际抽样数量主控项目1沟基的处理和井

4、池的底板强度必须符合设计要求第10.3.1条12/12检查12处,合格12处合格2排水检查井、化粪池的底板及进、出水管的标高,必须符合设计,其允许偏差为15un第10.3.2条10/10953114541362合格般项目1井、池的规格、尺寸和位置应正确,砌筑和抹灰符合设计要求第10.3.3条10/10检查10处,合格10处符合要求2井盖选用应正确,标志应明显,标高应符合设计要求第10.3.4条10/10检查10处,合格10处符合要求施工单位检查评定结果专业工长(施工员)施工组长主控项目全部合格,一般项目符合设计及规范要求,评定合格。项目质量检查员:年月日检查结果单位验收结论监理工程师:(建设单

5、位项目技术负责人)年月日西安市轨道交通工程质量验收技术资料统一用表工程质量控制资料表分部工程建筑给排水及水消防子分部工程室外排水管网分项工程排水管沟及井池室外排水管沟及井池工程检验批质量验收记录表单位(子单位)工程名称西安市地铁四号线D4AZZXSG-12标行政中心站(设备安装子单位)总承包单位中铁建工集团有限公司项目经理严哈施工单位中铁建工集团有限公司检验批部位区间泵房排水检验批容量2座施工执行标准名称及编号建筑给水排水及采暖工程施工质量验收规范(GB50242-2002)施工质量验收规范(GB50242-2002)的规定检查记录检查结果检查内容允许偏差或允许值最小/实际抽样数量主控项目1沟基的处理和井池的底板强度必须符合设计要求第10.3.1条2/2检查2处,合格2处合格2排水检查井、化粪池的底板及进、出水管的标高,必须符合设计,其允许偏差为15un第10.3.2条2/263/Z/合格般项目1井、池的规格、尺寸和位置应正确,砌筑和抹灰符合设计要求第10.3.3条2/2检查2处,合格2处符合要求2井盖选用应正确,标志应明显,标高应符合设计要求第10.3.4条2/2检查2处,合格2处符合要求施工单位检查评定结果专业工长(施工员)施工组长主控项目全部合格,一般项目符合设计及规范要求,评定合格。项目质量检查员:年月日检查结果单位验收结论监理工程师:(建设单位项目技术负责人)年月日

展开阅读全文
相关资源
猜你喜欢
相关搜索

当前位置:首页 > 建筑/环境 > 给排水/暖通与智能化

copyright@ 2008-2023 1wenmi网站版权所有

经营许可证编号:宁ICP备2022001189号-1

本站为文档C2C交易模式,即用户上传的文档直接被用户下载,本站只是中间服务平台,本站所有文档下载所得的收益归上传人(含作者)所有。第壹文秘仅提供信息存储空间,仅对用户上传内容的表现方式做保护处理,对上载内容本身不做任何修改或编辑。若文档所含内容侵犯了您的版权或隐私,请立即通知第壹文秘网,我们立即给予删除!