月报监理2022年7月(佛莞3标).docx

上传人:p** 文档编号:243192 上传时间:2023-04-18 格式:DOCX 页数:4 大小:16.86KB
下载 相关 举报
月报监理2022年7月(佛莞3标).docx_第1页
第1页 / 共4页
月报监理2022年7月(佛莞3标).docx_第2页
第2页 / 共4页
月报监理2022年7月(佛莞3标).docx_第3页
第3页 / 共4页
月报监理2022年7月(佛莞3标).docx_第4页
第4页 / 共4页
亲,该文档总共4页,全部预览完了,如果喜欢就下载吧!
资源描述

《月报监理2022年7月(佛莞3标).docx》由会员分享,可在线阅读,更多相关《月报监理2022年7月(佛莞3标).docx(4页珍藏版)》请在第壹文秘上搜索。

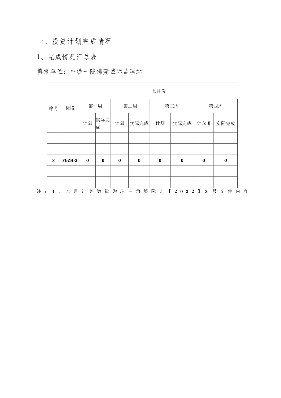
单位:万元三季度计划实际完成完成百分比(%)计划实际完成完成百分比(%)OO0%00100%一、投资计划完成情况1、完成情况汇总表填报单位:中铁一院佛莞城际监理站序号标段七月份第一周第二周第三周第四周计划实际完成计划实际完成计划实际完成计戈IJ实际完成3FGZH-300000000注:1、本月计划数量为珠三角城际计【2022】3号文件内容2、填报日期:截止2022年6月25日二、本月主要形象进度完成情况3、FGZH-3(中铁隧道局):(1)计划进度:隧道缺陷整治A类问题完成8个,问题库外整改完成10条。进口工作井防恐围墙砌筑完成40%o出口工作井负一层通风井管道隔墙砌筑及粉刷完成。(2)实际完成:隧道缺陷整治A类问题完成8个,问题库外整改完成10条。进口工作井防恐围墙砌筑完成40%o出口工作井负一层通风井管道隔墙砌筑及粉刷完成。(3)未完成原因:无O

展开阅读全文
相关资源
猜你喜欢
相关搜索

当前位置:首页 > 建筑/环境 > 工程监理

copyright@ 2008-2023 1wenmi网站版权所有

经营许可证编号:宁ICP备2022001189号-1

本站为文档C2C交易模式,即用户上传的文档直接被用户下载,本站只是中间服务平台,本站所有文档下载所得的收益归上传人(含作者)所有。第壹文秘仅提供信息存储空间,仅对用户上传内容的表现方式做保护处理,对上载内容本身不做任何修改或编辑。若文档所含内容侵犯了您的版权或隐私,请立即通知第壹文秘网,我们立即给予删除!