槽架配件标准工艺标准.docx

上传人:p** 文档编号:246025 上传时间:2023-04-19 格式:DOCX 页数:3 大小:63.25KB
下载 相关 举报
槽架配件标准工艺标准.docx_第1页
第1页 / 共3页
槽架配件标准工艺标准.docx_第2页
第2页 / 共3页
槽架配件标准工艺标准.docx_第3页
第3页 / 共3页
亲,该文档总共3页,全部预览完了,如果喜欢就下载吧!
资源描述

《槽架配件标准工艺标准.docx》由会员分享,可在线阅读,更多相关《槽架配件标准工艺标准.docx(3页珍藏版)》请在第壹文秘上搜索。

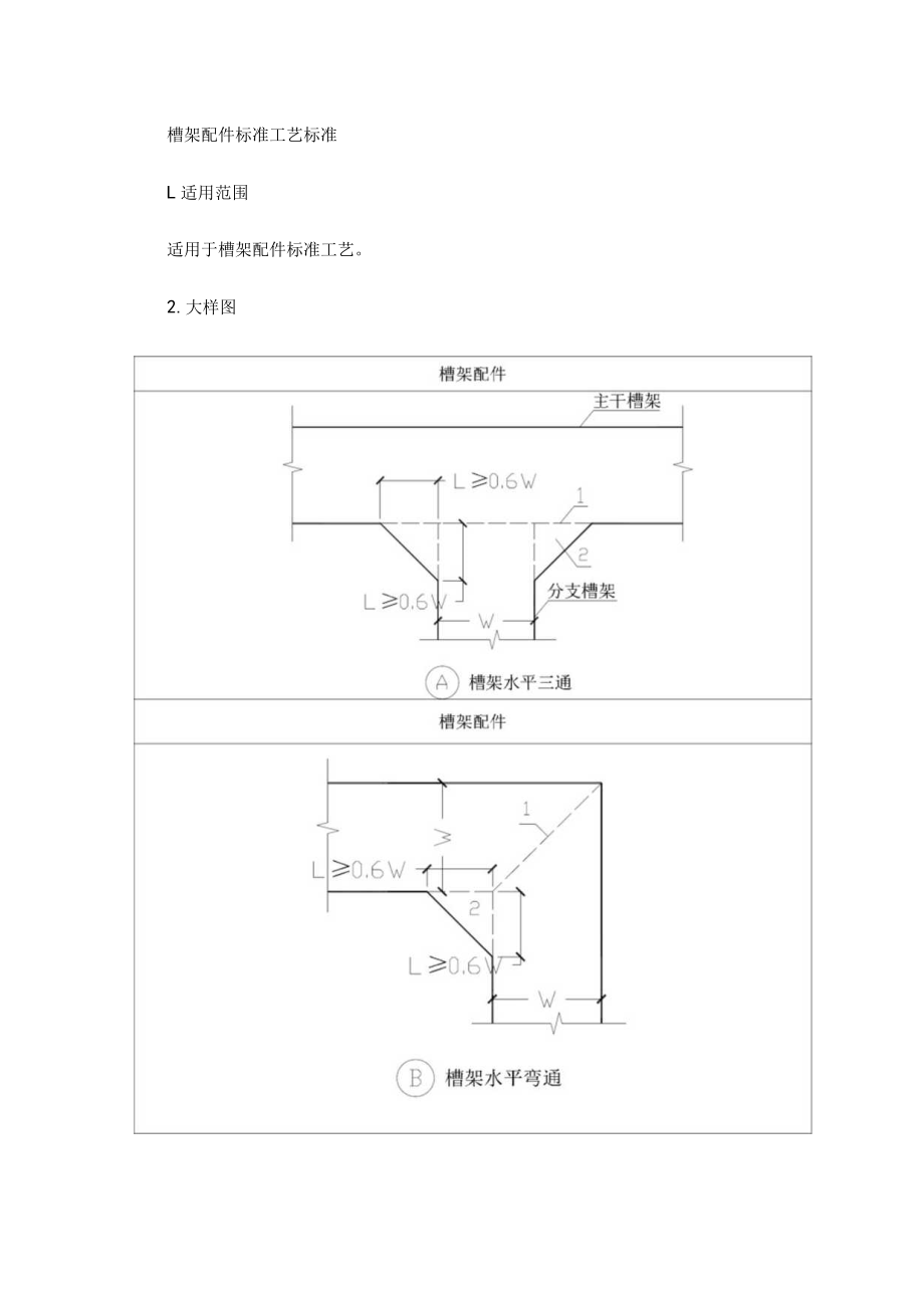
槽架配件标准工艺标准L适用范围适用于槽架配件标准工艺。2.大样图应使用成品配件。特别情况下,若现场自制加工,应与供货商配件尺寸一致,如供货商无明确配件尺寸或尺寸数据不足,按此标准规格执行。自制槽架配件,金属板间的连接宜采用焊接。桥架翻弯时,若最大电缆直径小于70mm,桥架翻弯角度不大于30度,电缆最大直径小于等于50时,翻弯角度不大于45度。防腐层:槽架接缝内、外侧应刷防锈漆两遍,面漆(应于槽架颜色基本一致)一至两遍,为了保证油漆边缘平直,可采用分色带贴在油漆处的两侧,油漆后再摘除。为保证大截面电缆在小桥架中敷设时,满足电缆弯曲半径要求,L应满足Le10D-W2o

展开阅读全文
相关资源
猜你喜欢
相关搜索

当前位置:首页 > 建筑/环境 > 电气安装工程

copyright@ 2008-2023 1wenmi网站版权所有

经营许可证编号:宁ICP备2022001189号-1

本站为文档C2C交易模式,即用户上传的文档直接被用户下载,本站只是中间服务平台,本站所有文档下载所得的收益归上传人(含作者)所有。第壹文秘仅提供信息存储空间,仅对用户上传内容的表现方式做保护处理,对上载内容本身不做任何修改或编辑。若文档所含内容侵犯了您的版权或隐私,请立即通知第壹文秘网,我们立即给予删除!