火灾自动报警系统手动火灾报警按钮调试质量标准及检验方法.docx

上传人:p** 文档编号:249555 上传时间:2023-04-19 格式:DOCX 页数:1 大小:13.91KB
下载 相关 举报
火灾自动报警系统手动火灾报警按钮调试质量标准及检验方法.docx_第1页
第1页 / 共1页
亲,该文档总共1页,全部预览完了,如果喜欢就下载吧!
资源描述

《火灾自动报警系统手动火灾报警按钮调试质量标准及检验方法.docx》由会员分享,可在线阅读,更多相关《火灾自动报警系统手动火灾报警按钮调试质量标准及检验方法.docx(1页珍藏版)》请在第壹文秘上搜索。

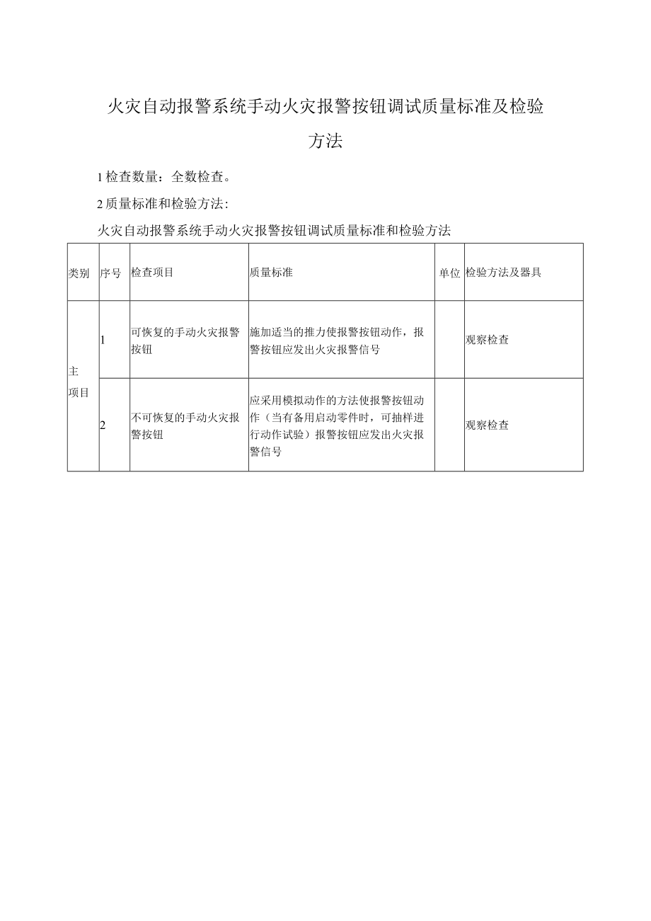
火灾自动报警系统手动火灾报警按钮调试质量标准及检验方法1检查数量:全数检查。2质量标准和检验方法:火灾自动报警系统手动火灾报警按钮调试质量标准和检验方法类别序号检查项目质量标准单位检验方法及器具主1可恢复的手动火灾报警按钮施加适当的推力使报警按钮动作,报警按钮应发出火灾报警信号观察检查项目2不可恢复的手动火灾报警按钮应采用模拟动作的方法使报警按钮动作(当有备用启动零件时,可抽样进行动作试验)报警按钮应发出火灾报警信号观察检查

展开阅读全文
相关资源
猜你喜欢
相关搜索

当前位置:首页 > 建筑/环境 > 防火建筑

copyright@ 2008-2023 1wenmi网站版权所有

经营许可证编号:宁ICP备2022001189号-1

本站为文档C2C交易模式,即用户上传的文档直接被用户下载,本站只是中间服务平台,本站所有文档下载所得的收益归上传人(含作者)所有。第壹文秘仅提供信息存储空间,仅对用户上传内容的表现方式做保护处理,对上载内容本身不做任何修改或编辑。若文档所含内容侵犯了您的版权或隐私,请立即通知第壹文秘网,我们立即给予删除!