环氧树脂地面1.docx

上传人:p** 文档编号:261599 上传时间:2023-04-20 格式:DOCX 页数:4 大小:23.03KB
下载 相关 举报
环氧树脂地面1.docx_第1页
第1页 / 共4页
环氧树脂地面1.docx_第2页
第2页 / 共4页
环氧树脂地面1.docx_第3页
第3页 / 共4页
环氧树脂地面1.docx_第4页
第4页 / 共4页
亲,该文档总共4页,全部预览完了,如果喜欢就下载吧!
资源描述

《环氧树脂地面1.docx》由会员分享,可在线阅读,更多相关《环氧树脂地面1.docx(4页珍藏版)》请在第壹文秘上搜索。

1、环氧树脂地面1一、基面要求1.施工基面要经过防水防潮处理、环境温度及地表温度210含水率低于8%、相对湿度85%,通风状态尽量保持良好。2 .基层若为大体积混凝土施工时应设有钢筋网格:要求不小于8200200,能有效缓解大体积混凝土开裂。3 .基层为大面积混凝土施工时应100m,设线缝一道为宜。4 .基层强度要求,基层若为混凝土:混凝土强度不小于C25,且表面应搓毛处理;基层若为水泥砂浆,要求水泥砂浆强度不小于Ml5。厚度不小于50mm,且表面应搓毛处理。5 .基面平整度要求2M直尺测量高度误差不得超过2mm。且表面没有空鼓及缺陷。二、环氧树脂砂浆地坪作业条件1、基层验收完毕且符合环氧施工要求

2、;2、施工现场无交差施工;3、施工前已做好清理清洁;4、对具体施工人员进行技术交底;5、基层缺陷已处理完毕;三、施工工艺流程2mm厚环氧树脂砂浆地坪施工工艺:基面打磨、清洁一裂缝修补一涂刷防水层一涂刷环氧封闭底漆1遍一批刮环氧砂浆2遍一批刮腻子1遍一打磨,吸尘一涂刷色漆2遍一清理维护,地坪养护四、施工方法:1 .基面处理:A.采用高效能专业地面研磨机能有效平均地接触被处理基面,粗金钢砂方块磨头能均匀的将被处理基面的疏松层清除,并同时起拉毛作用,形成粗糙接触面,增大粘接面,使环氧树脂底涂与混凝土基面的粘接更牢固。B.清洁、检查基底:对基面清扫或吸尘干净后,检查基底有无裂缝、空壳,如有,则须深层切

3、割清理后用环氧树脂砂浆填补,清理时不可野蛮敲打,以免敲松边上的基层。2 .刚性防水层:基面处理达到要求后,直接涂刷刚性防水层,用滚筒滚涂的方法均匀涂于基面,要求滚涂涂刷方向横纵交差,使其覆盖全面,12小时后在其基面已形成一层高密度的防水层。3 .环氧封闭底漆:A.滚涂环氧封闭底涂漆一遍:将已调配好的环氧树脂高渗透底漆,用滚筒滚涂的方法均匀涂于刚性防水层上。环氧封闭底漆作用在于封闭地表的的孔隙,增强地面与其后序的粘结力。B.底涂总厚度为0.1-0.2mm4 .中涂铺设环氧树脂砂浆:A.中涂一遍施工:将按比例调配好的中涂环氧树脂漆与50-100目的石英砂用搅拌器搅拌均匀,用手工批刮方式进行施工。B

4、.中涂二遍施工:将按比例调配好的中涂环氧树脂与100-200目的石英砂用搅拌器混合均匀,用手工批刮方式进行施工。C.用专用打磨机打磨砂浆层,使其表面平整,后将灰尘清除干净。E.中涂总厚度1.2-1.5mm5 .批刮腻子:A.将按比例调配好的中涂环氧树脂漆与石英粉用搅拌器混合均匀,用手工批刮方式进行施工。B.用专用打磨机打磨腻子层,使其表面平整,后将灰尘清除干净。C.总厚度0.2-0.3mm6 .环氧树脂面漆A.底涂封闭层面固化后,需打磨修饰平整并吸尘干净,在确保封闭的表面平整,清洁,干燥,无气孔时,可进行面涂.B.施工前先将A组分充分搅拌均匀后,与B组分按比例混合,充分搅拌35分钟,既可施工。

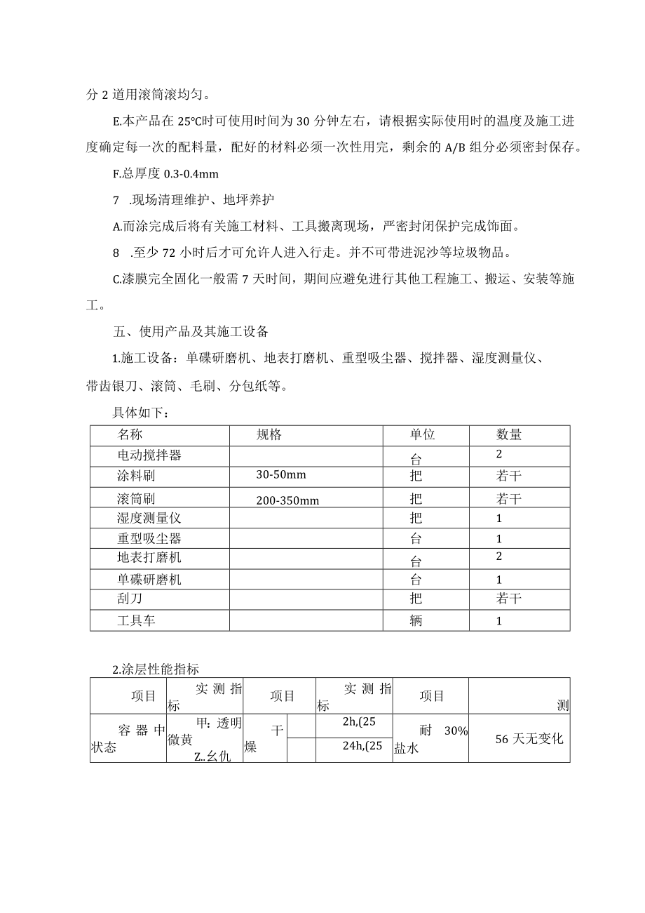
5、C.本产品经实验证明已有足够的施工适应性,不应随便添加任何溶剂及稀释剂,如要添加请使用配套稀释剂及按本公司推荐添加量使用。D.请按设计厚度及材料密度计算单位面积用料量,滚涂或刷涂施工,根据施工用量分2道用滚筒滚均匀。E.本产品在25时可使用时间为30分钟左右,请根据实际使用时的温度及施工进度确定每一次的配料量,配好的材料必须一次性用完,剩余的A/B组分必须密封保存。F.总厚度0.3-0.4mm7 .现场清理维护、地坪养护A.而涂完成后将有关施工材料、工具搬离现场,严密封闭保护完成饰面。8 .至少72小时后才可允许人进入行走。并不可带进泥沙等垃圾物品。C.漆膜完全固化一般需7天时间,期间应避免进

6、行其他工程施工、搬运、安装等施工。五、使用产品及其施工设备1.施工设备:单碟研磨机、地表打磨机、重型吸尘器、搅拌器、湿度测量仪、带齿银刀、滚筒、毛刷、分包纸等。具体如下:名称规格单位数量电动搅拌器台2涂料刷30-50mm把若干滚筒刷200-350mm把若干湿度测量仪把1重型吸尘器台1地表打磨机台2单碟研磨机台1刮刀把若干工具车辆12.涂层性能指标项目实测指标项目实测指标项目测容器中状态甲:透明微黄Z.幺仇干燥2h,(25耐30%盐水56天无变化24h,(25附着力,尔1粘结强l*(ro22耐10%硫硝56天无变化邵氏硬由95抗压强lFf-io80耐1MoU56天无变化耐冲击50kg.cm诵时耐磨性失重Wnno耐120#渚rrfl56天无变化六、施工流程和单位工期号天数项目基面打磨清洁防水层施工防水层干燥滚涂环氧封闭底漆刮涂环氧砂浆2遍刮环氧腻子层1遍环氧面漆层2遍

展开阅读全文
相关资源
猜你喜欢
相关搜索

当前位置:首页 > 建筑/环境 > 防腐

copyright@ 2008-2023 1wenmi网站版权所有

经营许可证编号:宁ICP备2022001189号-1

本站为文档C2C交易模式,即用户上传的文档直接被用户下载,本站只是中间服务平台,本站所有文档下载所得的收益归上传人(含作者)所有。第壹文秘仅提供信息存储空间,仅对用户上传内容的表现方式做保护处理,对上载内容本身不做任何修改或编辑。若文档所含内容侵犯了您的版权或隐私,请立即通知第壹文秘网,我们立即给予删除!