瓷片电容-来料检验规范.docx

上传人:p** 文档编号:261989 上传时间:2023-04-20 格式:DOCX 页数:1 大小:18.32KB
下载 相关 举报
瓷片电容-来料检验规范.docx_第1页
第1页 / 共1页
亲,该文档总共1页,全部预览完了,如果喜欢就下载吧!
资源描述

《瓷片电容-来料检验规范.docx》由会员分享,可在线阅读,更多相关《瓷片电容-来料检验规范.docx(1页珍藏版)》请在第壹文秘上搜索。

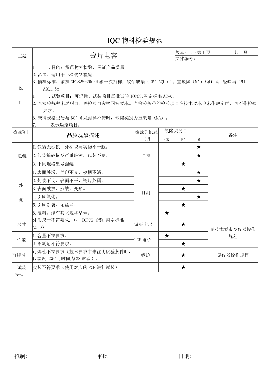
IQC物料检验规范主题瓷片电容版本:1.0第1页共1页文件编号:说明1 .目的:规范物料检验,保证产品质量。2 .范围:适用于IQC物料检验。3 .抽样标准:依据GB2828-2003H级一次抽样,致命缺陷(CR)AQLO.1;重缺陷(MA)AQL0.4;轻缺陷(MI)AQL1.5o1 .试验项目:可焊性、试装项目每批试验IOPCS,判定标准AC=0。2 .本检验规程未尽项目,需检验可参照国标要求。当检验规范的检验项目在技术要求中未作规定时,可不作检验要求。3 .来料规格型号与BC)M及封样不符时,缺陷类别为重缺陷(MA)。7.表示选定项目。检验项目品质现象描述检验手段及工具缺陷类另I备注CRMAMI包装I.包装无标识,外标识与实物不一致。目测2.包装箱破损及严重脏污,包装不良。3.不同规格型号混装。外观1.表面脏污,丝印不良,模糊不清。目测2.封装不良,表面不平,瓷片外露。3.表面破损,残缺,变形。4.引脚氧化。5.引脚断裂,无丝印。6.混料,混有其它规格型号。尺寸外形尺寸不符要求.(抽IOPCS检验,判定标准AC=O)游标卡尺见技术要求及仪器操作规程性能1.容量不符要求。LCR电桥2.损耗角不符要求。可焊性可焊性不符要求(技术要求中未注明试验条件时,以温度235,时间为3S试验)。锡炉见仪器操作规程试装实装不符要求(使用对应的PCB进行试装)。附注:拟制:审批:日期:

展开阅读全文
相关资源
猜你喜欢
相关搜索

当前位置:首页 > IT计算机 > 管理信息系统

copyright@ 2008-2023 1wenmi网站版权所有

经营许可证编号:宁ICP备2022001189号-1

本站为文档C2C交易模式,即用户上传的文档直接被用户下载,本站只是中间服务平台,本站所有文档下载所得的收益归上传人(含作者)所有。第壹文秘仅提供信息存储空间,仅对用户上传内容的表现方式做保护处理,对上载内容本身不做任何修改或编辑。若文档所含内容侵犯了您的版权或隐私,请立即通知第壹文秘网,我们立即给予删除!