电力建设施工质量验收(袋式除尘器安装)检验项目及质量标准.docx

上传人:p** 文档编号:262429 上传时间:2023-04-20 格式:DOCX 页数:4 大小:26.11KB
下载 相关 举报
电力建设施工质量验收(袋式除尘器安装)检验项目及质量标准.docx_第1页
第1页 / 共4页
电力建设施工质量验收(袋式除尘器安装)检验项目及质量标准.docx_第2页
第2页 / 共4页
电力建设施工质量验收(袋式除尘器安装)检验项目及质量标准.docx_第3页
第3页 / 共4页
电力建设施工质量验收(袋式除尘器安装)检验项目及质量标准.docx_第4页
第4页 / 共4页
亲,该文档总共4页,全部预览完了,如果喜欢就下载吧!
资源描述

《电力建设施工质量验收(袋式除尘器安装)检验项目及质量标准.docx》由会员分享,可在线阅读,更多相关《电力建设施工质量验收(袋式除尘器安装)检验项目及质量标准.docx(4页珍藏版)》请在第壹文秘上搜索。

1、电力建设施工质验收(袋式除尘器安装)检验项目及质标准1花板安装质量标准及检验方法应符合表1规定。表1花板安装工序检验项目性质单位质量标准检验方法和器具设备检查外观检查平整、光滑,孔边缘不得有尖角、毛刺目测外形尺寸mm符合设备技术文件要求用钢尺熨查板平面度偏差主控mm21000花板长度用钢尺检测设备安装孔位置偏差符合设计要求用钢尺复查中心位置偏差mm1.5用钢尺复查连接螺栓主控紧固,点焊牢固用扳手检测支架安装牢固目测2滤袋和袋笼安装质量标准及检验方法应符合表2规定。表2滤袋和袋笼安装工序检验项目性质单位质量标准检验方法和器具设备检查外观检查滤袋无破损、开线目测袋笼表面光滑平整,无毛刺、无明显伤痕

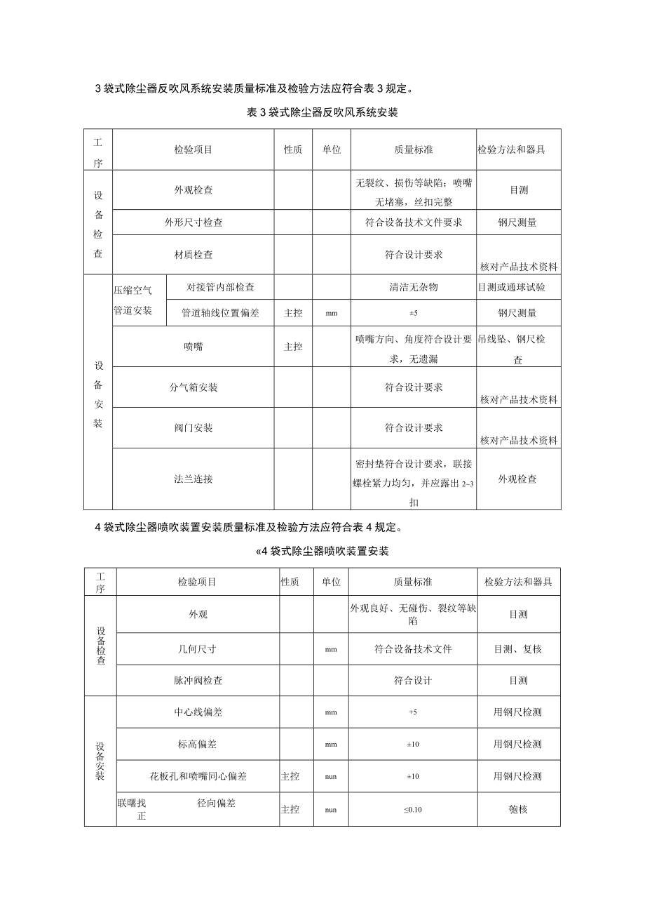
2、及破损;目测外形尺寸mm符合设备技术文件用钢尺检测设备安装滤袋间距偏差主控nun符合技术文件资料用钢尺检测除尘器内清洁主控清洁、无杂物目测螺栓连接螺栓受力均匀、丝扣露出长度一致:按设备技术文件要求点焊牢固目测焊接质量主控焊缝高度符合设备技术文件要求,无裂纹、夹渣、气孔等缺陷,成型良好目测检漏试验对袋逐行照射无泄漏荧光粉检测3袋式除尘器反吹风系统安装质量标准及检验方法应符合表3规定。表3袋式除尘器反吹风系统安装工序检验项目性质单位质量标准检验方法和器具设备检查外观检查无裂纹、损伤等缺陷;喷嘴无堵塞,丝扣完整目测外形尺寸检查符合设备技术文件要求钢尺测量材质检查符合设计要求核对产品技术资料设备安装压

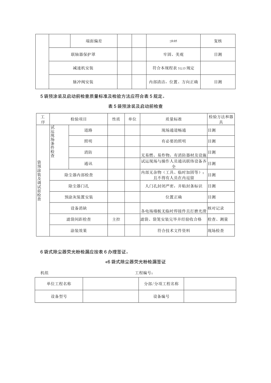
3、缩空气管道安装对接管内部检查清洁无杂物目测或通球试验管道轴线位置偏差主控mm5钢尺测量喷嘴主控喷嘴方向、角度符合设计要求,无遗漏吊线坠、钢尺检查分气箱安装符合设计要求核对产品技术资料阀门安装符合设计要求核对产品技术资料法兰连接密封垫符合设计要求,联接螺栓紧力均匀,并应露出23扣外观检查4袋式除尘器喷吹装置安装质量标准及检验方法应符合表4规定。4袋式除尘器喷吹装置安装工序检验项目性质单位质量标准检验方法和器具设备检查外观外观良好、无碰伤、裂纹等缺陷目测几何尺寸mm符合设备技术文件目测、复核脉冲阀检查符合设计目测设备安装中心线偏差mm+5用钢尺检测标高偏差mm10用钢尺检测花板孔和喷嘴同心偏差主控

4、nun10用钢尺检测联曙找径向偏差正主控nun0.10匏核端面偏差0.05复核联轴器保护罩牢固、美观目测减速机安装符合本规程表5.L13规定脉冲阀安装内部清洁,位置、方向正确目测5袋预涂装及启动前检查质量标准及检验方法应符合表5规定。表5袋预涂装及启动前检查工序检验项目性质单位质量标准检验方法和器具袋预涂装及调试前检查试运现场条件检查道路现场通道畅通目测照明有必要的照明目测消防无易燃、易炸物,有消防器材及设施目测通讯试运现场与操作人员通讯联络设备齐全目测除尘器内部检查内部无杂物(工具、临时加固等);且不得有人员在内逗留目测除尘器门孔人门孔封闭严密,并贴封条标识目测预涂灰装置安装位置正确目测设备消缺各电场墙板无临时焊接件且打磨光滑核对记录滤袋间距检查主控滤袋、袋笼安装完毕并经验收合格检查、测量涂装效果符合技术文件资料现场检查6袋式除尘器荧光粉检漏应按表6办理签证。6袋式除尘器荧光粉检漏签证机组工程编号:单位工程名称分部/分项工程名称设备型号设备编号试验过程:检查结论:验收单位验收意见验收签字施工单位年月日设计单位年月日制造单位年月日总承包单位年月日监理单位年月日建设单位年月日

展开阅读全文
相关资源
猜你喜欢
相关搜索

当前位置:首页 > 建筑/环境 > 施工组织

copyright@ 2008-2023 1wenmi网站版权所有

经营许可证编号:宁ICP备2022001189号-1

本站为文档C2C交易模式,即用户上传的文档直接被用户下载,本站只是中间服务平台,本站所有文档下载所得的收益归上传人(含作者)所有。第壹文秘仅提供信息存储空间,仅对用户上传内容的表现方式做保护处理,对上载内容本身不做任何修改或编辑。若文档所含内容侵犯了您的版权或隐私,请立即通知第壹文秘网,我们立即给予删除!