石灰土类基层质量标准及检验方法.docx

上传人:p** 文档编号:264316 上传时间:2023-04-20 格式:DOCX 页数:1 大小:16.12KB
下载 相关 举报
石灰土类基层质量标准及检验方法.docx_第1页
第1页 / 共1页
亲,该文档总共1页,全部预览完了,如果喜欢就下载吧!
资源描述

《石灰土类基层质量标准及检验方法.docx》由会员分享,可在线阅读,更多相关《石灰土类基层质量标准及检验方法.docx(1页珍藏版)》请在第壹文秘上搜索。

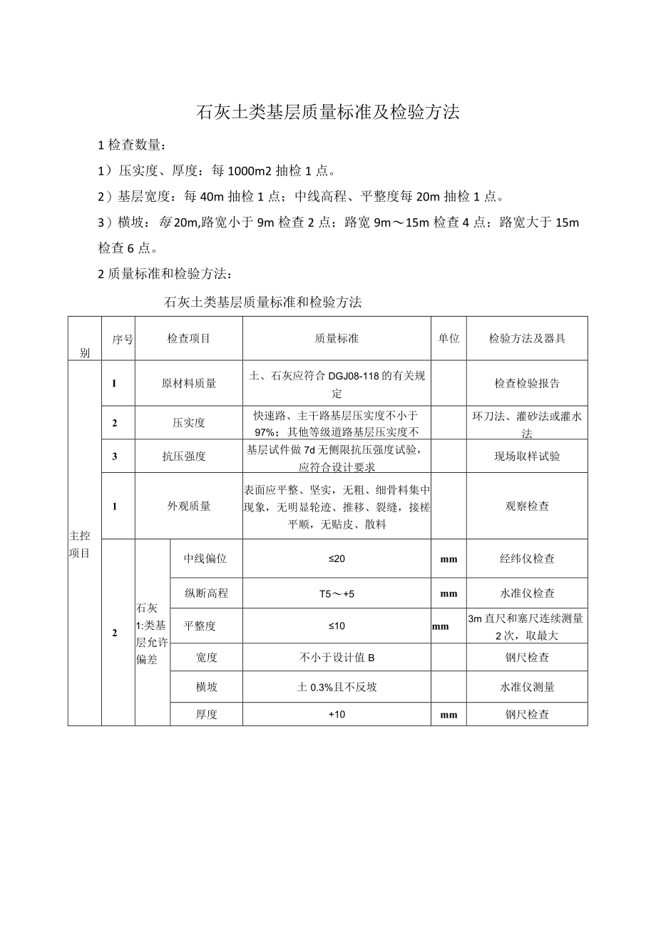
石灰土类基层质量标准及检验方法1检查数量:1)压实度、厚度:每1000m2抽检1点。2)基层宽度:每40m抽检1点;中线高程、平整度每20m抽检1点。3)横坡:每20m,路宽小于9m检查2点;路宽9m15m检查4点;路宽大于15m检查6点。2质量标准和检验方法:石灰土类基层质量标准和检验方法别序号检查项目质量标准单位检验方法及器具主控项目I原材料质量土、石灰应符合DGJ08-118的有关规定检查检验报告2压实度快速路、主干路基层压实度不小于97%;其他等级道路基层压实度不环刀法、灌砂法或灌水法3抗压强度基层试件做7d无侧限抗压强度试验,应符合设计要求现场取样试验1外观质量表面应平整、坚实,无粗、细骨料集中现象,无明显轮迹、推移、裂缝,接槎平顺,无贴皮、散料观察检查2石灰1:类基层允许偏差中线偏位20mm经纬仪检查纵断高程T5+5mm水准仪检查平整度10mm3m直尺和塞尺连续测量2次,取最大宽度不小于设计值B钢尺检查横坡土0.3%且不反坡水准仪测量厚度+10mm钢尺检查

展开阅读全文
相关资源
猜你喜欢
相关搜索

当前位置:首页 > 建筑/环境 > 建筑贯标ISO

copyright@ 2008-2023 1wenmi网站版权所有

经营许可证编号:宁ICP备2022001189号-1

本站为文档C2C交易模式,即用户上传的文档直接被用户下载,本站只是中间服务平台,本站所有文档下载所得的收益归上传人(含作者)所有。第壹文秘仅提供信息存储空间,仅对用户上传内容的表现方式做保护处理,对上载内容本身不做任何修改或编辑。若文档所含内容侵犯了您的版权或隐私,请立即通知第壹文秘网,我们立即给予删除!