组织环境及相关方控制程序.docx

上传人:p** 文档编号:266970 上传时间:2023-04-20 格式:DOCX 页数:3 大小:69.11KB
下载 相关 举报
组织环境及相关方控制程序.docx_第1页
第1页 / 共3页
组织环境及相关方控制程序.docx_第2页
第2页 / 共3页
组织环境及相关方控制程序.docx_第3页
第3页 / 共3页
亲,该文档总共3页,全部预览完了,如果喜欢就下载吧!
资源描述

《组织环境及相关方控制程序.docx》由会员分享,可在线阅读,更多相关《组织环境及相关方控制程序.docx(3页珍藏版)》请在第壹文秘上搜索。

1、组织环境及相关方控制程序1 .目的识别、监视并评审与公司质量管理体系有关的相关方期望或要求确保公司质量管理体系的策划能实现预期的结果。2 .范围本程序适用内外部环境因素和相关方期望或要求的识别和控制。3 .权责3.1 公司各部门都有责任识别和控制与其相关的内外部环境因素和相关方期望或要求;3.2 总经理助理负责对识别结果进行整理,并提交管理评审;3.3 总经理负责对内外部环境因素和相关方期望或要求在公司内部的落实和应对。4 .定义内部环境因素:公司价值观、企业文化、人员能力、体系运行、过程绩效等;外部环境因素:国际、国内、地区和当地的各种法律法规、技术、竞争、市场、文化、社会和经济因素。5.组

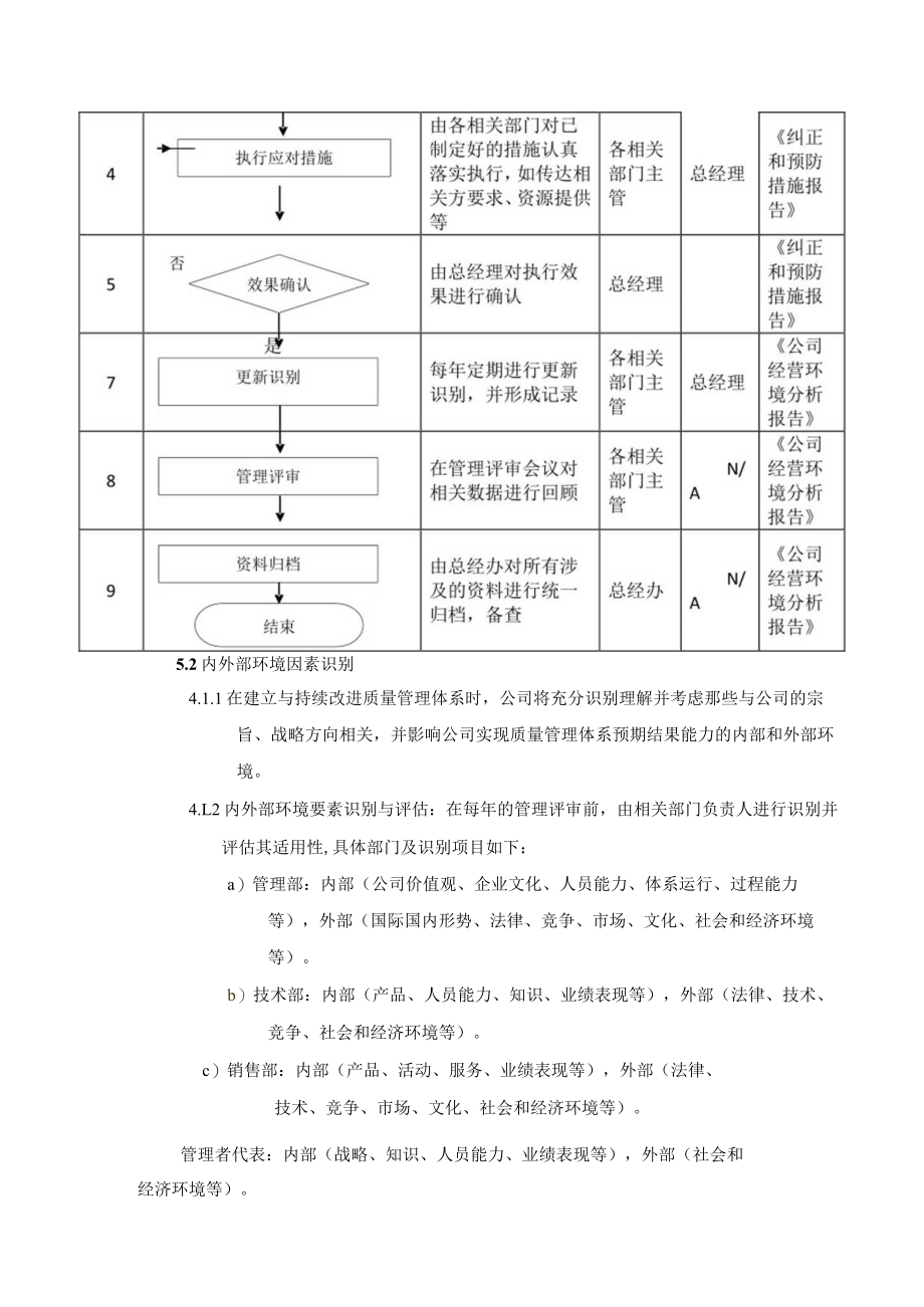
2、织环境及相关方控制流程程序L组织环境及相关方控制流程图活动过程描述执行者审批者依据表单1开I给各部门识别与其职责范围相关的内外部环境因素和相关方期望或要求各相关部门部门经理识别2各部门归纳整理与其职责范围相关的内外部环境因素和相关方期望或要求各相关部门部门经理公司经营环境分析报告归纳整理3就分析的结果制定相应的应对措施,如形成文件、制定目标、传达信息等各相关部门部门经理N/A采取应对措施5.2内外部环境因素识别4.1.1在建立与持续改进质量管理体系时,公司将充分识别理解并考虑那些与公司的宗旨、战略方向相关,并影响公司实现质量管理体系预期结果能力的内部和外部环境。4.L2内外部环境要素识别与评估

3、:在每年的管理评审前,由相关部门负责人进行识别并评估其适用性,具体部门及识别项目如下:a)管理部:内部(公司价值观、企业文化、人员能力、体系运行、过程能力等),外部(国际国内形势、法律、竞争、市场、文化、社会和经济环境等)。b)技术部:内部(产品、人员能力、知识、业绩表现等),外部(法律、技术、竞争、社会和经济环境等)。c)销售部:内部(产品、活动、服务、业绩表现等),外部(法律、技术、竞争、市场、文化、社会和经济环境等)。管理者代表:内部(战略、知识、人员能力、业绩表现等),外部(社会和经济环境等)。5.3相关方期望或要求识别与评估:相关方包括但不限于顾客、所有者、组织中的成员、供应商、银行、工会、合伙人、竞争对手或社会团体或行业协会。在每年的管理评审前,由相关部门负责人进行识别并评估其适用性,具体部门及识别项目如下:a) 管理者代表:所有者、合伙人、竞争对手或社会团体。b) 采购部:外包加工方、供应商、竞争对手或社会团体。c) 销售部:顾客、竞争对手或社会团体。d) 管理部:员工代表、附近企业及居民、银行、工会、社会团体。6 .相关文件6.1 无7 .相关表单7.1 公司经营环境分析报告7.2 纠正和预防措施报告

展开阅读全文
相关资源
猜你喜欢
相关搜索

当前位置:首页 > 建筑/环境 > 施工组织

copyright@ 2008-2023 1wenmi网站版权所有

经营许可证编号:宁ICP备2022001189号-1

本站为文档C2C交易模式,即用户上传的文档直接被用户下载,本站只是中间服务平台,本站所有文档下载所得的收益归上传人(含作者)所有。第壹文秘仅提供信息存储空间,仅对用户上传内容的表现方式做保护处理,对上载内容本身不做任何修改或编辑。若文档所含内容侵犯了您的版权或隐私,请立即通知第壹文秘网,我们立即给予删除!