主要材料损耗系数表.docx

上传人:p** 文档编号:271269 上传时间:2023-04-24 格式:DOCX 页数:3 大小:30KB
下载 相关 举报
主要材料损耗系数表.docx_第1页
第1页 / 共3页
主要材料损耗系数表.docx_第2页
第2页 / 共3页
主要材料损耗系数表.docx_第3页
第3页 / 共3页
亲,该文档总共3页,全部预览完了,如果喜欢就下载吧!
资源描述

《主要材料损耗系数表.docx》由会员分享,可在线阅读,更多相关《主要材料损耗系数表.docx(3页珍藏版)》请在第壹文秘上搜索。

1、项目号项目名称单位定额损耗系数企业实际控制损耗系数备注路基土石方1-1夯填砂IH313.3%8.0%含压实系数1-2级配碎石m332.0%15.0%含压实系数1-3浆砌片石一片石15.0%10.0%1-4浆砌块石一块石3m10.0%5.0%1-5CFG桩一碎m315.0%10.0%按桩长实体体积计算二桥梁2-1钻孔桩灌注碎m320.0%5%-12%回旋钻8%;冲击钻12%;旋挖钻8%2-2挖孔桩灌注碎m35.0%5.0%不含技术交底中的喇叭口数量2-3钻孔桩钢筋kg2.5%1.5%2-4校基础(包括支撑梁、承台)3m2.0%1.5%2-5基础钢筋kg2.5%1.5%2-6墩柱碎m32.0%2.

2、0%2-7墩柱钢筋kg2.5%2.0%2-8盖梁(台帽)碎m32.0%1.5%2-9盖梁(台帽)钢筋kg2.5%2.0%2-10预制预应力混凝土T形梁碎3m1.0%1.0%2-11预制预应力混凝土箱形梁碎m31.0%0.0%2-12预制梁钢筋kg2.5%2.0%2-13后张法预应力钢绞线kg4.0%4.0%2-14现浇箱梁碎m32.0%0.0%2-15现浇箱梁钢筋kg2.5%2.0%2-16现浇T梁碎m32.0%1.5%2-17现浇T梁钢筋kg2.5%2.0%2-18拱上结构碎3m2.0%1.5%2-19拱上结构钢筋kg2.5%2.0%2-20搭板碎3m2.0%1.5%2-21搭板钢筋kg2.

3、5%2.0%2-22桥面铺装碎3m2.0%1.5%2-23桥面铺装钢筋kg2.5%2.0%2-24护栏砂3m2.0%3.5%2-25护栏钢筋kg2.5%2.0%2-26预制碎构件m31.0%1.0%不分部位2-27泵送碎(在具体部位碎损耗基础上增加)3m4.0%1.0%不分部位项目号项目名称单位定额损耗系数企业实际控制损耗系数备注三涵洞、通道3-1基础碎3m2.0%1.0%3-2基础钢筋kg2.5%1.5%3-3墙身碎2.0%1.5%3-4墙身钢筋kg2.5%2.0%3-5台帽砂m32.0%1.5%3-6台帽钢筋kg2.5%2.0%3-7预制(现浇)盖板碎m32.0%1.0%3-8预制(现浇)

4、盖板钢筋kg2.5%2.0%四隧道4-1洞身开挖砂浆锚杆一钢筋m2.5%结合现场围岩类别,据实确定4-2洞身开挖管棚导向管一钢管kg2.5%2.0%4-3喷射碎(铁路N、V级围岩)m320.0%75.0%已考虑回弹量4-4喷射碎(铁路HI级围岩有拱架)m360.0%己考虑回弹量45喷射碎(铁路II、In级围岩无拱架)m330.0%己考虑回弹量46喷射碎(公路N、V级围岩)m365.0%已考虑回弹量4-7喷射碎(公路In级围岩有拱架)m350.0%已考虑回弹量4-8喷射碎(公路II、In级围岩无拱架)3m30.0%已考虑回弹量4-9衬砌钢筋kg2.5%2.0%4-10洞身衬砌(防水)碎(IV、V

5、级围岩)3m17.0%8.0%模筑碎考虑合理超挖及预留沉降量4-11洞身衬砌(防水)碎(II、In级围岩)m317.0%15.0%模筑税考虑合理超挖及预留沉降量4-12仰拱、隧底(初支有拱架)m35.0%4-13仰拱、隧底(初支无拱架)m310.0%4-14洞身衬砌钢筋kg2.5%2.0%4-15仰拱、隧底碎3m4.0%1.0%416边沟、电缆槽碎3m2.0%2.0%4-17边沟、电缆槽钢筋kg2.5%2.0%4-18洞内路面碎m32.0%1.5%4-19洞内路面钢筋kg2.5%2.0%4-20防水板、土工布2m6.0%10.0%按设计数量,含搭接、折皱及损耗项目号项目名称单位定额损耗系数企业

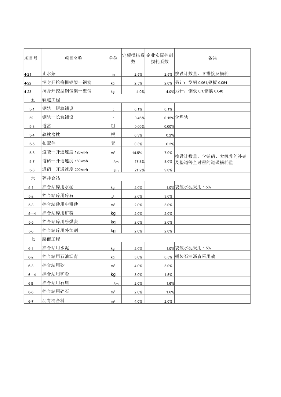
6、实际控制损耗系数备注4-21止水条m2.5%2.5%按设计数量,含搭接及损耗4-22洞身开挖格栅钢架一钢筋kg2.5%2.0%另计:型钢0.061,钢板0.0544-23洞身开挖型钢钢架一型钢kg-4.0%-4.0%另计:钢板0.1,钢筋0.048五轨道工程5-1钢轨一短轨铺设t0.1%0.1%52钢轨一长轨铺设t0.46%0.15%含焊轨5-3道岔组0.00%0.00%5-4轨枕岔枕根0.3%0.2%5-5扣配件套0.3%0.2%5-6道喳一开通速度120kmhm314.5%7.0%按设计数量,含铺硝、大机养的补硝及整道等全过程的道磁损耗量5-7道砧一开通速度160kmh3m17.8%8.0

7、%5-8道硝一开通速度200kmh3m21.2%9.0%六碎拌合站5-1拌合站碎用水泥kg2.0%1.0%袋装水泥采用15%5-2拌合站碎用碎石m32.0%3.0%5-3拌合站砂用中粗砂m32.0%3.0%54拌合站碎用矿粉kg2.0%2.0%5-5拌合站碎用粉煤灰kg2.0%2.0%5-6拌合站碎用外加剂kg2.0%2.0%七路而工程6-1拌合站用水泥kg2.0%1.0%袋装水泥采用1.5%6-2拌合站用石油沥青kg3.0%0.5%桶装石油沥青采用战6-3拌合站用砂m34.0%3.0%64拌合站用矿粉kg3.0%1.5%6-5拌合站用石屑3m2.0%1.6%6-6拌合站用碎石m32.0%1.6%6-7沥青混合料m34.0%2.0%

展开阅读全文
相关资源
猜你喜欢
相关搜索

当前位置:首页 > 建筑/环境 > 桩基础

copyright@ 2008-2023 1wenmi网站版权所有

经营许可证编号:宁ICP备2022001189号-1

本站为文档C2C交易模式,即用户上传的文档直接被用户下载,本站只是中间服务平台,本站所有文档下载所得的收益归上传人(含作者)所有。第壹文秘仅提供信息存储空间,仅对用户上传内容的表现方式做保护处理,对上载内容本身不做任何修改或编辑。若文档所含内容侵犯了您的版权或隐私,请立即通知第壹文秘网,我们立即给予删除!