第五节近年内已完工程经历表编制工程文档范本.docx

上传人:p** 文档编号:312707 上传时间:2023-05-18 格式:DOCX 页数:3 大小:22.04KB
下载 相关 举报
第五节近年内已完工程经历表编制工程文档范本.docx_第1页
第1页 / 共3页
第五节近年内已完工程经历表编制工程文档范本.docx_第2页
第2页 / 共3页
第五节近年内已完工程经历表编制工程文档范本.docx_第3页
第3页 / 共3页
亲,该文档总共3页,全部预览完了,如果喜欢就下载吧!
资源描述

《第五节近年内已完工程经历表编制工程文档范本.docx》由会员分享,可在线阅读,更多相关《第五节近年内已完工程经历表编制工程文档范本.docx(3页珍藏版)》请在第壹文秘上搜索。

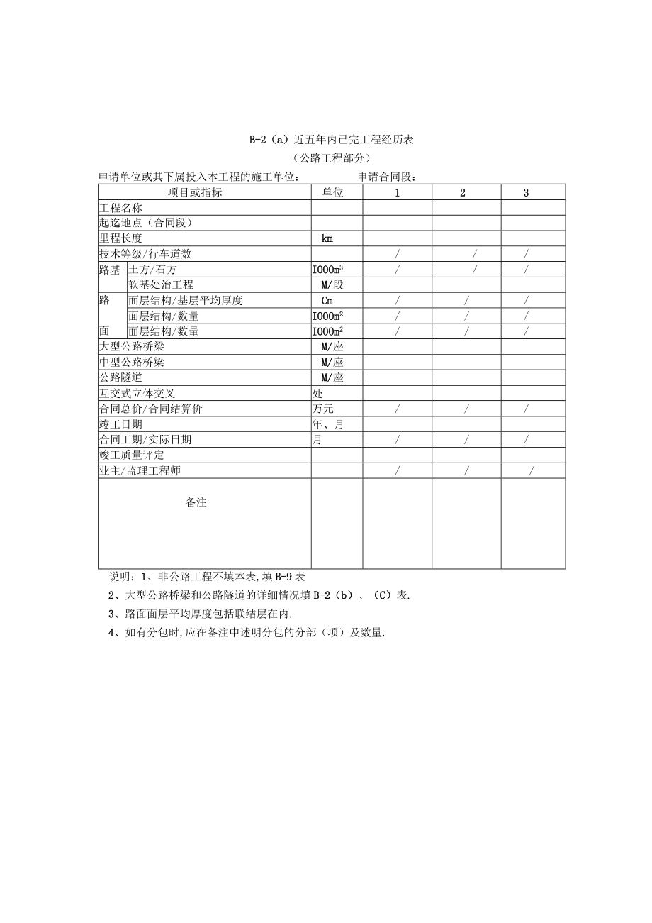
1、B-2(a)近五年内已完工程经历表(公路工程部分)申请单位或其下属投入本工程的施工单位:申请合同段:项目或指标单位123工程名称起迄地点(合同段)里程长度km技术等级/行车道数/路基土方/石方IOOOm3/软基处治工程M/段路面面层结构/基层平均厚度Cm/面层结构/数量IOOOm2/面层结构/数量IOOOm2/大型公路桥梁M/座中型公路桥梁M/座公路隧道M/座互交式立体交叉处合同总价/合同结算价万元/竣工日期年、月合同工期/实际日期月/竣工质量评定业主/监理工程师/备注说明:1、非公路工程不填本表,填B-9表2、大型公路桥梁和公路隧道的详细情况填B-2(b)、(C)表.3、路面面层平均厚度包括

2、联结层在内.4、如有分包时,应在备注中述明分包的分部(项)及数量.(大型公路桥梁工程部分)申请单位或其下属投入本工程的施工单位:申请合同段:项目或指标单位123工程名称所在路线及里程桩号孔径m桥梁长度/桥面净宽m/设计荷载结构类型上部结构瞰台基础主要施工方法上部结构基础全桥混凝土匪冈筋混凝土M3/全桥砌体与工数量M3全桥钢材/水泥用量t/合同总价/合同结算价万元/竣工日期年、月合同工日期/实际工期月/竣工质量评定业主/监理工程师/备注说明:主要施工方法一栏应作简述,如上部结构采用支架施工、导梁安装、悬浇、悬拼、转体、顶推、先(后)张预应力等,基础施工采用明挖、框架、筑岛、板桩、围堰等.(公路隧

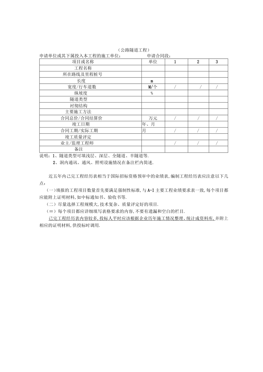
3、道工程)申请单位或其下属投入本工程的施工单位:申请合同段:项目或名称单位123工程名称所在路线及里程桩号长度m宽度/行车道数M/个/纵坡度%隧道类型衬彻结构主要施工方法合同总价/合同结算价万元/竣工日期年、月合同工期/实际工期月/竣工质量评定业主/监理工程师/备注说明:1、隧道类型可填浅层、深层、全隧道、半隧道等.2、洞内通讯、通风、照明设施情况在备注栏内简述.近五年内己完工程经历表相当于国际招标资格预审中的业绩表,编制工程经历表应注意以下几点:(一)填报的工程项目数量首先要满足强制性标准,与A-I主要工程业绩要求表一致,每个项目都应能附上证明材料,如中标通知书、验收书等.(二)尽量选择工程规模大,技术复杂、质量评定好的项目.()每个项目都应详细填写表格要求的内容,不要有遗漏和空白的栏目.已完工程经历表内容较多,投标人平时应该根据企业历年施工情况整理、统计成资料库,并附上相应的证明材料,供投标时调用.

展开阅读全文
相关资源
猜你喜欢
相关搜索

当前位置:首页 > 建筑/环境 > 建筑制度

copyright@ 2008-2023 1wenmi网站版权所有

经营许可证编号:宁ICP备2022001189号-1

本站为文档C2C交易模式,即用户上传的文档直接被用户下载,本站只是中间服务平台,本站所有文档下载所得的收益归上传人(含作者)所有。第壹文秘仅提供信息存储空间,仅对用户上传内容的表现方式做保护处理,对上载内容本身不做任何修改或编辑。若文档所含内容侵犯了您的版权或隐私,请立即通知第壹文秘网,我们立即给予删除!