8.10.7沉渣池混凝土结构外观及尺寸检验批质量验收记录.docx

上传人:p** 文档编号:321118 上传时间:2023-05-26 格式:DOCX 页数:2 大小:19.12KB
下载 相关 举报
8.10.7沉渣池混凝土结构外观及尺寸检验批质量验收记录.docx_第1页
第1页 / 共2页
8.10.7沉渣池混凝土结构外观及尺寸检验批质量验收记录.docx_第2页
第2页 / 共2页
亲,该文档总共2页,全部预览完了,如果喜欢就下载吧!
资源描述

《8.10.7沉渣池混凝土结构外观及尺寸检验批质量验收记录.docx》由会员分享,可在线阅读,更多相关《8.10.7沉渣池混凝土结构外观及尺寸检验批质量验收记录.docx(2页珍藏版)》请在第壹文秘上搜索。

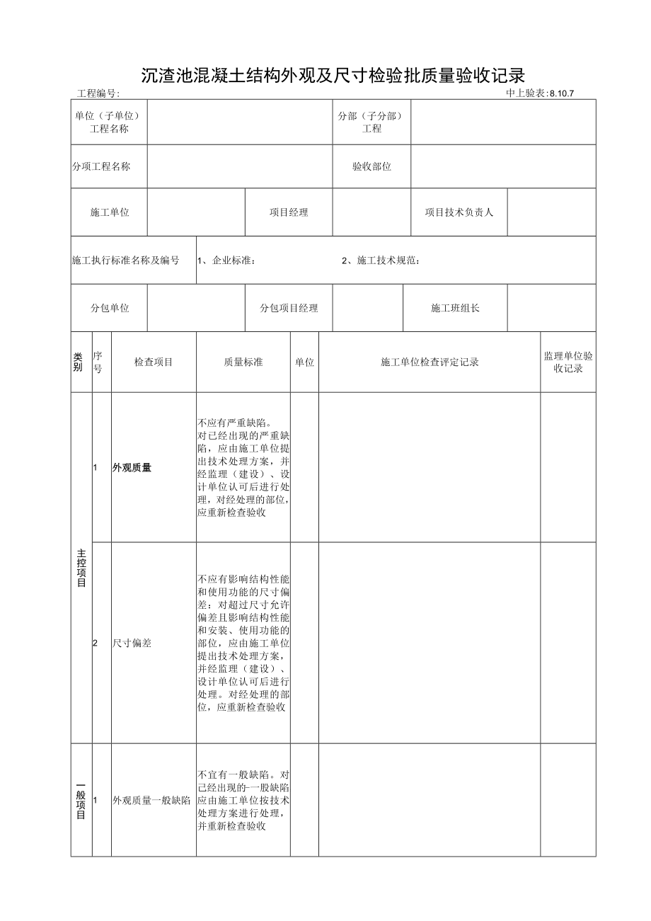
1、沉渣池混凝土结构外观及尺寸检验批质量验收记录单位(子单位)工程名称分部(子分部)工程分项工程名称验收部位施工单位项目经理项目技术负责人施工执行标准名称及编号1、企业标准:2、施工技术规范:分包单位分包项目经理施工班组长类别序号检查项目质量标准单位施工单位检查评定记录监理单位验收记录主控项目1外观质量不应有严重缺陷。对已经出现的严重缺陷,应由施工单位提出技术处理方案,并经监理(建设)、设计单位认可后进行处理,对经处理的部位,应重新检查验收2尺寸偏差不应有影响结构性能和使用功能的尺寸偏差:对超过尺寸允许偏差且影响结构性能和安装、使用功能的部位,应由施工单位提出技术处理方案,并经监理(建设)、设计单

2、位认可后进行处理。对经处理的部位,应重新检查验收一般项目1外观质量一般缺陷不宜有一般缺陷。对己经出现的-一股缺陷,应由施工单位按技术处理方案进行处理,并重新检查验收工程编号:中上验表:8.10.7沉渣池混凝土结构外观及尺寸偏差工程检验批质量验收记录工程编号:电土验表:8.10.7续表类别序号检查项目质量标准单位施工单位检查评定记录监理单位验收记录-般项目2附壁柱中心偏差10mm3除灰渣斗口中心偏差上口10mm卜口104池壁垂直度h5m105渣池(清水池)内部尺寸20mm6渣池(清水池)底(顶)标高偏差20mm7表面平整度W8mm8预埋管、预埋件拆模后质量应符合本部分附录B的规定施工单位检查评定结果主控项目:一般项目:项目专业质量检查员:年月日监理单位验收结论专业监理工程师:年月日中国电力建设企业协会监制

展开阅读全文
相关资源
猜你喜欢
相关搜索

当前位置:首页 > 建筑/环境 > 建筑QC

copyright@ 2008-2023 1wenmi网站版权所有

经营许可证编号:宁ICP备2022001189号-1

本站为文档C2C交易模式,即用户上传的文档直接被用户下载,本站只是中间服务平台,本站所有文档下载所得的收益归上传人(含作者)所有。第壹文秘仅提供信息存储空间,仅对用户上传内容的表现方式做保护处理,对上载内容本身不做任何修改或编辑。若文档所含内容侵犯了您的版权或隐私,请立即通知第壹文秘网,我们立即给予删除!