施工升降机司机安全教育 (7)模板.docx

上传人:p** 文档编号:328888 上传时间:2023-05-31 格式:DOCX 页数:2 大小:18.64KB
下载 相关 举报
施工升降机司机安全教育 (7)模板.docx_第1页
第1页 / 共2页
施工升降机司机安全教育 (7)模板.docx_第2页
第2页 / 共2页
亲,该文档总共2页,全部预览完了,如果喜欢就下载吧!
资源描述

《施工升降机司机安全教育 (7)模板.docx》由会员分享,可在线阅读,更多相关《施工升降机司机安全教育 (7)模板.docx(2页珍藏版)》请在第壹文秘上搜索。

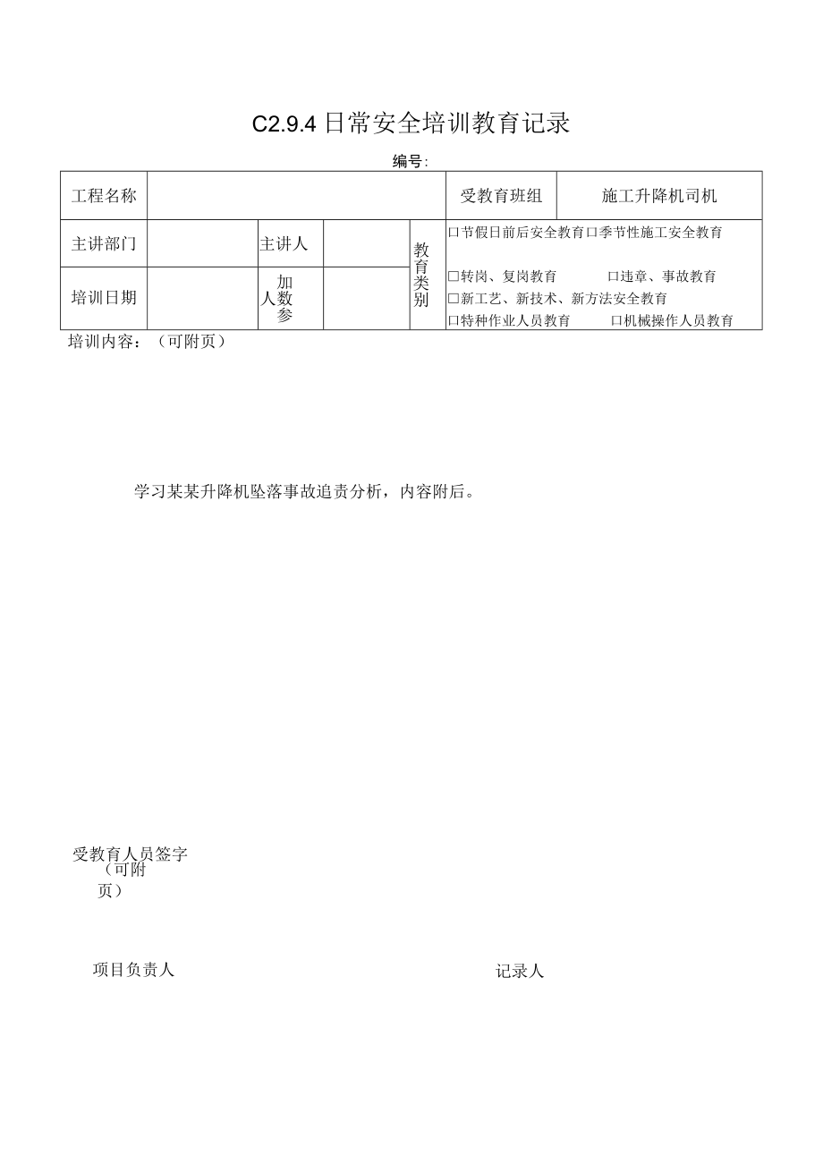
C2.9.4日常安全培训教育记录编号:工程名称受教育班组施工升降机司机主讲部门主讲人教育类别口节假日前后安全教育口季节性施工安全教育培训日期加数参人转岗、复岗教育口违章、事故教育新工艺、新技术、新方法安全教育口特种作业人员教育口机械操作人员教育培训内容:(可附页)学习某某升降机坠落事故追责分析,内容附后。受教育人员签字(可附页)记录人项目负责人安全生产十项注意事项:一、工作前穿戴好规定的劳动防护品,检查设备及作业场地,做到安全可靠。二、不违章作业,并监督制止他人违章作业。三、不准擅自开动别人操作的机械,电器开关设备。登高作业应戴好安全带、安全帽、并有专人监护、防止坠落,严禁向下乱抛工具和设备零件。四、不准随便拆除各种安全防护装置、信号标志、仪表及专指示器等。保持设备齐全有效灵敏可靠。五、不准随意启动设备。机器设备停机检查或修理时,应切断电源并悬挂警示牌,取牌人应是挂牌人。开机时发出信号,听到回音确定安全后才能开机。六、不准吊装物及下行人。多人操作起重搬运要统一指挥,密切配合。不准超负荷使用机器。七、不在易燃物品附近吸烟动火,不乱扔垃圾。八、不在厂内无证驾驶机动车辆,机动车进出车间转弯必须鸣号减速。车辆行驶中严禁爬上跳下。九、工作时精力集中,不准打闹、赤脚、赤膊、穿拖鞋和高跟鞋。十、上班时间不准怠工、滋事、脱岗或擅离职守。有事请假经领导批准后方可离开岗位。

展开阅读全文
相关资源
猜你喜欢
相关搜索

当前位置:首页 > 建筑/环境 > 设计及方案

copyright@ 2008-2023 1wenmi网站版权所有

经营许可证编号:宁ICP备2022001189号-1

本站为文档C2C交易模式,即用户上传的文档直接被用户下载,本站只是中间服务平台,本站所有文档下载所得的收益归上传人(含作者)所有。第壹文秘仅提供信息存储空间,仅对用户上传内容的表现方式做保护处理,对上载内容本身不做任何修改或编辑。若文档所含内容侵犯了您的版权或隐私,请立即通知第壹文秘网,我们立即给予删除!