华北理工水质工程学教案04过滤-3普通快滤池.docx

上传人:p** 文档编号:331428 上传时间:2023-06-02 格式:DOCX 页数:5 大小:112.67KB
下载 相关 举报
华北理工水质工程学教案04过滤-3普通快滤池.docx_第1页
第1页 / 共5页
华北理工水质工程学教案04过滤-3普通快滤池.docx_第2页
第2页 / 共5页
华北理工水质工程学教案04过滤-3普通快滤池.docx_第3页
第3页 / 共5页
华北理工水质工程学教案04过滤-3普通快滤池.docx_第4页
第4页 / 共5页
华北理工水质工程学教案04过滤-3普通快滤池.docx_第5页
第5页 / 共5页
亲,该文档总共5页,全部预览完了,如果喜欢就下载吧!
资源描述

《华北理工水质工程学教案04过滤-3普通快滤池.docx》由会员分享,可在线阅读,更多相关《华北理工水质工程学教案04过滤-3普通快滤池.docx(5页珍藏版)》请在第壹文秘上搜索。

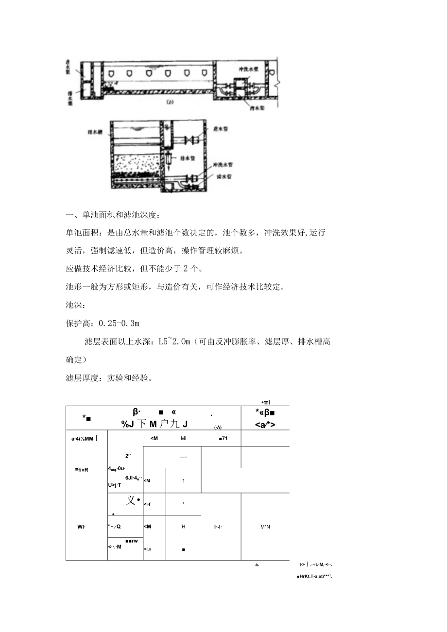
1、一、单池面积和滤池深度:单池面积:是由总水量和滤池个数决定的,池个数多,冲洗效果好,运行灵活,强制滤速低,但造价高,操作管理较麻烦。应做技术经济比较,但不能少于2个。池形一般为方形或矩形,与造价有关,可作经济技术比较定。池深:保护高:0.25-0.3m滤层表面以上水深:L52.Om(可由反冲膨胀率、滤层厚、排水槽高确定)滤层厚度:实验和经验。I*%J下M户九J()*a4iMMjT一M1Wl义mi.“ilf*l-lM*N.QMHrw.M.-t.M,.HrKt.T-a.eti*1.承托层厚度:实验和经验。快大融力配本系蜕液相香生”厚度174次(fttT)W盘()eIm*)11-4IUO248IOO

2、3一1,1004M7本厦t少回良鬣*改孔*KJO*IMK障VSx*T)wW(hm)(mOIC6MTiG.ftr)0.S-*l.SO2Ixrn:5-5伏,)1-1)石*nac.候*)2-44tefrr(俄4一99一.G本A3*lin*f滤池总深在3.0-3.5mO单层滤池深度小;双层滤池深度大。二、管廊布置:1、管廊:集中布置管渠、阀门及配件的场所。2、管材:金属:铸铁、钢管注意:压力变化。j钢筋碎3、内部布置要求:紧凑、简捷。便于安装维修(单轨小车等)有场地空间(设备进出)。要有防水、排水、通风、照明。便于与滤池操作室联系。4、与滤池的相对位置:滤池单排布置:管廊位于滤池的一侧,内布有全部四种

3、管渠适用滤池数少于五个情况。缺点现在三、四、优点缺点屣嘴管设12345池双排布量:中间设管廊(一条管廊)通风、采光不好,但紧凑不方便检修。用:反冲排水,和过滤进水为虹吸式。渠设计流速:进水管(渠):0.8L2ms清水管(渠):1.01.5ms冲洗水管(渠):2.02.5ms排水管(渠):1.01.5ms若水量以后有可能增大采用低值。计中的注意事项:滤池底部应设排空管,入口处设栅罩。池底坡度约为6005,坡向排空管。每个滤池宜装设水头损失计及取样管。各种密封渠道上应设人孔(检修)。滤池壁与砂层接触处应拉毛或锯齿状,(防止)过滤反冲水沿壁“短路”拉毛高度:滤层反冲膨胀后的高度。反冲水排气。运转效果良好,冲洗效果有保证,可适用任何水厂。管配件和阀门较多,操作较复杂。【本讲课程的小结】【本讲课程的作业】P题

展开阅读全文
相关资源
猜你喜欢
相关搜索

当前位置:首页 > 建筑/环境 > 环保行业

copyright@ 2008-2023 1wenmi网站版权所有

经营许可证编号:宁ICP备2022001189号-1

本站为文档C2C交易模式,即用户上传的文档直接被用户下载,本站只是中间服务平台,本站所有文档下载所得的收益归上传人(含作者)所有。第壹文秘仅提供信息存储空间,仅对用户上传内容的表现方式做保护处理,对上载内容本身不做任何修改或编辑。若文档所含内容侵犯了您的版权或隐私,请立即通知第壹文秘网,我们立即给予删除!