机械设备劳动力要求.docx

上传人:p** 文档编号:332366 上传时间:2023-06-02 格式:DOCX 页数:16 大小:54.66KB
下载 相关 举报
机械设备劳动力要求.docx_第1页
第1页 / 共16页
机械设备劳动力要求.docx_第2页
第2页 / 共16页
机械设备劳动力要求.docx_第3页
第3页 / 共16页
机械设备劳动力要求.docx_第4页
第4页 / 共16页
机械设备劳动力要求.docx_第5页
第5页 / 共16页
机械设备劳动力要求.docx_第6页
第6页 / 共16页
机械设备劳动力要求.docx_第7页
第7页 / 共16页
机械设备劳动力要求.docx_第8页
第8页 / 共16页
机械设备劳动力要求.docx_第9页
第9页 / 共16页
机械设备劳动力要求.docx_第10页
第10页 / 共16页
亲,该文档总共16页,到这儿已超出免费预览范围,如果喜欢就下载吧!
资源描述

《机械设备劳动力要求.docx》由会员分享,可在线阅读,更多相关《机械设备劳动力要求.docx(16页珍藏版)》请在第壹文秘上搜索。

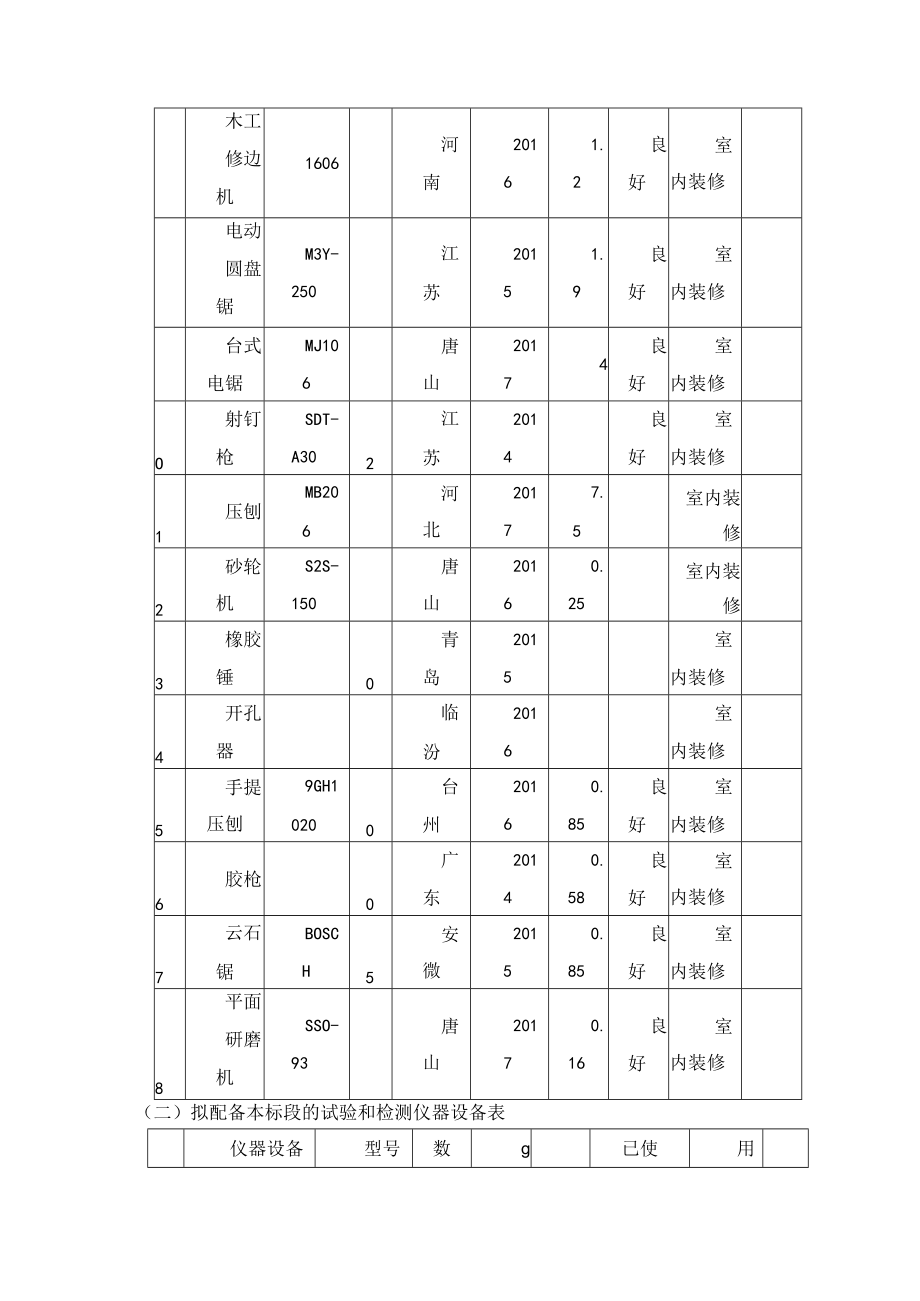
1、第一章机械设备劳动力要求第一节机械设备(一)施工机械计划拟投入主要施工机械设备情况表机械设备名称型号规格数量目前状况来源现停放地点备注电锤HR251020闲置自有天津电焊机BX1-1356闲置自有天津冲击机Z1-8920闲置自有天津无齿锯Z1H025020闲置自有天津手电钻J1Z1010闲置自有天津空压机ZX-O.34闲置自有天津木工修边机16062闲置自有天津电动圆盘锯M3Y-2502闲置自有天津台式电锯MJ1063闲置自有天津射钉枪SDT-A3012闲置自有天津压刨MB2063闲置自有天津砂轮机S2S-3闲置自天津150有橡胶锤30闲置自有天津开孔器5闲置自有天津手提压刨9GH102010

2、闲置自有天津胶枪10闲置自有天津云石锯BOSCH15闲置自有天津平面研磨机SSO-933闲置自IfT天津机械投入计划表号设备名称规格型号量国别产地制造年份额定功率kw生产能力用于施工部位备电锤HR25100上海20140.75良好室内装修电焊机BX1-135北京20158.7良好室内装修冲击机Z1-890日本20140.75良好室内装修无齿锯Z1HQ2500汽20131.27良好室内装修手电钻J1Z100上海20140.18良好室内装修空压机ZX-O.3河北20162.5良好室内装修木工修边机1606河南20161.2良好室内装修电动圆盘锯M3Y-250江苏20151.9良好室内装修台式电锯M

3、J106唐山20174良好室内装修O射钉枪SDT-A302江苏2014良好室内装修1压刨MB206河北20177.5室内装修2砂轮机S2S-150唐山20160.25室内装修3橡胶锤0青岛2015室内装修4开孔器临汾2016室内装修5手提压刨9GH10200台州20160.85良好室内装修6胶枪0广东20140.58良好室内装修7云石锯BOSCH5安微20150.85良好室内装修8平面研磨机SSO-93唐山20170.16良好室内装修(二)拟配备本标段的试验和检测仪器设备表仪器设备型号数g已使用名称规格量别产地造年份用台时数途注水准仪DZS3-13苏20131年测量经纬仪DJD21出江2010

4、1年轴线水准尺5.Om3汾江20111年测量钢卷尺100m220101年量距钢卷尺5.Om12西安20111年量距对讲机3020121年联系电阻仪ZC-82模水20111年接地电阻测量游标卡尺0-125读通20131年测量检测尺JZC-22m4啼州20102年质量检测O磁力线坠10川台20102年质量检测1含水率测试仪MY-4型220112年含水率2风速仪QDF22遇义20102年系统调试3声级计AW562去京20112年噪音测定()人行道施工序号机械或设备名称规格型号数量产地制造年份额定功率(kW)生产能力备注(预计进场时间)1挖土机HD4002日本201265中标后2混凝土浇筑设备1国产2

5、013中标后3园锯机MJ2241国产20133中标后4石材切割机JG-4005国产2Oll0.6中标后5蛙式打夯机HW-Ol4国产2Oll3中标后6电动空气压缩机3W0.9/72国产20127.5中标后7木工锯床MJ-1042国23中标后产0128钢筋加工设备GQL323国产201215中标后9交流电焊机BS-3303国产201411中标后10灰浆机XM-0.2M31国2Oll3中标后11插入式振捣机HZ-50A4国产20121.1中标后12平板振捣机2国产20123中标后13自卸卡车20TT81523国产2Oll中标后14泥浆泵红星-305国产201330中标后15修剪机3日本2002中标后

6、16橡皮锤、洒水壶若干国产中标后17水准仪DS33国产2Oll中标后(四)材料准备1、根据施工组织设计中的施工进度计划和施工预算中的工料分析,编制工程所需材料用量计划,作好备料、供料工作和确定仓库堆场面积及组织运输的依据。2、根据材料需用量计划,做好材料的申请、订货和采购工作,使计划得到落实。组织材料按计划进场,并作好保管工作。3、施工材料的发放、使用、管理,制订严格的材料领料制度,做到按需领料、按当日施工量领料,防止材料出库后造成的丢失损坏和污染。进场阶段对施工现场进行认真勘察,合理选定材料摆放区、制作区、工具存放区及废料堆放区,有条件的应设立材料仓库,便于管理。制定现场作业顺序,不阻障碍其

7、它工程的施工现场,根据可施工程度合理安排施工人员进场、材料进场及工具进场。组织人力搞好现场的文明环境,临时用电架接灯光准备,施工人员进场前作适当的安全培训,技术培训,规章制度颁布,甲方要求传达等,使进场秩序良好。第二节劳动力计划一、项目组织机构配备情况1、项目管理体系与组织说明(1)项目领导机构组织说明为确保以上管理目标的实现,我公司拟成立工程项目经理部,负责本工程的总体部署、所属单位人、财、物的统一协调及对施工组织和施工技术进行指导。施工现场按项目管理法组织施工,实行项目经理负责制。拟选派具有高级技术职称并主持过大型公共建筑项目工程施工、经建设部认证一级资质的、懂技术、会管理、善经营的人员担

8、任项目经理。项目技术负责人选派具有多年施工经验、技术水平高的高级工程师担任。在项目经理的领导下,本着精干高效的原则,现场项目经理部设置职能部门,并明确职责。项目经理部由技术水平高、责任心强、有吃苦耐劳精神、敢打善打硬仗、服从指挥、遵守纪律、有创优经验及同类工程施工管理经验的人员组成,主要管理人员具有相应的岗位资格证书。(2)项目领导班子的组成及职责:由项目经理、生产副经理、项目总工程师、商务经理组成,负责对工程的领导、指挥、协调、决策等重大事宜,对工程进度、成本、质量、安全和创优及现场文明施工等负全部责任。(3)项目部管理班子成员构成:土建工程师、装饰工程师、电气工程师、水暖工程师、施工员、质

9、检员、资料员、预算员、安全员、民管员、材料员、机械员、试验员。2、项目管理班子职责(1)项目经理1)贯彻执行企业年度的质量方针、目标和技术、质量工作计划。负责制定承包工程目标计划;2)建立和完善项目经理为首的施工项目技术管理组织,明确项目技术管理责任,督促检查项目成员责任制的落实;3)落实施工组织设计和施工项目方案,组织均衡生产,保障项目目标的全面完成;4)组织一般事故、事件、不符合的调查、评审、处置,并及时上报;参加重大事故的调查、评审、处置;负责事故的处理工作;5)领导项目管理人员和操作工人技术培训、质量教育工作;6)参加与建设单位的合同谈判,并认真履行与建设单位签订的合同;7)协调商务经

10、理解决扰民和民扰问题。指导合同管理员做好合同管理工作。(2)技术负责人参与项目目标、指标策划,组织编制项目施工组织设计、施工方案、专业施工技术方案、工艺标准,并督导实施;组织评审并管理项目有效文件,组织识别项目危险源和环境因素,制定技术支持方案;审核施工组织设计和组织内部图纸会审工作;施工组织设计发布后,组织技术交底工作并对执行情况进行监督与检查;组织新技术、新工艺、新材料和新设备的推广应用,用技术手段保证和提高工程质量水平;1.1.6参加项目事故、事件不符合的调查、分析、评审工作,检查纠正措施的落实;监督与检查专业工程师做好技术资料管理工作;负责组织施工现场职工技术学习、培训工作;领导现场试验工作;1.1.10负责工程设备及材料分析供方的选择技术资质、能力核定工作;1

展开阅读全文
相关资源
猜你喜欢
相关搜索

当前位置:首页 > 论文 > 论文指导/设计

copyright@ 2008-2023 1wenmi网站版权所有

经营许可证编号:宁ICP备2022001189号-1

本站为文档C2C交易模式,即用户上传的文档直接被用户下载,本站只是中间服务平台,本站所有文档下载所得的收益归上传人(含作者)所有。第壹文秘仅提供信息存储空间,仅对用户上传内容的表现方式做保护处理,对上载内容本身不做任何修改或编辑。若文档所含内容侵犯了您的版权或隐私,请立即通知第壹文秘网,我们立即给予删除!